Запчасти Case 1150E (2-072) - CYLINDER BLOCK, 6-830 ENGINE, SIX PISTON COOLING NOZZLES PRIOR ENG SN 44487830 (02) - ENGINE

Схема запчастей Case 1150E - (2-072) - CYLINDER BLOCK, 6-830 ENGINE, SIX PISTON COOLING NOZZLES PRIOR ENG SN 44487830 (02) - ENGINE
26
13
27
19a
24
15
11
9
14
19a
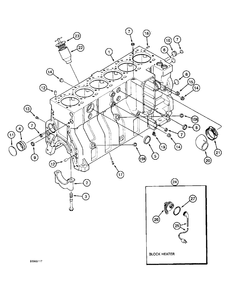
2
1
17
6
12
7
20
22
5
14
8
7
7
7
8
25
12
3
16
21
19
23
14
18
4
FIT
1:1
100%

Артикул

Название

Примечание

Количество

A174168

ENGINE

ENIGINE ASSEMBLY - complete, 6-830

1шт.

Includes all parts except starter, alternator, fan, fan belt, air cleaner, muffler and exhaust pipe, uses Ref. 1, piston sleeve, and Ref. 3 piston, shown on Figure 2-100, no longer available, order J926151 short block assembly

1шт.

JR912530

SKELETON ENGINE

BLOCK ASSEMBLY - short, remanufactured, North America only, component parts shown on this Figure do not apply to the remanufactured assembly, no longer available, order J926151 short block assembly

1шт.

JC912530

SPARE PART

RETURN NUMBER - use this part number to return block core for credit when using a remanufactured assembly

1шт.

J926151

SKELETON ENGINE

BLOCK ASSEMBLY - short, new, includes stripped block, pistons, connecting rods and bearings, crankshaft and bearings, replaces J912530 short block assembly

1шт.

Order Refs. 9 -19 when ordering J926151 short block or J920036 stripped block.

1шт.

JR911898

ENGINE, EXCHANGE

BLOCK ASSEMBLY - stripped, remanufactured, North America only, component parts shown on this Figure do not apply to the remanufactured assembly, no longer available, order J926151 short block assembly or J920036 stripped block assembly

1шт.

JC909414

CORE

RETURN NUMBER - use this part number to return stripped block core for credit when using a remanufactured assembly, prior to Engine SN 44214570

1шт.

JC911898

SKELETON ENGINE

RETURN NUMBER - use this part number to return stripped block core for credit when using a remanufactured assembly, Engine SN 44214570 through 44487830

1шт.

1

J920036

CYLINDER BLOCK

BLOCK ASSEMBLY - cylinder, stripped, new, replaces J911898 stripped block assembly, Includes: Ref. 2 - 8

1шт.

Order Refs. 9 -19 when ordering J926151 short block or J920036 stripped block.

1шт.

2

J905397

CAP

- main bearing

7шт.

3

J906655

BOLT,Flng, M14 x 2 x 128.5mm, Cl 12.9

- hex flange, special, bearing cap

14шт.

4

REF

INSTRUCTION

BUSHING - camshaft, see Figure 2-50, Ref. 6

7шт.

5

A77782

PLUG

- expansion, 58 mm O.D., replaces J900965

1шт.

6

A77586

PLUG

- expansion, 28.9 mm O.D.

1шт.

7

A77506

PLUG

- expansion, 21 mm O.D.

4шт.

8

J905401

PLUG

- expansion, 35 mm O.D.

3шт.

J909415

KIT

- block hardware, no longer available, order components separately

1шт.

Order Refs. 9 -19 when ordering J926151 short block or J920036 stripped block.

1шт.

9

A77530

PLUG

- expansion, 30 mm O.D.

2шт.

10

A77439

PLUG

- expansion, 22 mm O.D.

1шт.

10a

J903744

PIPE FITTING,22.42 mm ID x 28 mm OD x 90.2, 64 mm L

TUBE - turbocharger oil drain, not used in this application, not shown

1шт.

11

41-3044

PLUG,Exp, 2 3/4"

Replaces J901969 Exp, 2 3/4"

1шт.

12

J901846

PIN,12.01mm OD x 24mm L

- dowel

4шт.

13

J906619

PLUG,1/8" - 27

- hex, 1/8 inch PT

6шт.

14

A77429

PLUG

- hex socket, 1/2 inch PT

4шт.

15

A77505

PLUG

- hex socket, 3/4 inch PT

2шт.

16

A77533

PLUG

- hex socket, 1 inch PT

1шт.

17

J905928

NOZZLE INJECTION

NOZZLE - piston cooling

6шт.

18

J900257

PIN,10.01mm OD x 16mm L

- dowel, 16 mm long

2шт.

19

217-103

COCK, DRAIN

VALVE - 1/4 inch PT, replaces A77425 valve

1шт.

20

J920762

ELBOW

HOSE - elbow, replaces J909389 hose

1шт.

21

J918521

HOSE CLAMP,59mm - 83mm

CLAMP - adj, 1-13/16 - 2-3/4 inch dia.

1шт.

22

J905408

TUBE,35.13 mm ID x 52.39 mm OD x 100 mm L

- oil filler

1шт.

23

A77424

FILLER CAP

CAP - oil fill tube

1шт.

24

196804A1

KIT

- engine block heater, replaces A77595 kit

1шт.

25

196466A1

ELECTRIC CABLE

CABLE - engine block heater, replaces J905113

1шт.

26

NSS

NOT SOLD SEPARAT

ELEMENT - heater, 120 volt, 1000 watts

1шт.

27

J910517

O-RING

- heater sealing

1шт.

Выбрано товаров: 40