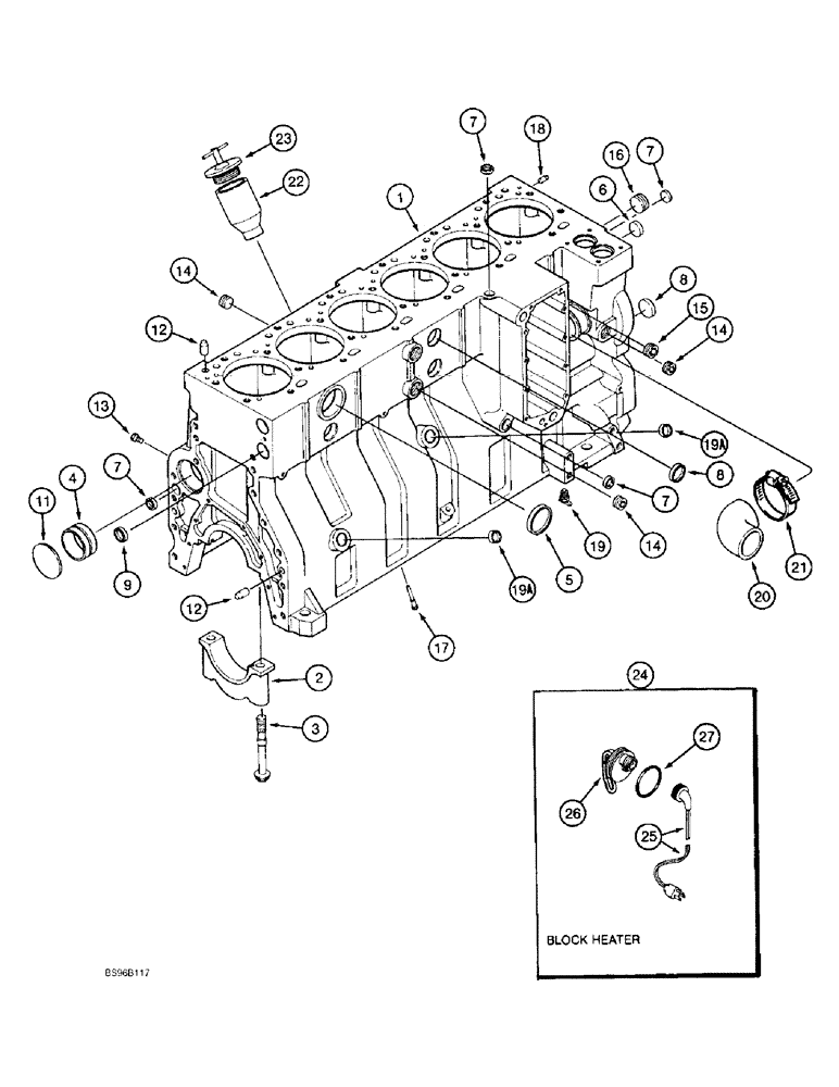
Запчасти Case 1150E (2-076) - CYLINDER BLOCK, 6-830 ENGINE, TWELVE PISTON COOLING NOZZLES, ENG SN 44487830 THRU 44706125 (02) - ENGINE

Схема запчастей Case 1150E - (2-076) - CYLINDER BLOCK, 6-830 ENGINE, TWELVE PISTON COOLING NOZZLES, ENG SN 44487830 THRU 44706125 (02) - ENGINE
24
7
7
4
19
14
14
3
1
8
12
18
13
15
21
23
17
25
7
12
19a
11
5
27
20
9
8
16
22
7
19a
26
14
6
2
FIT
1:1
100%

Артикул

Название

Примечание

Количество

1989000C1

ENGINE ASSEMBLY

- complete, 6-830, includes all parts except starter, alternator, fan, fan belt, air cleaner, muffler and exhaust pipe, uses oil filter and cooler shown on Figure 2-24

1шт.

1989000C2

ENGINE ASSEMBLY

- complete, 6-830, includes all parts except starter, alternator, fan, fan belt, air cleaner, muffler and exhaust pipe, uses oil filter and cooler shown on Figure 2-26

1шт.

JR922149

BLOCK

ASSEMBLY - short, remanufactured, North America only, component parts shown on this Figure do not apply to the remanfactured assembly, no longer available, order J926151 short block assembly

1шт.

JC919554

CORE-ENGINE

RETURN NUMBER - use this part number to return block core for credit when using a remanufactured assembly

1шт.

J919554

SKELETON ENGINE

BLOCK ASSEMBLY - short, new, includes stripped block, pistons, connecting rods and bearings, crankshaft and bearings, no longer available, order J926151 short block assembly

1шт.

Order Refs. 9 -19 on Figure 2-78 when ordering J926151 short block or J920036 stripped block.

1шт.

J926151

SKELETON ENGINE

BLOCK ASSEMBLY - short, new, includes stripped block, pistons, connecting rods and bearings, crankshaft and bearings

1шт.

Order Refs. 9 -19 on Figure 2-78 when ordering J926151 short block or J920036 stripped block.

1шт.

JR920036

CRANKCASE

BLOCK ASSEMBLY - stripped, remanufactured, North America only, component part shown on this Figure do not apply to the remanufactured assembly, for service order J920036 stripped block assembly

1шт.

JC919374

CORE-ENGINE

RETURN NUMBER - use this part number to return stripped core for credit when using a remanufactured assembly

1шт.

1

J920036

CYLINDER BLOCK

BLOCK ASSEMBLY - cylinder, stripped, new, Includes: Ref. 2 -19

1шт.

Order Refs. 9 -19 on Figure 2-78 when ordering J926151 short block or J920036 stripped block.

1шт.

2

J917313

BEARING CAP

CAP - bearing, main

7шт.

3

J916369

FLANGE BOLT,Hex, M14 x 2 x 128mm, Cl 10.9

SCREW, Hex Flg Hd, M14 x 128

14шт.

4

REF

INSTRUCTION

BUSHING - camshaft, see figure 2-51, Ref. 6

7шт.

5

A77782

PLUG

- expansion, 58 mm O.D.

1шт.

6

A77586

PLUG

- expansion, 28.9 mm O.D.

1шт.

7

A77506

PLUG

- expansion, 21 mm O.D.

4шт.

8

J905401

PLUG

- expansion, 35 mm O.D.

3шт.

A77716

BLOCK

KIT - block hardware, no longer available, order components separately

1шт.

9

A77530

PLUG

- expansion, 30 mm O.D.

2шт.

10a

J903744

PIPE FITTING,22.42 mm ID x 28 mm OD x 90.2, 64 mm L

TUBE - turbocharger oil drain, not used in this application, not shown

1шт.

11

41-3044

PLUG,Exp, 2 3/4"

Replaces J901969 Exp, 2 3/4"

1шт.

12

J901846

PIN,12.01mm OD x 24mm L

- dowel

4шт.

13

J906619

PLUG,1/8" - 27

- hex, 1/8 inch PT

6шт.

14

A77429

PLUG

- hex socket, 1/2 inch PT

5шт.

15

A77505

PLUG

- hex socket, 3/4 inch PT

2шт.

16

A77533

PLUG

- hex socket, 1 inch PT

1шт.

17

J919003

NOZZLE INJECTION

NOZZLE - piston cooling

12шт.

18

J900257

PIN,10.01mm OD x 16mm L

- dowel, 16 mm long

2шт.

19

217-103

COCK, DRAIN

VALVE - 1/4 inch PT, replaces A77425 valve

1шт.

19a

A77439

PLUG

- expansion, 22 mm O.D.

2шт.

20

J920762

ELBOW

HOSE - elbow, replaces J909389 hose

1шт.

21

J918521

HOSE CLAMP,59mm - 83mm

CLAMP - adj, 1-13/16 - 2-3/4 inch dia

1шт.

22

J905408

TUBE,35.13 mm ID x 52.39 mm OD x 100 mm L

- oil filler

1шт.

23

A77424

FILLER CAP

CAP - oil fill tube

1шт.

24

196804A1

KIT

- engine block heater, replaces A77595 kit, Includes: Ref. 25 - 27

1шт.

25

196466A1

ELECTRIC CABLE

CABLE - engine block heater, replaces J905113 cable

1шт.

26

NSS

NOT SOLD SEPARAT

ELEMENT - heater, 120 volt, 1000 watts

1шт.

27

J910517

O-RING

- heater sealing

1шт.

Выбрано товаров: 0