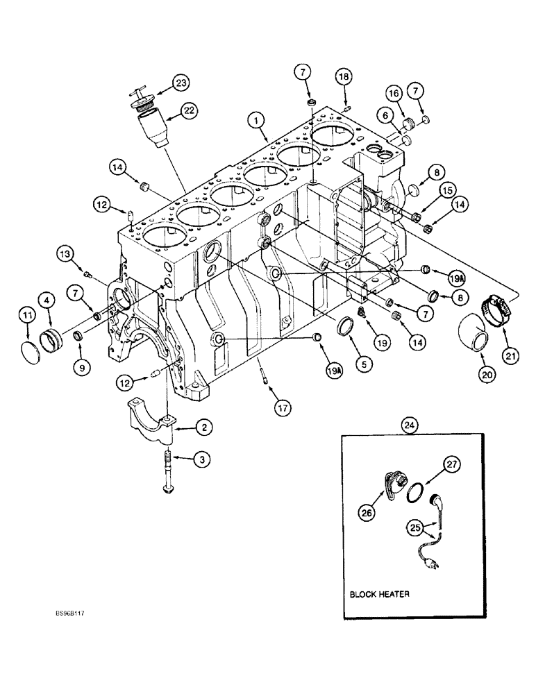
Запчасти Case 1150E (2-080) - CYLINDER BLOCK, 6-830 ENGINE, TWELVE PISTON COOLING NOZZLES, ENG SN 44706126 & AFT (02) - ENGINE

Схема запчастей Case 1150E - (2-080) - CYLINDER BLOCK, 6-830 ENGINE, TWELVE PISTON COOLING NOZZLES, ENG SN 44706126 & AFT (02) - ENGINE
8
6
9
14
21
20
14
19
11
7
8
27
12
22
7
16
5
3
23
12
18
25
2
19a
15
24
1
14
17
19a
4
26
7
13
7
FIT
1:1
100%

Артикул

Название

Примечание

Количество

1989000C2

ENGINE ASSEMBLY

- complete, 6-830, includes all parts except starter, alternator, fan, fan belt, air cleaner, muffler and exhaust pipe

1шт.

1989099C3

BASIC ENGINE

ENGINE ASSEMBLY - basic

1шт.

Includes all parts except starter, alternator, fan, fan belt, air cleaner, muffler, exhaust manifold, flywheel and housing, dipstick, fuel injection pump, injectors and lines, front pulley, belt tensioner, turbocharger and aftercooler, replaces 1989099C2 basic engine assembly

1шт.

JR921839

BLOCK

ASSEMBLY - short, remanufactured, North America only, component parts shown on this Figure do not apply to the remanufactured assembly, prior to Engine Serial Number 44833938, no longer available, order J926151 short block assembly

1шт.

JR922149

BLOCK

ASSEMBLY - short, remanufactured, North America only, component parts shown on this Figure do not apply to the remanfactured assembly, no longer available, order J926151 short block assembly

1шт.

JC921843

CORE-SHORT ENGINE

RETURN NUMBER - use this part number to return short block core for credit when using a remanufactured assembly

1шт.

JR919934

BLOCK

ASSEMBLY - stripped, remaufactured, North America only, component parts shown on this Figure do not apply to the remanufactured assembly, no longer available, order J929604 stripped block assembly

1шт.

Order Refs. 9 - 19 when ordering J926151 short block or J929604 stripped block.

1шт.

JC919374

CORE-ENGINE

RETURN NUMBER - use this part number to return stripped core for credit when using a remanufactured assembly

1шт.

JR925187

SKELETON ENGINE

BLOCK ASSEMBLY - short, engine, remanufactured, North America only, component parts shown on this Figure do not apply to the remanufactured assembly, Engine Serial Number 44833938 and after

1шт.

JC925187

CORE-SHORT ENGINE

RETURN NUMBER - use this part number to return short block for credit when using a remanufactured assembly

1шт.

J926151

SKELETON ENGINE

BLOCK ASSEMBLY - short, new, includes stripped block, pistons, connecting rods and bearings, crankshaft and bearings, replaces J922149, J921839 and J925187 short block assembly

1шт.

Order Ref. 9 - 19 when ordering J926151 short block or J929604 stripped block.

1шт.

1

J929604

CRANKCASE

BLOCK ASSEMBLY - stripped engine, replaces J919934, J923289 and J926145 stripped block assembly

1шт.

Order Refs. 9 - 19 when ordering J926151 short block or J929604 stripped block.

1шт.

2

J917313

BEARING CAP

CAP - bearing, main

7шт.

3

J916369

FLANGE BOLT,Hex, M14 x 2 x 128mm, Cl 10.9

SCREW, Hex Flg Hd, M14 x 128

14шт.

4

REF

INSTRUCTION

BUSHING - camshaft, see figure 2-51, Ref. 6

7шт.

5

A77782

PLUG

- expansion, 58 mm O.D.

1шт.

6

A77586

PLUG

- expansion, 28.9 mm O.D.

1шт.

7

A77506

PLUG

- expansion, 21 mm O.D.

4шт.

8

J905401

PLUG

- expansion, 35 mm O.D.

4шт.

A77716

BLOCK

KIT - block hardware, no longer available, order components separately

1шт.

9

A77530

PLUG

- expansion, 30 mm O.D.

2шт.

10a

J903744

PIPE FITTING,22.42 mm ID x 28 mm OD x 90.2, 64 mm L

TUBE - turbocharger oil drain, not used in this application, not shown

1шт.

11

41-3044

PLUG,Exp, 2 3/4"

Replaces J901969 Exp, 2 3/4"

1шт.

12

J901846

PIN,12.01mm OD x 24mm L

- dowel

4шт.

13

J906619

PLUG,1/8" - 27

- hex, 1/8 inch PT

6шт.

14

A77429

PLUG

- hex socket, 1/2 inch PT

5шт.

15

A77505

PLUG

- hex socket, 3/4 inch PT

2шт.

16

A77533

PLUG

- hex socket, 1 inch PT

1шт.

17

J919003

NOZZLE INJECTION

NOZZLE - piston cooling

12шт.

18

J900257

PIN,10.01mm OD x 16mm L

- dowel, 16 mm long

2шт.

19

217-103

COCK, DRAIN

VALVE - 1/4 inch PT, replaces A77425 valve

1шт.

19a

A77439

PLUG

- expansion, 22 mm O.D.

2шт.

20

J920762

ELBOW

HOSE - elbow, replaces J909389

1шт.

21

J918521

HOSE CLAMP,59mm - 83mm

CLAMP - adj, 1-13/16 - 2-3/4 inch dia.

1шт.

22

J905408

TUBE,35.13 mm ID x 52.39 mm OD x 100 mm L

- oil filler

1шт.

23

A77424

FILLER CAP

CAP - oil fill tube

1шт.

24

196804A1

KIT

- engine block heater, replaces A77595

1шт.

25

196466A1

ELECTRIC CABLE

CABLE - engine block heater

1шт.

26

NSS

NOT SOLD SEPARAT

ELEMENT - heater, 120 volt, 1000 watts

1шт.

27

J910517

O-RING

- heater sealing

1шт.

Выбрано товаров: 43