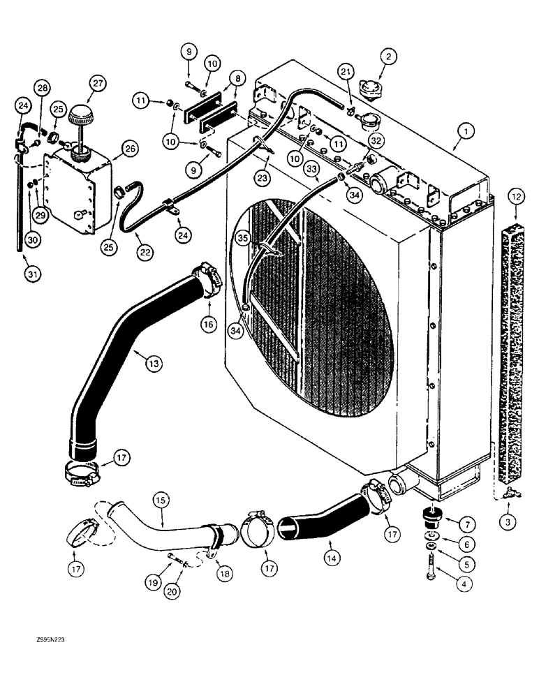
Запчасти Case 1150E (2-116) - RADIATOR MOUNTING, COOLANT RECOVERY AND AIR VENTING SYSTEM (02) - ENGINE

Схема запчастей Case 1150E - (2-116) - RADIATOR MOUNTING, COOLANT RECOVERY AND AIR VENTING SYSTEM (02) - ENGINE
24
11
27
1
12
21
3
14
13
10
25
10
2
17
25
32
34
30
22
23
6
5
17
18
17
19
7
31
9
28
17
34
8
10
20
33
26
29
16
24
4
35
11
9
15
FIT
1:1
100%

Артикул

Название

Примечание

Количество

1

R52599

RADIATOR

ASSEMBLY - for correct assembly and components, see Figures 2-124 and 2-126

1шт.

2

A170241

RADIATOR CAP

CAP, RADIATOR, Filler, 15 psi

1шт.

3

217-92

COCK

VALVE - drain, radiator, 1/4 inch PT

1шт.

4

413-836

BOLT,Hex, 1/2" - 13 x 2-1/4", Gr 5

- hex, 1/2 NC x 2-1/4 inch

2шт.

5

496-21053

WASHER,17/32" x 1 1/16" x .134"

- flat, 17/32 x 1-1/16 x 1/8 inch, hardened, Replaces lock washer used on some models

2шт.

6

D25022

WASHER

- flat, special, 1-3/4 inch OD, hardened

2шт.

7

A59514

RUBBER BUSHING,13.49mm ID x 34.29mm OD x 41.1mm L

INSULATOR - vibration

2шт.

8

D73500

STRAP

- radiator mounting

4шт.

9

413-628

BOLT,Hex, 3/8" - 16 x 1-3/4", Gr 5

- hex, 3/8 NC x 1-3/4 inch

4шт.

10

39519

WASHER,10.31mm ID x 34.9mm OD x 3.57mm Thk

- flat, special, 3-8 inch ID x 1-3/8 inch OD

8шт.

11

231-4116

NUT,3/8"-16, GB

NUT - hex, self-locking, 3/8 inch NC

4шт.

12

REF

INSTRUCTION

PAD - anti-recirculation, 2 (51 mm) x 31-5/16 inch (795 mm), cut from R30870 bulk pad, see below

2шт.

13

R54516

RADIATOR HOSE,51.00 mm ID, 58.00 mm ID x 393.00 mm, SAE 20R4 Class C or SAE 20R4 Class D1

HOSE - radiator, upper

1шт.

14

R54512

RADIATOR HOSE,50.00 mm ID x 282.00 mm, SAE 20R4 Class C or SAE 20R4 Class D1

HOSE - radiator, lower

1шт.

15

R54057

PIPE,50.8 mm OD x 297, 117 mm L

TUBE - lower radiator hose

1шт.

16

214-3148

HOSE CLAMP,2-1/4" - 3-1/8", HD Worm

CLAMP - adj, 2-1/4 - 3-1/8 inch dia, upper radiator hose

1шт.

17

214-3240

HOSE CLAMP,1-3/4" - 2-5/8", HD Worm, W/ Liner

CLAMP, HOSE, , Adj., Radiator hoses and tube 1.75/2.625 HD Worm, W/liner

4шт.

18

515-23508

CLAMP,2", Insul, 3/8" Bolt

- P-type, 2 inch ID, lower radiator tube to engine

1шт.

19

613-10020

BOLT,Hex, M10 x 1.5 x 20mm, Cl 8.8, Full Thd

- hex, full threads, 10 - 1.5 x 20 mm

1шт.

20

892-10010

LOCK WASHER,10.4mm ID x 18.1mm OD x 3.5mm Thk

WASHER - lock, 10 mm, plated

1шт.

21

A171099

HOSE CLAMP,13.2mm - 15.4mm

CLAMP - spring-type, coolant bottle hose at radiator

1шт.

22

A172261

HOSE,7.92mm ID x 1820mm L, SAE 30R6

- Cut from L126767 bulk hose, See below 7.50 mm ID, 8.30 mm ID x 1820.00 mm, SAE 30R6 per J30

1шт.

23

L18337

CABLE TIE,9.95"-12.1" lg

STRAP - tie, 15 inch, nylon

1шт.

R30870

PAD

- bulk, 54 (1372) x 72 (1829) x 1 inch (25 mm) thick

1шт.

345-44

ADHESIVE

- spray can, 3M No. 74, for attaching foam pads to metal surfaces, 23 ounce

1шт.

L126767

HOSE,7.9mm ID x 2336mm L, SAE 30R6

1шт.

24

515-23127

CLAMP,1/2", Insul, 3/8" Bolt

P-type, Coolant hose at air cleaner mounting bracket (use air cleaner band mounting hardware) and at firewall 1/2", Insul, 3/8" Bolt

2шт.

25

214-1404

HOSE CLAMP,#04, 0.25" - 0.62", Type F Worm

CLAMP - adj, 1/4 - 5/8 inch dia, hose at coolant bottle

2шт.

26

A184374

RESERVOIR

- coolant recovery

1шт.

27

1547924C1

CAP

- coolant recovery bottle

1шт.

28

121-107

SERRATED BOLT,Hex, 5/16" - 18 x 1", Gr 5

4шт.

29

495-11034

WASHER,5/16", SAE

5/16" SAE (flat, 11/32 x 11/16 x 1/16")

4шт.

30

230-4215

NUT,5/16"-18, GA

NUT - hex, self-locking, 5/16 inch NC

4шт.

31

R53522

HOSE

- 27-9/16 inch (700 mm) long, cut from L126767 bulk hose, see below

1шт.

32

217-151

FITTING,3/8" Hose Barb x 1/4" Male NPTF

Adapter - straight, stem end 3/8" Hose X 1/4" NPTF Beaded

1шт.

33

R54505

HOSE

- 23-1/4 inch (590 mm) long, cut from 364357C1 bulk hose, see below, air, vent, radiator to engine block

1шт.

34

214-1404

HOSE CLAMP,#04, 0.25" - 0.62", Type F Worm

CLAMP - adj, 1/4 - 5/8 inch dia, hose

2шт.

35

L18337

CABLE TIE,9.95"-12.1" lg

STRAP - tie, 15 inch, nylon

1шт.

L126767

HOSE,7.9mm ID x 2336mm L, SAE 30R6

1шт.

364357C1

LARGE HOSE

HOSE - bulk, 3/8 (10) ID x 600 inch (15240 mm) long

1шт.

L126767

HOSE,7.9mm ID x 2336mm L, SAE 30R6

1шт.

Выбрано товаров: 41