Запчасти Case 1150E (2-130) - AIR CLEANER AND MUFFLER, 6T-830 ENGINE (02) - ENGINE

Схема запчастей Case 1150E - (2-130) - AIR CLEANER AND MUFFLER, 6T-830 ENGINE (02) - ENGINE
9
24
6
23
4
4
12
11
5
29
10
3
2
26
15
3
25
15
18
7
8
13
1
8
10
17
27
22
21
28
27
14
17
5
30
19
20
22
FIT
1:1
100%

Артикул

Название

Примечание

Количество

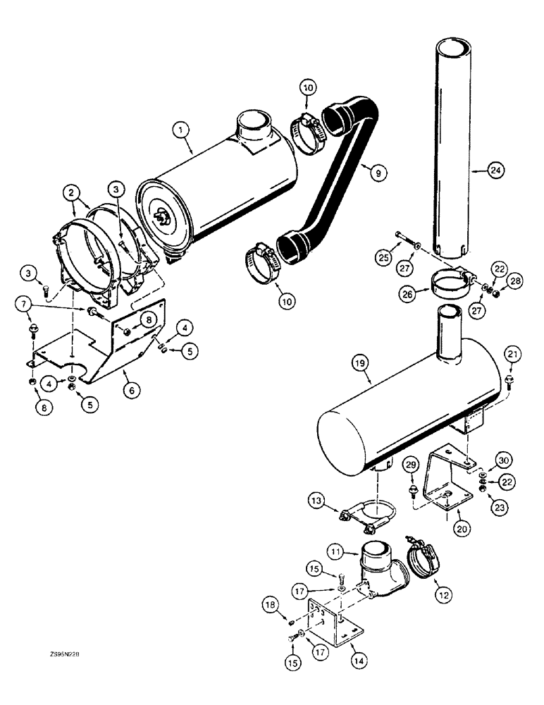
1

A170613

AIR CLEANER

CLEANER ASSEMBLY - air, parts list Figure 2-134

1шт.

2

A16574

BAND

CLAMP - air cleaner, includes hardware

2шт.

3

413-616

BOLT,Hex, 3/8" - 16 x 1", Gr 5

- hex, 3/8 NC x 1 inch

4шт.

4

496-41041

WASHER,13/32" x 1 1/8" x .134"

- flat, 13/32 x 1-1/8 x 9/64 inch, hardened

4шт.

5

231-4116

NUT,3/8"-16, GB

NUT - hex, self-locking, 3/8 inch NC

4шт.

6

R53967

SUPPORT

BRACKET - mounting, air cleaner

1шт.

7

121-231

SERRATED BOLT,Hex, 3/8" - 16 x 1", Gr 5

4шт.

8

231-4116

NUT,3/8"-16, GB

NUT - hex, self-locking, 3/8 inch NC

4шт.

9

R48355

INTAKE AIR HOSE,70.00 mm ID 101.60 mm ID x 433.00 mm, SAE J200

- Air cleaner to turbocharger 70.00 mm ID 101.60 mm ID x 433.00 mm, SAE J200

1шт.

10

214-3180

HOSE CLAMP,4-1/4" - 5-1/8", HD Worm

CLAMP - adj, 4-1/4 - 5-1/8 inch dia

2шт.

11

A173668

ELBOW

- turbocharger, Serial Range: exhaust-muffler

1шт.

12

A170807

CLAMP,102mm ID

exhaust tube retaining, at turbocharger

1шт.

13

A162896

CLAMP

- elbow to muffler, includes hardware

1шт.

14

A172568

SUPPORT

BRACKET - elbow mounting

1шт.

15

614-10025

BOLT,Hex, M10 x 1.5 x 25mm, Cl 8.8

4шт.

17

D41740

WASHER

- flat, special 3/8 inch, hardened

4шт.

18

221-841

PLUG

- hex socket, 1/4 inch PT, turbo elbow

1шт.

19

A173238

MUFFLER

- turbocharger exhaust

1шт.

20

R54659

SUPPORT

BRACKET - muffler mounting, front

1шт.

21

121-231

SERRATED BOLT,Hex, 3/8" - 16 x 1", Gr 5

2шт.

22

492-11038

LOCK WASHER,3/8"

3шт.

23

425-106

NUT,3/8"-16, Cl 5

2шт.

24

R51641

PIPE

- exhaust, Serial Range: clamps-hood

1шт.

25

113-2272

BOLT,Hex, 3/8" - 16 x 3-1/4", Gr 5

1шт.

26

R27699

CLAMP,114.3mm

- exhaust, Serial Range: pipe-hood

1шт.

27

495-11041

WASHER,0.406" ID x 0.812" OD x 0.065" W

(Flat, 13/32 x 13/16 x 1/16") 3/8", SAE

2шт.

28

129-770

NUT,3/8"-16, G5

- hex, 3/8 inch NC

1шт.

29

854-10020

BOLT,Hvy Hex, M10 x 20mm, Cl 10.9

- heavy hex flange, 10 - 1.5 x 20 mm, class 10.9, Black, Replaces regular hex head bolt and flat washer used on some models

2шт.

30

D41740

WASHER

- flat, special, 3/8 inch, hardened

2шт.

Выбрано товаров: 29