Запчасти Case 1150E (4-12) - STARTER SOLENOID ASSEMBLY, A187568 STARTER ASSEMBLY, 6-830 & 6T-830 ENG (04) - ELECTRICAL SYSTEMS

Схема запчастей Case 1150E - (4-12) - STARTER SOLENOID ASSEMBLY, A187568 STARTER ASSEMBLY, 6-830 & 6T-830 ENG (04) - ELECTRICAL SYSTEMS
10
5
9
7
6
9
3
11
4
11
10
5
12
2
1
8
7
6
FIT
1:1
100%

Артикул

Название

Примечание

Количество

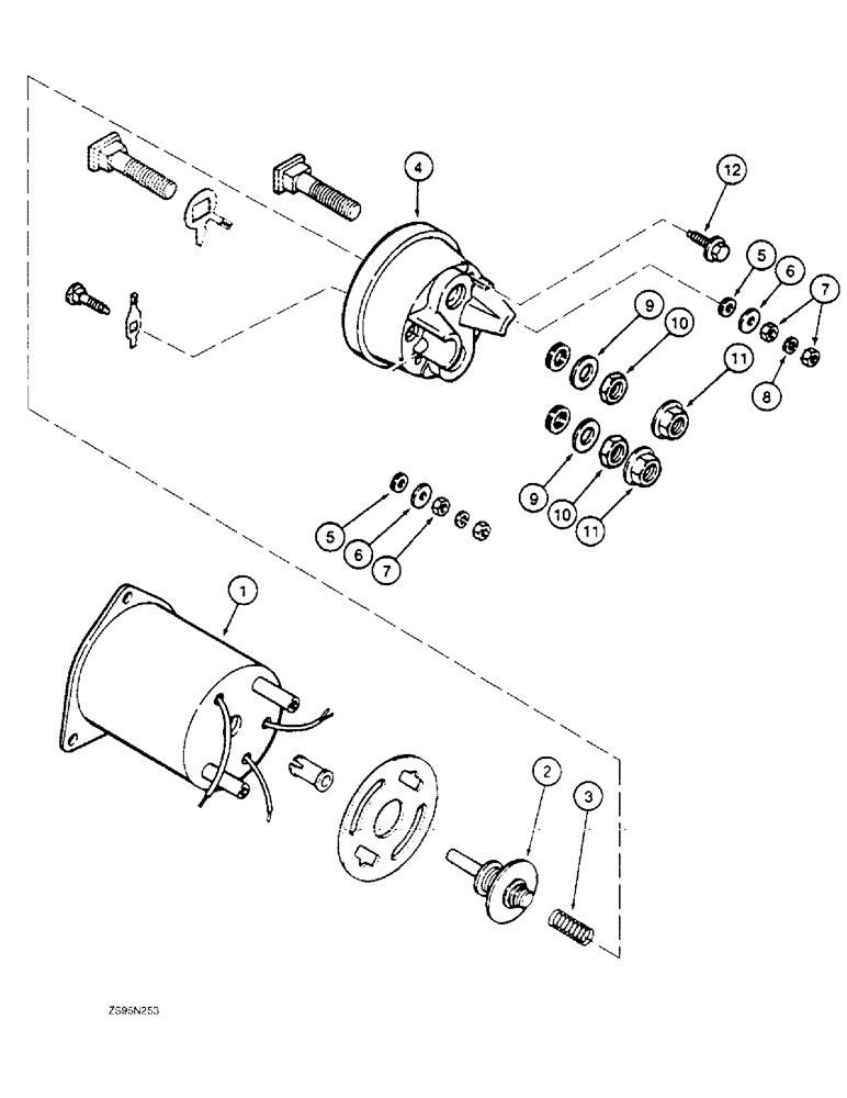
A49774

SWITCH

SOLENOID ASSEMBLY - starter, Includes: Ref. 1 - 12

1шт.

1

NSS

NOT SOLD SEPARAT

HOUSING ASSEMBLY - solenoid, order A49774 solenoid assembly

1шт.

2

A49566

CONTACTOR

- solenoid

1шт.

3

D32499

SPRING

- contact return

1шт.

4

NSS

NOT SOLD SEPARAT

COVER - solenoid, order A49774 solenoid assembly

1шт.

5

A42084

INSULATOR

- rubber, terminal

2шт.

6

A49560

WASHER

- flat, special, terminal

2шт.

7

129-667

NUT,#10-32, LH

3шт.

8

492-11010

LOCK WASHER,#10

WASHER, LOCK, #10

1шт.

9

95-81101

WASHER,0.52" ID x 0.88" OD x 0.07" Thk

- flat, 33/64 x 7/8 x 1/16 inch

2шт.

10

425-148

JAM NUT,Jam, 1/2"-13, G5

- hex, jam, 1/2 inch NC

2шт.

11

A47890

NUT

NUT - flange type, special, 1/2 inch NC

2шт.

12

A49571

CAPTIVE WASHER SCREW,Hex, #10 - 32 x 0.62"

BOLT - hex washer head, special, with washer and seal, cover retaining

2шт.

Выбрано товаров: 13