Запчасти Case 1150G (6-046) - TRANSMISSION CONTROL LEVERS AND LINKAGE (04) - UNDERCARRIAGE

Схема запчастей Case 1150G - (6-046) - TRANSMISSION CONTROL LEVERS AND LINKAGE (04) - UNDERCARRIAGE
46
38
16
43
13
38
60
53
54
51
47
37
70
2
42
11
36
68
28
9
45
55
16
44
8
52
30
48
71
36
23
26
9
31
39
43
50
14
24
65
15
64
42
12
5
10
19
58
29
35
41
72
39
18
69
10
37
39
34
10
33
8
7
38
1
22
10
4
54
6
53
63
58
15
25
57
14
21
50
27
51
66
40
37
50
32
20
40
3
17
49
56
50
10
59
62
61
40
41
67
39
FIT
1:1
100%

Артикул

Название

Примечание

Количество

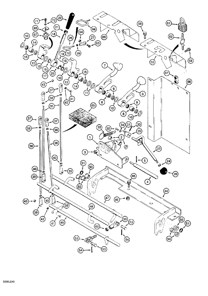
1

106584A1

BRACKET

mounting, throttle and transmission control, see Figure 3-002 for throttle control components, Includes: Ref. 2

1шт.

2

R58311

BRONZE BUSHING

BUSHING bronze, at neutral start lever

2шт.

3

231-1446

NUT,3/8" - 16, Gr 5

3шт.

4

R57937

SHAFT

pivot, throttle and transmission control levers

1шт.

5

38-11632

LOCK PIN,1/4" x 2", Slotted

1шт.

6

R58134

LEVER

ASSY., right-hand track speed, Includes: Ref. 8, 9

1шт.

7

R58135

LEVER

ASSY., left-hand track speed, Includes: Ref. 8, 9

1шт.

8

377133R91

ROLLER BEARING,Needle, 19.04mm ID x 25.41mm OD x 19.05mm W

roller

1шт.

9

65457C1

SEAL,19.04mm ID x 25.5mm OD x 3.17mm Thk

oil

2шт.

10

1960614C1

WASHER,20mm ID x 35mm OD x 1.58mm Thk

wear, at track speed levers and forward and reverse bellcranks

1шт.

11

R58209

SPACER

nylon, left-hand track speed lever to forward control lever

1шт.

12

106582A1

LEVER

BELLCRANK ASSY., forward control, Includes: Ref. 14, 15

1шт.

13

106583A1

LEVER

BELLCRANK ASSY., reverse control, Includes: Ref.14, 15

1шт.

14

377133R91

ROLLER BEARING,Needle, 19.04mm ID x 25.41mm OD x 19.05mm W

roller

1шт.

15

65457C1

SEAL,19.04mm ID x 25.5mm OD x 3.17mm Thk

oil

2шт.

16

R57931

SPACER

forward-neutral-reverse control lever to forward and reverse bellcranks

2шт.

334479A1

LEVER

ASSY., control, forward-neutral-reverse, Replaces: R58305, Includes: Ref. 17 - 21

1шт.

17

NSS

NOT SOLD SEPARAT

LEVER control, forward-neutral-reverse

1шт.

18

R58303

ROLLER

SPACER control lever, used with R58305

1шт.

19

38-1822

PIN,1/8" OD x 1-3/8" L, Slotted

1/8" x 1 3/8", Slotted

1шт.

20

R58306

SPHERICAL BEARING,19.05mm ID x 31.75mm OD x 16.66mm W

BEARING self aligning, control lever

1шт.

21

425-1510

JAM NUT,Jam, 5/8"-18, G5

Hex, Replaces 425-146

1шт.

22

L55721

HANDLE

shift lever, Replaces: R58314

1шт.

23

R57938

LEVER

control, neutral start

1шт.

24

425-156

JAM NUT,Jam, 3/8"-24, G5

No longer used, Not required

1шт.

25

70213

KNOB

control lever

1шт.

26

R58266

LINK

neutral start lever

1шт.

27

L53928

BALL JOINT

JOINT ball, adjustable, at link, Replaces: A146456

1шт.

28

425-154

JAM NUT,Jam, 1/4"-28, G5

1шт.

29

108505A1

ARM

spring mounting, at neutral start lever

1шт.

30

435-1416

GROOVED PIN,1/8" x 1", Type A

full length tapered groove 1/8" x 1", Type A

1шт.

31

38-31212

PIN,3/16" x 3/4", Coiled

1шт.

32

413-524

BOLT,Hex, 5/16" - 18 x 1-1/2", Gr 5

1шт.

33

101993A1

SPRING

return, neutral start lever

1шт.

34

495-81020

WASHER,17/32" x 1" x .030"

flat, 17/32 x 1 x 1/32 inch

1шт.

35

221492A1

ROD

connecting, track speed levers to lower cross shafts, Replaces: R57949

2шт.

36

221495A1

ROD

connecting, forward and reverse bellcranks to lower cross shaft, Replaces: 106650A1

2шт.

37

R47498

END

ball joint, rod, at control levers, right-hand thread

4шт.

38

425-155

JAM NUT,Jam, 5/16"-24, G5

Hex, RH thread

4шт.

39

R58783

END

rod, at lower cross shaft, left-hand thread

4шт.

40

129-216

JAM NUT,Jam, 5/16"-18, G5, LH

LH thread

4шт.

41

413-520

BOLT,Hex, 5/16" - 18 x 1-1/4", Gr 5

8шт.

42

492-11031

LOCK WASHER,5/16"

8шт.

43

231-1445

NUT,5/16"-18, GB

8шт.

44

106710A1

BRACKET

mounting, lower control cross shaft

1шт.

45

160-108

BOLT,Hex, 1/2" - 13 x 1 1/2", Gr 8, Full Thd

BOLT hex flange, 1/2 NC x 1-1/2 inch, grade 8

2шт.

46

231-1448

NUT,1/2"-13, GB

hex, self-locking, NC

2шт.

47

R57883

SHAFT

cross, lower control, right-hand track speed

1шт.

48

R57884

SHAFT

cross, lower control, left-hand track speed

1шт.

49

106639A1

SHAFT

cross, lower control, forward-neutral-reverse

1шт.

50

130756A1

BUSHING

plastic

6шт.

51

100-1462

SNAP RING,#62, Ext

6шт.

52

L17663

YOKE

UNIVERSAL JOINT YOKE LINK connecting, cross, Serial Range: shaft-valve

3шт.

53

D149287

PIN,7.9mm OD x 26.72mm L

Clevis, Special, 5/16 x 15/16 inch, hardened, Replaces: 427-5094

6шт.

54

432-612

COTTER PIN,3/32" x 3/4"

6шт.

55

106610A1

COVER

console, upper

1шт.

56

R58184

LARGE PLATE

PLATE, LARGE COVER console, front

1шт.

57

R58683

PLATE

BRACKET support, upper console cover

1шт.

58

160-101

BOLT,Hex, 3/8" - 16 x 3/4", Gr 8, Full Thd

BOLT hex flange, 3/8 NC x 3/4 inch, grade 8

8шт.

59

213-125

ADJUSTABLE CLEVIS,5/16" - 32

3шт.

60

425-155

JAM NUT,Jam, 5/16"-24, G5

Hex, RH thread

3шт.

61

D93753

PADLOCK

includes keys, neutral start lever to console cover, if used, Includes: Ref. 62

1шт.

62

R29555

KEY

for Master padlock only

2шт.

62

D93751

SET OF 2 KEYS

for Yale padlock only

2шт.

63

461-32512

HEX SOC SCREW,1/4"-20 x 3/4"

BOLT hex socket, 1/4 NC x 3/4 inch

1шт.

64

425-144

JAM NUT,Jam, 1/4"-20, G5

1шт.

65

103584A1

PAD

noise reduction, control levers, cab models only

1шт.

66

R58821

LINK

neutral start lever, linear shift, models with optional linear shift pattern

1шт.

67

R58819

SHAFT

lever mounting, linear shift, models with optional linear shift pattern

1шт.

68

R58820

LARGE PLATE

PLATE, LARGE notched, models with optional linear shift pattern

1шт.

69

R58816

COVER

console, top, linear shift, models with optional linear shift pattern

1шт.

70

38-1814

LOCK PIN,1/8" x 7/8", Slotted

models with optional linear shift pattern 1/8" x 7/8", Slotted

1шт.

71

461-7258

HEX SOC SCREW,Btn Hd, 1/4"-20 x 1/2"

BOLT hex socket button, 1/4 NC x 1/2 inch, models with optional linear shift pattern

1шт.

72

492-11025

LOCK WASHER,1/4"

Models with optional linear shift pattern

1шт.

Выбрано товаров: 74