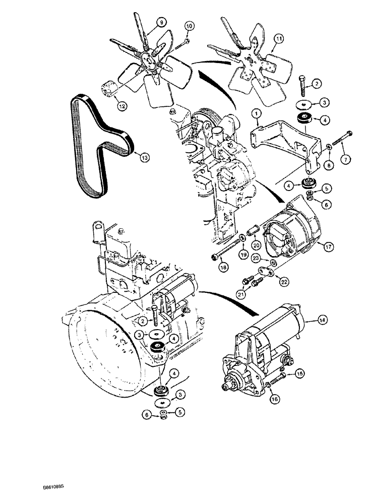
Запчасти Case 1150G (2-002) - ENGINE, STARTER AND ALTERNATOR MOUNTING, FAN AND FAN BELT (01) - ENGINE

Схема запчастей Case 1150G - (2-002) - ENGINE, STARTER AND ALTERNATOR MOUNTING, FAN AND FAN BELT (01) - ENGINE
17
16
6
12
6
9
4
5
3
19
4
13
14
8
5
3
4
2
2
3
11
23
10
7
1
15
4
22
21
18
20
FIT
1:1
100%

Артикул

Название

Примечание

Количество

1

A170985

BRACKET

SUPPORT engine, front

1шт.

2

413-1060

BOLT,Hex, 5/8" - 11 x 3-3/4", Gr 5

BOLT hex, 5/8 NC x 3-3/4 inch

3шт.

3

R49597

WASHER,17.5mm ID x 70mm OD x 4.5mm Thk

flat, special, 5/8 inch

5шт.

4

R49921

RUBBER MOUNTING

INSULATOR, engine

6шт.

5

496-21066

WASHER,16.6mm ID x 33.5mm OD x 3.8mm Thk

Hardened

3шт.

6

231-14410

NUT,5/8"-11, GB

3шт.

7

A171690

BOLT

hex, special, 12 - 1.75 x 85 mm, class 10.9

4шт.

8

496-21053

WASHER,17/32" x 1 1/16" x .134"

Hardened

4шт.

9

A173571

FAN

reversible

1шт.

10

193427A1

FLANGE BOLT,M10 x 1.5 x 110mm

BOLT hex flange, special, 10 - 1.5 x 110 mm, Replaces: 854-10070

4шт.

11

A173569

FAN

suction, if used

1шт.

11

A173567

FAN

pusher, if used, not shown

1шт.

12

A189318

SPACER

fan mounting, with 4 mounting holes, service part for A173329 spacer with 8

1шт.

13

J911559

V-BELT,27.92mm W x 1574.8mm L, 8 Ribs

Fan

1шт.

14

1987566C1

STARTER MOTOR,24V, 5.5kW

ASSY., engine, 24 volt, see Figure 4-002

1шт.

14

1987566C1R

REMAN-STARTER,24V, 5.5kW

Reman For New PN 1987566C1

1шт.

14

1987566C1C

CORE-STARTER,24V, 5.5kW

Return Number

1шт.

14

1987566C1GV

STARTER MOTOR,24V, 5.5kW

Value

1шт.

15

614-10030

BOLT,Hex, M10 x 1.5 x 30mm, Cl 8.8, Full Thd

3шт.

16

892-11010

LOCK WASHER,M10

3шт.

17

A187916

ALTERNATOR,24V, 45A

ASSY., engine, 24 volt, 45 amperes, see Figure 4-004

1шт.

18

814-10100

BOLT,Hex, M10 x 1.5 x 100mm, Cl 8.8

1шт.

20

J902469

SPACER

alternator mounting

1шт.

21

855-8020

BOLT,Hvy Hex, M8 x 20mm, Cl 10.9

Heavy

2шт.

22

J903089

SUPPORT

BRACE alternator mounting, lower

1шт.

23

A140282

WASHER,9.78mm ID x 19.66mm OD x 0.81mm Thk

flat, special, 3/8 inch, between alternator mounting brace and engine

1шт.

19

895-11010

WASHER,11mm ID x 20mm OD x 2mm Thk

1шт.

Выбрано товаров: 27