Запчасти Case 1150G (9-066) - AIR CONDITIONING SYSTEM, EVAPORATOR CORE MOUNTING AND DRAIN HOSES (05) - UPPERSTRUCTURE CHASSIS

Схема запчастей Case 1150G - (9-066) - AIR CONDITIONING SYSTEM, EVAPORATOR CORE MOUNTING AND DRAIN HOSES (05) - UPPERSTRUCTURE CHASSIS
12a
4
7a
3
8
17
19
2
3
23
1
14
11
12c
19
15
16
4
15
14
24
13
20
17
18
7
21
5
10
13
6
2
9
13
3
12d
9
20
10
2
12b
13
17
22
18
FIT
1:1
100%

Артикул

Название

Примечание

Количество

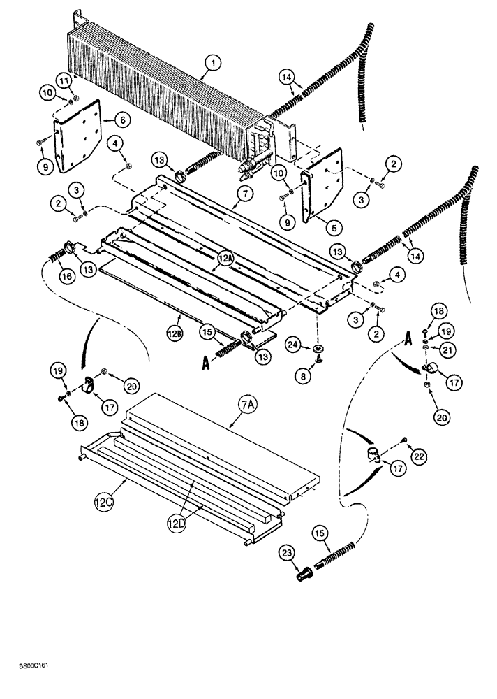
1

1340490C4

EVAPORATOR

CORE ASSY., see Figure 9-068, Replaces: 1340490C2, 1340490C3

1шт.

2

413-48

BOLT,Hex, 1/4" - 20 x 1/2", Gr 5

15шт.

3

492-11025

LOCK WASHER,1/4"

15шт.

4

425-104

NUT,1/4"-20, Cl 5

7шт.

5

R52820

SUPPORT

BRACKET evaporator core and pan mounting, right-hand

1шт.

6

R52821

SUPPORT

BRACKET evaporator core and pan mounting, left-hand

1шт.

7

R51714

SUPPORT

pan, used with Ref. 12A

1шт.

7a

345906A1

SUPPORT

pan, used with Ref. 12C

1шт.

8

260-16512

SELF-TAP SCREW,Cross Pan Hd, #10 x 3/4"

9шт.

9

413-512

BOLT,Hex, 5/16" - 18 x 3/4", Gr 5

4шт.

10

492-11031

LOCK WASHER,5/16"

4шт.

11

425-105

NUT,5/16"-18, G5

LH bracket only

2шт.

12a

1971366C2

CONTAINER

PAN condensation, no longer available, order 252628A1

1шт.

12b

1974623C1

FOAM

condensation pan, use with Ref. 12A

1шт.

12c

252628A1

PAN

ASSY., evaporator, Replaces: 1971366C2, Includes: Ref. 12D

1шт.

12d

253008A1

SEAL

pressure sensitive peel-off backing

2шт.

13

214-1704

HOSE CLAMP,#04, 0.25" - 0.62", Type M Worm

Adjustable, at pan, Replaces 214-1404

4шт.

14

R48815

HOSE, 1016 mm (40 inch) long, cut from F64508X bulk hose, front drain, see below

2шт.

15

R53837

HOSE, 1778 mm (70 inch) long, cut from F64508X bulk hose, right-hand rear drain, see below

1шт.

16

R53838

HOSE, 2032 mm (80 inch) long, cut from F64508X bulk hose, left-hand rear drain, see below

1шт.

17

L70217

CLAMP

drain hoses

9шт.

18

140-105

SCREW,Cross Pan Hd, #10 - 24 x 1/2"

5шт.

19

492-11010

LOCK WASHER,#10

5шт.

20

225-14110

NUT,#10-24

5шт.

21

495-31022

WASHER,#10

4шт.

22

294-1658

SELF-TAP SCREW,Cross Truss Hd, #10 x 1/2"

4шт.

23

F44790

VALVE

check, rubber, rear drain hoses

2шт.

24

195-81026

WASHER,.266" x 13/16" x .079"

flat, 17/64 x 13/16 x 3/32 inch

9шт.

F64508X

LARGE HOSE

HOSE,LARGE bulk, 11 (7/16) ID x 30480 mm (1200 inch) long

1шт.

Выбрано товаров: 29