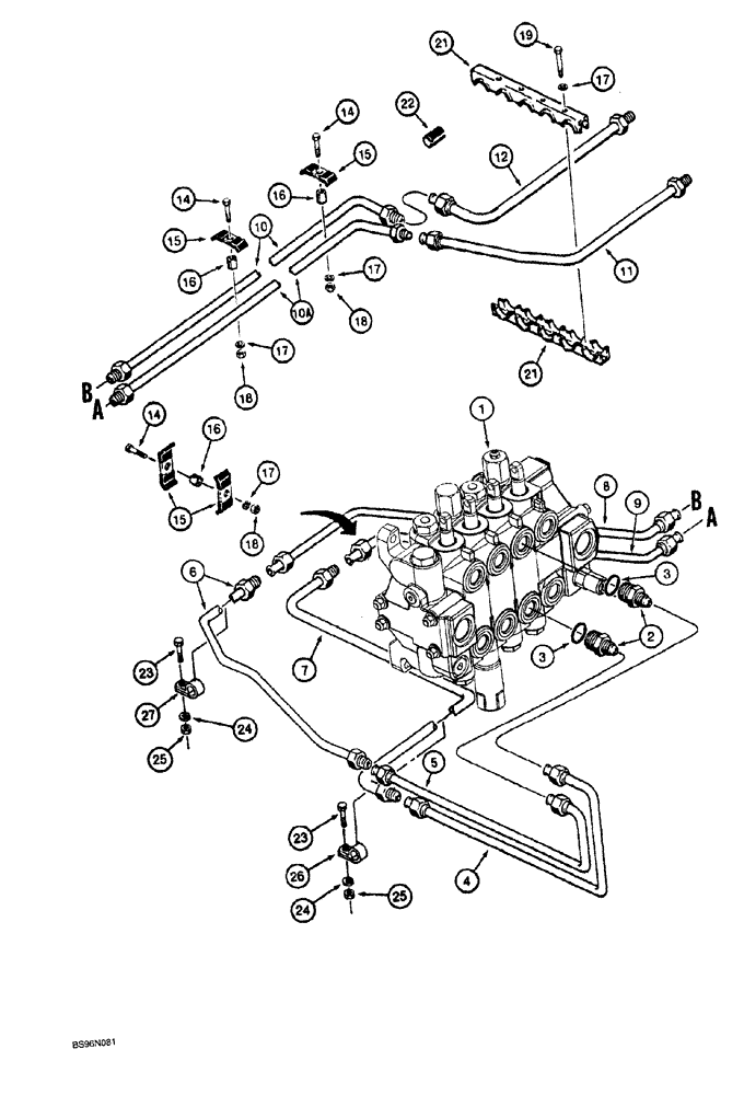
Запчасти Case 1150G (8-023A) - ANGLE HYDRAULIC CIRCUIT, VALVE TO GRILLE, JJG0218023 AND JJG0218479 AND AFTER (07) - HYDRAULIC SYSTEM

Схема запчастей Case 1150G - (8-023A) - ANGLE HYDRAULIC CIRCUIT, VALVE TO GRILLE, JJG0218023 AND JJG0218479 AND AFTER (07) - HYDRAULIC SYSTEM
2
4
25
21
24
17
16
24
6
15
10a
16
26
7
1
23
16
15
3
14
27
17
14
5
11
22
19
12
18
14
9
17
21
25
18
18
17
8
23
10
15
3
FIT
1:1
100%

Артикул

Название

Примечание

Количество

1

REF

INSTRUCTION

VALVE ASSY., equipment control, see Figure 8-060 or 8-062

1шт.

2

218-5062

HYD CONNECTOR,7/8"-14, 37 Degree x 7/8"-14, O-Ring

ADAPTER straight, 7/8-14 inch flare x O-ring boss, male, Includes: Ref. 3

2шт.

3

237-6010

O-RING,0.097" Thk x 0.755" ID, -910, Cl 6, 90 Duro

1шт.

4

233598A1

TUBE

at control valve, A port

1шт.

5

233601A1

TUBE,15.88 mm OD

at control valve, B port

1шт.

6

233620A1

TUBE

from B port, upper tube

1шт.

7

233618A1

TUBE

from A port, lower tube

1шт.

8

R38298

TUBE,0.625" OD x 23.7, 19" L

from B port, upper tube

1шт.

9

R38257

TUBE,0.625" OD x 17.34, 16.5" L

from A port, lower tube

1шт.

10

R52022

PIPE,0.625" OD

TUBE, from B port, left-hand

1шт.

10a

R52024

PIPE,15.88 mm OD x 1298, 96 mm L

TUBE, from A port, right-hand

1шт.

11

R54631

PIPE,0.625" OD

TUBE, from A port, right-hand outer at grille

1шт.

12

R51984

PIPE,15.88 mm OD x 128, 366 mm L

TUBE, from B port, left-hand outer at grille

1шт.

14

413-524

BOLT,Hex, 5/16" - 18 x 1-1/2", Gr 5

3шт.

15

D40236

CLAMP

tubes

4шт.

16

D146035

SPACER,10.31mm ID x 16mm OD x 15.5mm L

SPACER, tubes

3шт.

17

492-11031

LOCK WASHER,5/16"

5шт.

18

425-105

NUT,5/16"-18, G5

3шт.

19

413-532

BOLT,Hex, 5/16" - 18 x 2", Gr 5

2шт.

21

R41743

CLAMP

split, two-piece

1шт.

22

R58328

BUSHING

split, tubes at clamp mounting

2шт.

23

413-616

BOLT,Hex, 3/8" - 16 x 1", Gr 5

2шт.

24

492-11038

LOCK WASHER,3/8"

2шт.

25

425-106

NUT,3/8"-16, Cl 5

2шт.

26

515-23159

CLAMP,5/8", Insul, 3/8" Bolt

P-type

1шт.

27

49771

CLAMP

P-type, 5/8 inch ID

1шт.

Выбрано товаров: 26