Запчасти Case 1150G (8-034) - EQUIPMENT CONTROL VALVE MOUTING, PRIOR TO JJG0218023 AND JJG0218024 - JJG0218478 (07) - HYDRAULIC SYSTEM

Схема запчастей Case 1150G - (8-034) - EQUIPMENT CONTROL VALVE MOUTING, PRIOR TO JJG0218023 AND JJG0218024 - JJG0218478 (07) - HYDRAULIC SYSTEM
7
7
10
9
8
10
9
9
7
5
4
10
1
2
4
3
8
8
9
11
6
8
10
FIT
1:1
100%

Артикул

Название

Примечание

Количество

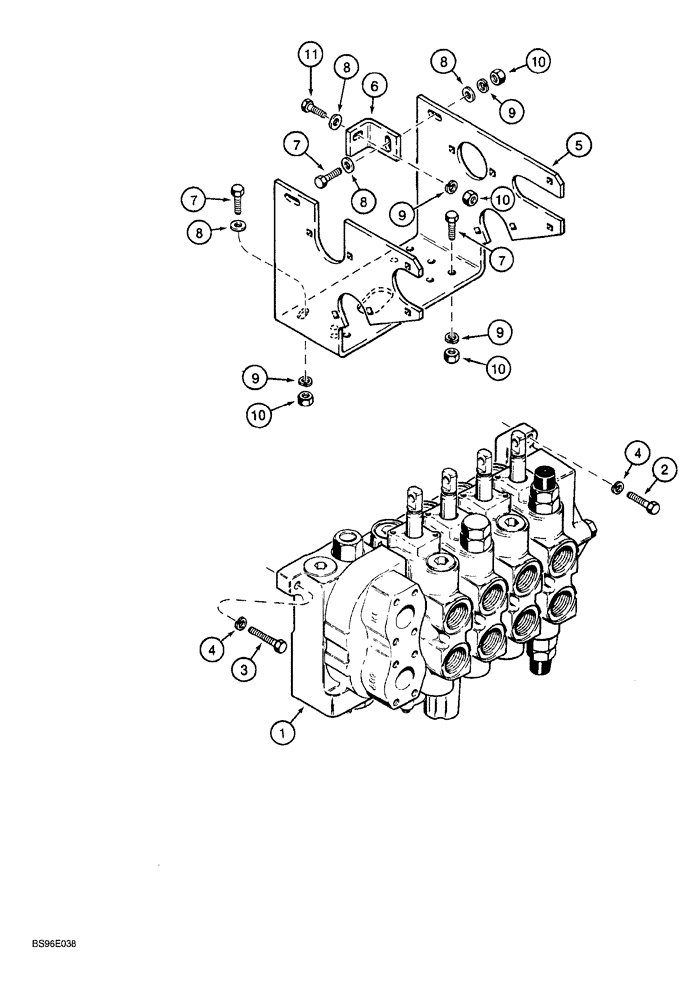
1

REF

INSTRUCTION

VALVE ASSY., equipment control, see Figure 8-044 or 8-046

1шт.

2

413-624

BOLT,Hex, 3/8" - 16 x 1-1/2", Gr 5

2шт.

3

413-628

BOLT,Hex, 3/8" - 16 x 1-3/4", Gr 5

1шт.

4

492-11038

LOCK WASHER,3/8"

3шт.

5

R56412

SUPPORT

BRACKET mounting, linkage

1шт.

6

R41335

SUPPORT

BRACKET angle, linkage bracket support

1шт.

7

413-616

BOLT,Hex, 3/8" - 16 x 1", Gr 5

5шт.

8

495-11041

WASHER,0.406" ID x 0.812" OD x 0.065" W

Flat, (13/32 x 13/16 x 1/16")

4шт.

9

492-11038

LOCK WASHER,3/8"

6шт.

10

425-106

NUT,3/8"-16, Cl 5

6шт.

11

413-618

BOLT,Hex, 3/8" - 16 x 1-1/8", Gr 5

1шт.

Выбрано товаров: 11