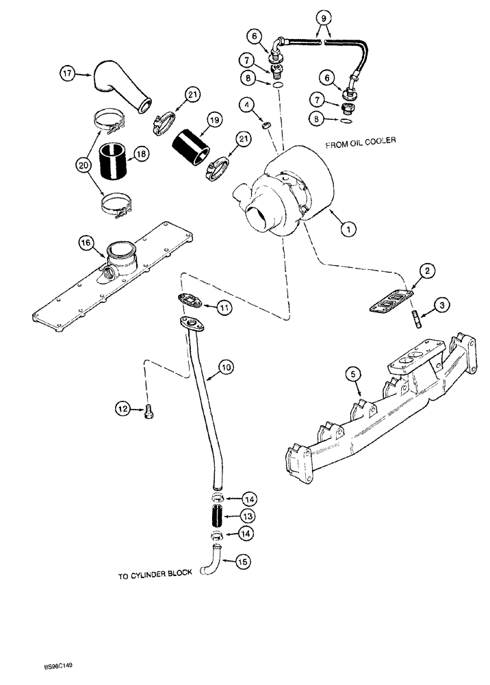
Запчасти Case 1150G (2-024) - TURBOCHARGER SYSTEM, 6T-590 ENGINE, PRIOR TO JJG0218023 AND JJG0218024 - JJG0218478 (01) - ENGINE

Схема запчастей Case 1150G - (2-024) - TURBOCHARGER SYSTEM, 6T-590 ENGINE, PRIOR TO JJG0218023 AND JJG0218024 - JJG0218478 (01) - ENGINE
18
3
13
17
14
2
9
5
21
10
6
1
6
7
8
12
21
8
7
15
19
4
16
11
20
14
FIT
1:1
100%

Артикул

Название

Примечание

Количество

1

J919113

TURBOCHARGER

ASSY., engine, new, see Figure 2-026 for correct assembly

1шт.

2

J901356

GASKET,0.5mm Thk

, Serial Range: turbocharger-manifold

1шт.

3

J818823

STUD

turbocharger mounting

4шт.

4

J818824

FLANGE NUT

hex flange, special, 10 mm - 1.5

4шт.

5

J901683

MANIFOLD

exhaust, see Figure 2-022, Ref. 1

1шт.

6

222-993

GASKET,3/8 Tube, Fl, Copper

2шт.

7

J919687

HYD CONNECTOR

ADAPTER female hex, special, Includes: Ref. 8

2шт.

8

238-5013

O-RING,0.07" Thk x 0.426" ID, -13, Cl 5, 75 Duro

1шт.

9

J918562

HOSE

538 mm (21-3/16 inch) long, turbocharger

1шт.

10

J918579

TUBE

turbocharger oil drain, upper

1шт.

11

J928919

GASKET

turbo oil drain tube, Replaces: J914388

1шт.

12

845-8020

BOLT,Hvy Hex, M8 x 20mm, Cl 8.8

2шт.

13

J931970

HOSE,22.22 mm ID x 76.20 mm

Replaces J903745

1шт.

14

214-1416

HOSE CLAMP,#16, 0.81" - 1.5", Type F Worm

Adj., Turbocharger drain hose

2шт.

15

J903744

PIPE FITTING,22.42 mm ID x 28 mm OD x 90.2, 64 mm L

TUBE turbocharger oil drain, lower

1шт.

16

J904862

COVER

intake manifold, see Figure 2-022, Ref. 4

1шт.

17

J906973

AIR INTAKE TUBE,42 - 54.7 mm ID x 50.8 - 63.5 mm OD

TUBE air intake

1шт.

18

J916529

TRANSMISSION SLEEVE

HOSE, 76 mm (3 inch) long

1шт.

19

J916166

INTAKE AIR HOSE

71 mm (2-3/4 inch) long, air intake

1шт.

20

J924386

COLLAR CLAMP

adj., special, hose retaining

2шт.

21

214-1528

HOSE CLAMP,#28, 1.31" - 2.25", Type F Worm, W/ Liner

adj., 1-5/16 - 2-1/4 inch dia.

2шт.

Выбрано товаров: 21