Запчасти Case 1150G (3-004) - FUEL TANK (02) - FUEL SYSTEM

Схема запчастей Case 1150G - (3-004) - FUEL TANK (02) - FUEL SYSTEM
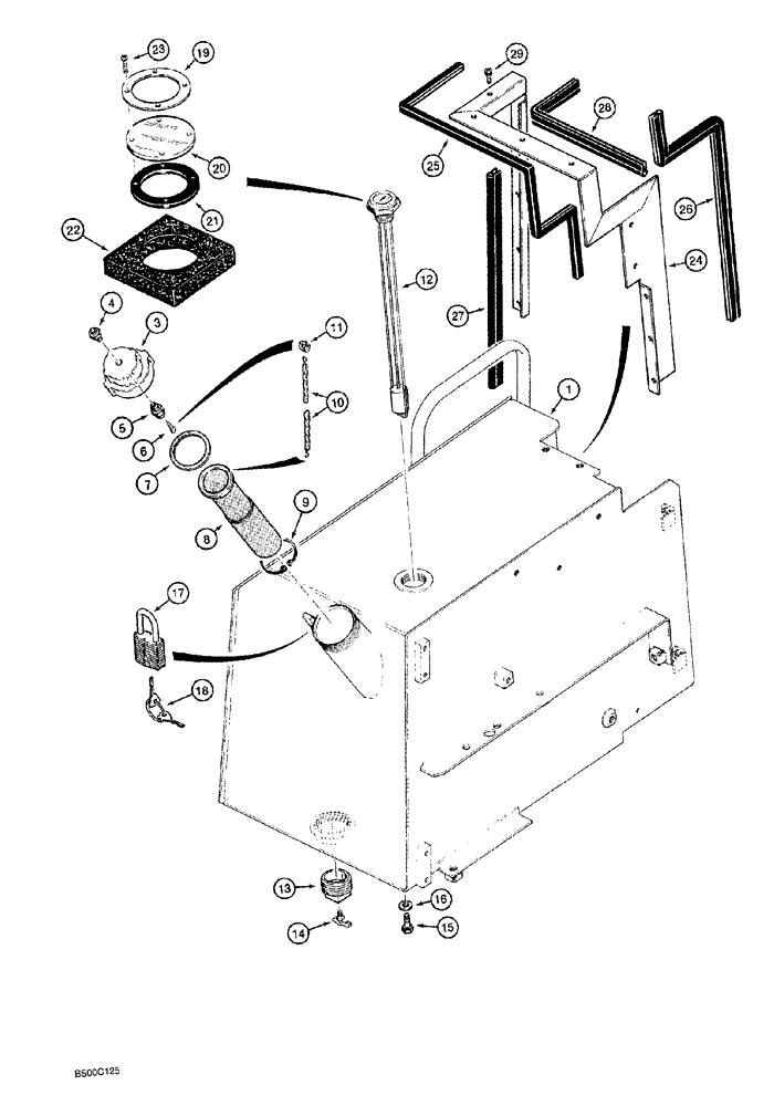
20
7
24
23
19
28
25
21
29
17
8
13
4
12
26
18
3
16
27
5
11
10
22
14
15
6
1
9
FIT
1:1
100%

Артикул

Название

Примечание

Количество

1

140254A1

TANK

ASSY., fuel, Includes: Ref. 3, prior to JJG0218023 and JJG0218024 - JJG0218474, no longer available, order Ref. 3A tank assembly and Ref. 3B reducer

1шт.

3

R57981

FILLER CAP

fuel tank

1шт.

3a

242039A1

TANK

ASSY., fuel, Includes: Ref. 3, JJG0218023 and JJG0218475 and after, not shown

1шт.

3

R57981

FILLER CAP

fuel tank, Replaces: R57887 cap used in production

1шт.

3b

217-42

REDUCER,3/8" - 18 NPT x 1/4" - 18 NPT

Not Shown

1шт.

4

R57888

FILTER

air inlet, fuel tank

1шт.

5

A50096

VALVE

relief, fuel tank

1шт.

6

301-14712

SCREW,Drive, #12 x 3/4"

Round head

1шт.

7

R49868

GASKET,72mm ID x 90mm OD x 3mm Thk

rubber, fuel cap

1шт.

8

R51771

STRAINER ASSY.

fuel

1шт.

9

103-21300

SNAP RING,3.00", Int, #300

Chain

1шт.

10

R47786

CHAIN (CE)

filler cap

1шт.

11

R48634

FASTENER

HOOK chain

1шт.

12

R49775

FUEL GAUGE

tank

1шт.

13

R27578

PLUG

drain, fuel tank

1шт.

14

217-81

VALVE

drain, 1/8 inch PT

1шт.

15

413-1020

BOLT,Hex, 5/8" - 11 x 1-1/4", Gr 5

Replaces 413-1016

8шт.

16

496-21066

WASHER,16.6mm ID x 33.5mm OD x 3.8mm Thk

Hardened

8шт.

17

D93753

PADLOCK

includes keys, Includes: Ref. 18

1шт.

18

R29555

KEY

for Master padlock only, if used

2шт.

18

D93751

SET OF 2 KEYS

for Yale padlock only, if used

2шт.

18a

D44330

SHIM,.031" Thk

(21/32" ID x 1-1/4" OD), Not shown

1шт.

19

R53852

RING

retainer, fuel gauge cover, used only on models with a cab

1шт.

20

R51354

COVER

fuel gauge, clear plastic, used only on models with a cab

1шт.

21

R53234

GASKET

fuel gauge cover, used only on models with a cab

1шт.

22

R50587

SEAL

foam, fuel gauge, used only on models with a cab

1шт.

23

260-16512

SELF-TAP SCREW,Cross Pan Hd, #10 x 3/4"

Gimlet point, Used only on models with a cab

4шт.

24

178813A1

FRAME

seal, fuel tank, used only on models with a cab

1шт.

25

178811A1

SEAL

957 mm (37-5/8 inch) long, fuel tank, used only on models with a cab

1шт.

26

178816A1

SEAL

757 mm (29-13/16 inch) long, cut from 235330A1 bulk seal, front, vertical, see below, used only on models with a cab

1шт.

27

178817A1

SEAL

540 mm (21-1/4 inch) long, cut from 235330A1 bulk seal, rear, vertical, see below, used only on models with a cab

1шт.

28

178818A1

SEAL

420 mm (16-1/2 inch) long, cut from 235330A1 bulk seal, front, horizontal, see below, used only on models with a cab

1шт.

29

161-105

HEX SOC SCREW,Btn Hd, 5/16" - 18 x 3/4"

BOLT hex socket button head, 5/16 NC x 3/4 inch, used only on models with a cab

16шт.

235330A1

RUBBER SEAL,7620mm L

bulk, 7620 mm (300 inch) long roll, used only on models with a cab

1шт.

Выбрано товаров: 34