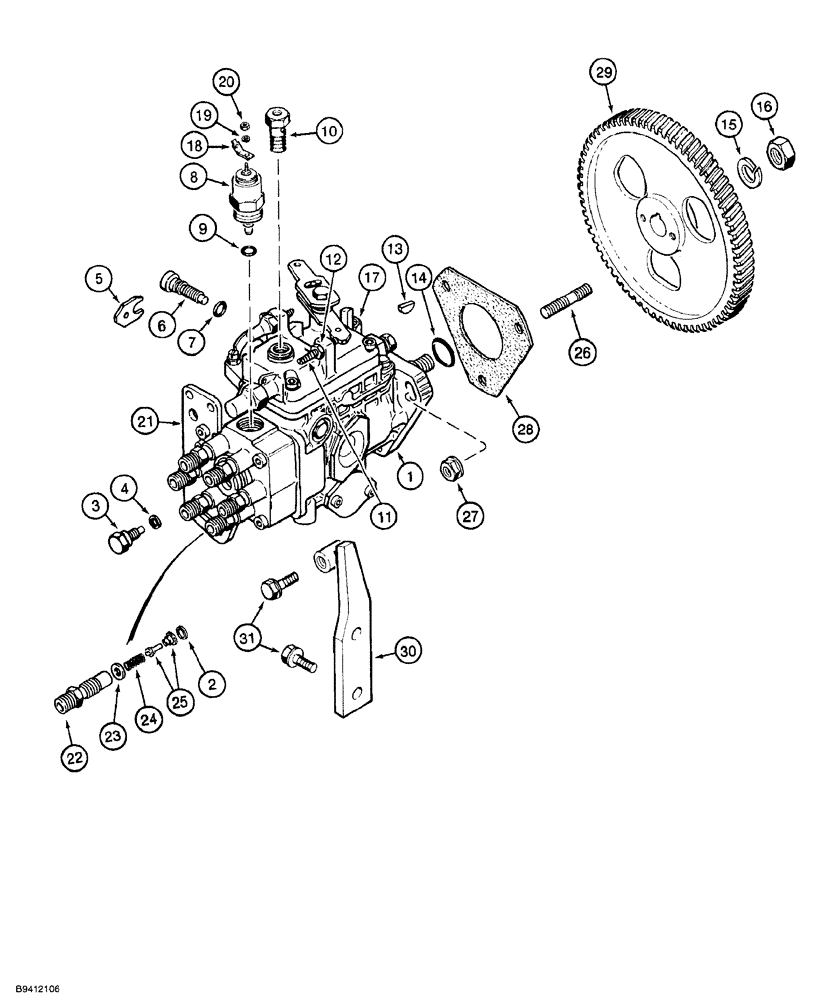
Запчасти Case 1150G (3-012) - FUEL INJECTION PUMP AND DRIVE, 6T-590 ENGINE, PRIOR TO JJG0218023 AND JJG0218024 - JJG0218478 (02) - FUEL SYSTEM

Схема запчастей Case 1150G - (3-012) - FUEL INJECTION PUMP AND DRIVE, 6T-590 ENGINE, PRIOR TO JJG0218023 AND JJG0218024 - JJG0218478 (02) - FUEL SYSTEM
2
13
31
25
24
10
17
29
21
14
11
28
19
12
6
26
30
16
22
1
9
4
5
7
3
23
8
20
18
27
15
FIT
1:1
100%

Артикул

Название

Примечание

Количество

1

J916934

PUMP, FUEL INJECTION

PUMP, INJECTION ASSY., fuel injection, new, Includes: Ref. 2 - 25

1шт.

1

JR916934

REMAN-INJECTION PUMP

Remanufactured Pump Assembly

1шт.

1

JC916934

CORE-INJECTION PUMP

Return Part Number

1шт.

1

JC917503

PUMP, FUEL INJECTION

Pump, Injection Return Part Number, use this part number to return pump core for credit when using a remanufactured assembly

1шт.

2

J903570

GASKET,5.4mm ID x 12mm OD x 1mm Thk

delivery valve

6шт.

3

J903572

BLEED SCREW,M8 x 1 x 23.10mm

vent

1шт.

4

3053133R1

SEALING RING,M8 x 11.5 x 1

Vent screw

1шт.

5

J904786

PLATE

timing lock

1шт.

6

J904784

SCREW,Hex Skt, M10 x 1 x 35mm

timing lock

1шт.

7

J904785

O-RING,8 mm ID x 2.5 mm

timing lock screw

1шт.

8

A77797

SOLENOID

shutdown, 24 volt, components not serviced separately

1шт.

9

J903577

SEAL

solenoid

1шт.

10

J905465

BANJO BOLT

BOLT banjo, overflow

1шт.

11

J904782

SET SCREW,Sl, M6 x 40mm, Half Dog Pt

low idle stop

1шт.

12

J904783

NUT

low idle screw

1шт.

13

126-112

WOODRUFF KEY,#6, 5/32" x 5/8", HT

1шт.

14

J920393

SEAL

shaft

1шт.

15

92-11056

LOCK WASHER,9/16"

1шт.

16

J903738

NUT

hex, special, 14 mm - 2.0

1шт.

17

J903382

ADAPTER,M12 x 1.5 x M14 x 1.5

tube

1шт.

18

A187990

TERMINAL CONNECTOR,Tin, 0.254 - 1.520mm

Male

1шт.

19

J907481

WASHER

lock, special

1шт.

20

J907480

NUT

special

1шт.

21

J905697

SUPPORT

BRACKET pump

1шт.

22

J910794

FITTING

bypass delivery valve

6шт.

23

3059066R1

WASHER,2.5mm ID x 7.3mm OD x 1.5mm Thk

special

6шт.

24

J910796

SPRING

delivery valve

6шт.

25

J910795

BY-PASS VALVE

delivery

6шт.

26

J902501

STUD

STUD pump mounting, 8 - 1.25 x 48 mm

3шт.

27

J900589

NUT

hex flange, special, 8 mm

3шт.

28

J914389

GASKET

pump mounting

1шт.

29

J936021

GEAR

pump drive, Replaces: J920594

1шт.

30

J905313

LEVER

BRACE fuel pump

1шт.

31

845-8020

BOLT,Hvy Hex, M8 x 20mm, Cl 8.8

3шт.

Выбрано товаров: 34