Запчасти Case 1150H (08-09) - HYDRAULICS - ANGLE CIRCUIT (08) - HYDRAULICS

Схема запчастей Case 1150H - (08-09) - HYDRAULICS - ANGLE CIRCUIT (08) - HYDRAULICS
6
5
16
18
19
15
1
24
21
18
16
3
12
21
24
25
17
13
16
14
3
15
23
7
8
18
15
2
27
11
17
14
26
22
23
17
17
2
4
14
10
25
9
FIT
1:1
100%

Артикул

Название

Примечание

Количество

Control, Serial Range: Valve-Grille

1шт.

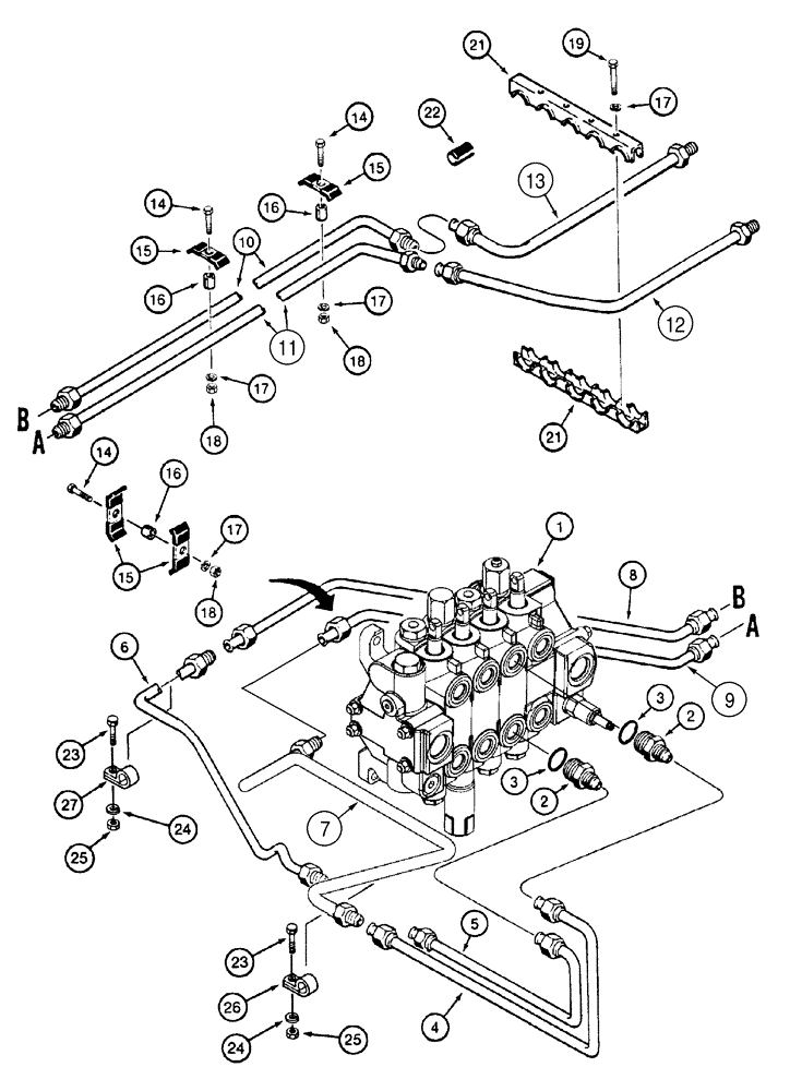
1

REF

INSTRUCTION

Valve, Control, See Figure 08-16

1шт.

2

218-5062

HYD CONNECTOR,7/8"-14, 37 Degree x 7/8"-14, O-Ring

7/8 fl x Or, Incl. 3

2шт.

3

237-6016

O-RING,0.116" Thk x 1.171" ID, -916, Cl 6, 90 Duro

1шт.

4

375609A1

TUBE

At Control Valve, Port A

1шт.

5

375611A1

TUBE

At Control Valve, Port B

1шт.

6

280759A1

TUBE,15.88 mm OD, 440, 165 mm Length

Upper, B Port

1шт.

7

233618A1

TUBE

Lower, A Port

1шт.

8

R38298

TUBE,0.625" OD x 23.7, 19" L

Upper, B Port

1шт.

9

R38257

TUBE,0.625" OD x 17.34, 16.5" L

Lower, A Port

1шт.

10

R52022

PIPE,0.625" OD

Left Hand, B Port

1шт.

11

R52024

PIPE,15.88 mm OD x 1298, 96 mm L

Right Hand, A Port

1шт.

12

R54631

PIPE,0.625" OD

Right Hand Outer, At Grille, A Port

1шт.

13

R51984

PIPE,15.88 mm OD x 128, 366 mm L

Left Hand Outer, At Grille, B Port

1шт.

14

413-524

BOLT,Hex, 5/16" - 18 x 1-1/2", Gr 5

3шт.

15

D40236

CLAMP

4шт.

16

D146035

SPACER,10.31mm ID x 16mm OD x 15.5mm L

3шт.

17

492-11031

LOCK WASHER,5/16"

5шт.

18

425-105

NUT,5/16"-18, G5

3шт.

19

413-532

BOLT,Hex, 5/16" - 18 x 2", Gr 5

2шт.

21

R41743

CLAMP

Two Piece

1шт.

22

R58328

BUSHING

Split, on Tube for Clamp Mounting

2шт.

23

413-616

BOLT,Hex, 3/8" - 16 x 1", Gr 5

2шт.

24

492-11038

LOCK WASHER,3/8"

2шт.

25

425-106

NUT,3/8"-16, Cl 5

2шт.

26

515-23159

CLAMP,5/8", Insul, 3/8" Bolt

1шт.

27

49771

CLAMP

1шт.

Выбрано товаров: 27