Запчасти Case 1150H (09-13) - HOOD (09) - CHASSIS

Схема запчастей Case 1150H - (09-13) - HOOD (09) - CHASSIS
11
25
13
21
21
11
19
10
31
19
7
6
23
4
5
14
20
14
18
19
16
22
8
7
4
23
12
24
10
2
22
9
15
18
15
7
1
6
3
10
13
20
17
FIT
1:1
100%

Артикул

Название

Примечание

Количество

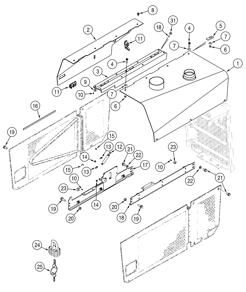
1

373430A1

PLATE ASSY.

Right Hand

1шт.

2

373003A1

HOOD

Left Hand

1шт.

3

369500A1

SLIDE

1шт.

4

160-104

BOLT,Hex, 3/8" - 16 x 1 3/4", Gr 8

1/2 x 1-1/4; 8

2шт.

5

356567A1

PLATE

1шт.

6

231-1446

NUT,3/8" - 16, Gr 5

2шт.

7

496-21053

WASHER,17/32" x 1 1/16" x .134"

2шт.

8

160-104

BOLT,Hex, 3/8" - 16 x 1 3/4", Gr 8

1/2 x 1-1/4; 8

6шт.

9

224-2806

SQUARE NUT,Sq, 3/8"-16, G2, Hvy

3/8

6шт.

10

336371A1

PIN,4.88mm OD x 14.23mm L

13шт.

11

356924A3

LATCH

Use Loctite No. 242

2шт.

B17422

LOCTITE

Loctite, No. 242, 50 ml

1шт.

12

189787A2

SHOCK ABSORBER

1шт.

13

F44882

BALL

Stud, 29.2 mm (1.1 In); If Used

2шт.

13

109498A1

STUD

Ball, 46.2 mm (1.8 in); If Used

2шт.

14

231-1445

NUT,5/16"-18, GB

2шт.

15

F44883

CLIP,DIN 71805 - S10

2шт.

16

R56995

PROTECTION STRIP

515 mm, Adhesive Back

1шт.

17

369503A1

ANGLE

Left Hand

1шт.

18

369506A1

ANGLE

Right Hand

1шт.

19

160-107

BOLT,Hex, 1/2" - 13 x 1 1/4", Gr 8, Full Thd

4шт.

20

231-1448

NUT,1/2"-13, GB

4шт.

21

160-106

BOLT,Hex, 1/2" - 13 x 1", Gr 8, Full Thd

Use Loctite No. 242

11шт.

B17422

LOCTITE

Loctite, No. 242, 50 ml

1шт.

22

R54996

SPACER

4шт.

23

224-2808

SQUARE NUT,Sq, 1/2"-13, G2, Hvy

7шт.

24

D93753

PADLOCK

Incl. 26

1шт.

25

R29555

KEY

For Master Padlock Only

2шт.

25

D93751

SET OF 2 KEYS

For Yale Padlock Only

2шт.

Выбрано товаров: 29