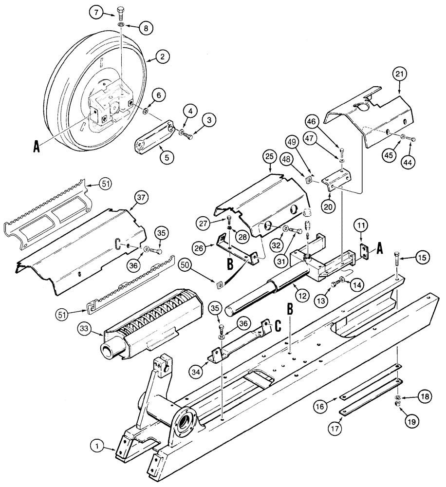
Запчасти Case 1150H (05-02) - IDLER - RECOIL SYSTEM (11) - TRACKS/STEERING

Схема запчастей Case 1150H - (05-02) - IDLER - RECOIL SYSTEM (11) - TRACKS/STEERING
31
8
6
1
12
51
35
51
27
34
36
46
20
19
2
18
45
37
11
32
26
50
4
28
14
44
33
13
17
35
25
7
3
36
5
16
48
21
49
15
47
FIT
1:1
100%

Артикул

Название

Примечание

Количество

1

REF

INSTRUCTION

Frame, See Figure 05-01, Right Hand Frame Shown in Illustration

2шт.

2

366245A1

FRONT IDLER

See Figure 05-05

2шт.

3

413-1228

BOLT,Hex, 3/4" - 10 x 1-3/4", Gr 5

8шт.

4

D34666

WASHER,33.34mm ID x 63.5mm OD x 2.38mm Thk

8шт.

5

R56668

LARGE PLATE

PLATE, LARGE

4шт.

6

D35268

SHIM,1/32" Thk

1шт.

7

413-620

BOLT,Hex, 3/8" - 16 x 1-1/4", Gr 5

8шт.

8

495-21044

WASHER,3/8"

(7/16 x 1 x 5/64)

8шт.

11

R37875

SHIM,0.813mm Thk

(.032")

1шт.

12

R45460

TENSIONER

Track, See Figure 05-04

2шт.

13

107-9824

LOCK BOLT,Locking, 1/2"-13 x 1 1/2", G8

8шт.

14

496-21053

WASHER,17/32" x 1 1/16" x .134"

8шт.

15

413-1040

BOLT,Hex, 5/8" - 11 x 2-1/2", Gr 5

8шт.

16

R25691

SHIM

0,762 mm (0,030 in)

1шт.

17

R40782

PLATE

Wear

4шт.

18

492-11062

BEARING WASHER,5/8"

8шт.

19

425-1010

NUT,5/8"-11, G5

8шт.

20

368268A1

BRACKET

4шт.

21

R57292

COVER

Yoke, Track Adjuster

1шт.

25

R45557

COVER

Track Adjuster

2шт.

26

368149A1

BRACKET

4шт.

27

413-824

BOLT,Hex, 1/2" - 13 x 1-1/2", Gr 5

8шт.

28

80679

LOCK WASHER,1/20.507 CST ZND

8шт.

31

106-91020

LOCK BOLT,Locking, 5/8"-11 x 1 1/4", G5, Full Thd

8шт.

32

496-21066

WASHER,16.6mm ID x 33.5mm OD x 3.8mm Thk

8шт.

33

R57728

TENSIONER

Recoil

2шт.

34

R45634

SUPPORT

4шт.

35

413-1028

BOLT,Hex, 5/8" - 11 x 1-3/4", Gr 5

5/8 x 1-3/4

16шт.

36

496-21066

WASHER,16.6mm ID x 33.5mm OD x 3.8mm Thk

16шт.

37

R45472

COVER

Housing

2шт.

44

413-824

BOLT,Hex, 1/2" - 13 x 1-1/2", Gr 5

8шт.

45

496-21053

WASHER,17/32" x 1 1/16" x .134"

8шт.

46

413-816

BOLT,Hex, 1/2" - 13 x 1", Gr 5

8шт.

47

495-11053

WASHER,1/2", SAE

(17/32" x 1-1/16" x 3/32")

8шт.

48

224-2808

SQUARE NUT,Sq, 1/2"-13, G2, Hvy

8шт.

49

336371A1

PIN,4.88mm OD x 14.23mm L

8шт.

50

224-28010

SQUARE NUT,Sq, 5/8"-11, G2, Hvy

5/8

8шт.

51

380713A1

STEP

Step, If Equipped

2шт.

Выбрано товаров: 38