Запчасти Case 1150H (05-09) - TRACK CHAIN, CASE LUBRICATED (11) - TRACKS/STEERING

Схема запчастей Case 1150H - (05-09) - TRACK CHAIN, CASE LUBRICATED (11) - TRACKS/STEERING
5
2
20
8
3
19
1
25
27
6
24
16
4
12
23
21
18
9
7
26
17
27
13
25
15
22
FIT
1:1
100%

Артикул

Название

Примечание

Количество

Each Master Link Has One Bolt Hole

1шт.

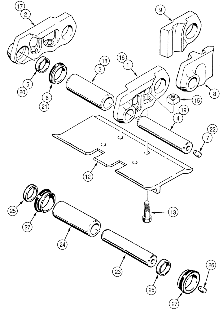
R56707

CHAIN (CE)

Track, Case Lubricated, Consists Of 1 - 11

2шт.

1

R51185

DRAG LINK

Right Hand

42шт.

2

R51186

CHAIN LINK

Left Hand

42шт.

3

R51191

BUSHING,36.9mm ID x 58.77mm OD x 128.8mm L

59 mm (2-5/16 in) OD

43шт.

4

R51192

PIN,36.58mm OD x 206.5mm L

43шт.

5

R51193

SPACER

86шт.

6

R51194

SEAL,42.1mm ID x 59mm OD x 12.5mm Thk

86шт.

7

R50441

PLUG

43шт.

R56709

LINK

Master, Right Hand, Consists Of 8, 9, For Service Order 199944A1, 199945A1, See Figure 05-10

1шт.

8

NSS

NOT SOLD SEPARAT

Link, Fits Over Track Pin on Outside of Regular Track Link

1шт.

9

NSS

NOT SOLD SEPARAT

Link, Fits Over Bushing on Inside of Regular Track Link

1шт.

R56708

LINK

Master, Left Hand, Incl. 10, 11, For Service Order 199944A1, 199945A1, See Figure 05-10

1шт.

10

NSS

NOT SOLD SEPARAT

Link, Fits Over Track Pin on Outside of Regular Track Link, Not Illustrated

1шт.

11

NSS

NOT SOLD SEPARAT

Link, Fits Over Bushing on Inside of Regular Track Link, Not Illustrated

1шт.

12

178831A1

TRACK SHOE

508 mm (20 in)

86шт.

12

178832A1

TRACK SHOE

559 mm (22 in)

86шт.

12

178833A1

TRACK SHOE

711 mm (28 in)

86шт.

12

178834A1

TRACK SHOE

864 mm (34 in)

86шт.

13

R27166

BOLT

5/8 NF x 2-3/16

344шт.

15

R25688

SQUARE NUT

5/8 NF, Not Used on Master Link Bolts

336шт.

Chain Unit Kit

1шт.

253779A1

Includes Instructions, Incl. 16 - 22

1шт.

253780A1

Incl. 16 - 18

1шт.

16

R51185

DRAG LINK

Right Hand

1шт.

17

R51186

CHAIN LINK

Left Hand

1шт.

18

R51191

BUSHING,36.9mm ID x 58.77mm OD x 128.8mm L

59 mm (2-5/16 in) OD

1шт.

19

R51192

PIN,36.58mm OD x 206.5mm L

2шт.

20

R51193

SPACER

4шт.

21

R51194

SEAL,42.1mm ID x 59mm OD x 12.5mm Thk

4шт.

22

R50441

PLUG

2шт.

Pin and Bushing Kit

1шт.

Services Complete Track Chain for Both Sides of Tractor

1шт.

R51731

KIT

Pin and Bushing, Includes Instructions, Incl. 23 - 28

1шт.

23

R51192

PIN,36.58mm OD x 206.5mm L

86шт.

24

R51191

BUSHING,36.9mm ID x 58.77mm OD x 128.8mm L

59 mm (2-5/16 in) OD

86шт.

25

R51193

SPACER

172шт.

26

R50441

PLUG

86шт.

27

R51194

SEAL,42.1mm ID x 59mm OD x 12.5mm Thk

172шт.

28

345-140

SEALANT

No. 847, 1 Pint, For Link Pin Bores, Not Illustrated

1шт.

Выбрано товаров: 0