Запчасти Case 1150H (04-09) - HARNESS, FRONT (04) - ELECTRICAL SYSTEMS

Схема запчастей Case 1150H - (04-09) - HARNESS, FRONT (04) - ELECTRICAL SYSTEMS
3
6
13
12
8
12
11
7
1
2
6
5
4
11
10
14
6
11
1
9
FIT
1:1
100%

Артикул

Название

Примечание

Количество

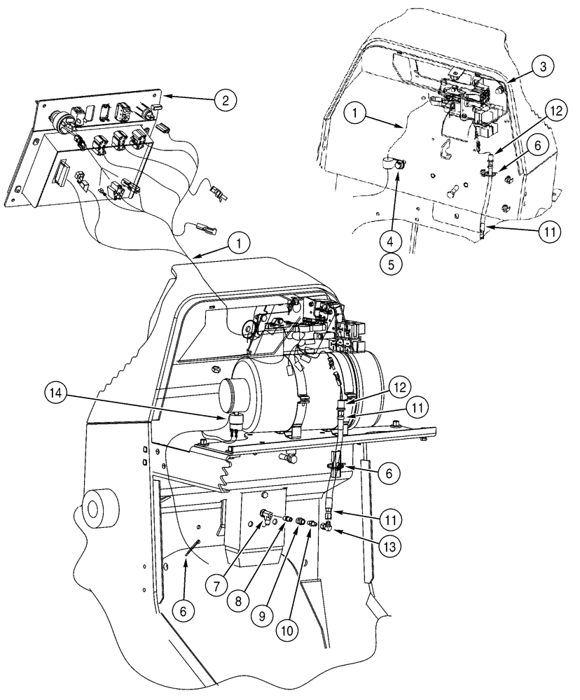
Front Harness at Cowl

1шт.

1

338943A2

HARNESS

Front, W/ Trans Pressure Connector, 230 mm (9.0") Length

1шт.

2

REF

INSTRUCTION

Panel, Instrument, See Figure 04-06

1шт.

3

REF

INSTRUCTION

Mount, Fuse and Relay, See Figure 04-08

1шт.

4

D34033

CLAMP

1-3/16 ID

1шт.

5

160-106

BOLT,Hex, 1/2" - 13 x 1", Gr 8, Full Thd

1шт.

6

L18337

CABLE TIE,9.95"-12.1" lg

CABLE STRAP 15 in

1шт.

7

REF

INSTRUCTION

Tee, See Figure 07-02

1шт.

8

D36264

FITTING

; If Used

1шт.

8

116195A1

CHECK VALVE

; If Used

1шт.

9

217-1100

UNION,1/8" - 27 NPT x 1/8" - 27 NPT

Coupling 1/8 PT; If Used

1шт.

9

218-1022

HYD CONNECTOR,7/16"-20, 37 Degree x 1/4"-18, NPTF

Adapter, 1/4 x 1/4 - 18 NPTF; If Used

1шт.

10

218-441

HYD CONNECTOR,7/16" - 20 Male JIC x 1/8" - 27 Male NPTF

7/16 fl x 1/8 PT

1шт.

11

398130A1

HOSE

250 mm Length; Replaces 370148A1, 305 mm (12 in) Length, Pressure Accumulator Hose, Used On Some Models

1шт.

12

336005A1

SWITCH

Transmission Pressure

1шт.

13

218-5228

ELBOW,90 Degree, 7/16"-20, 37 Degree x 7/16"-20, 37 Degree Fem Sw

7/16 fl x sw

1шт.

14

292740A1

RESTRICTION SWITCH

Air Restriction, See Figure 02-06

1шт.

Выбрано товаров: 17