Запчасти Case 1150H (04-12) - HARNESSES - FRONT AND REAR (04) - ELECTRICAL SYSTEMS

Схема запчастей Case 1150H - (04-12) - HARNESSES - FRONT AND REAR (04) - ELECTRICAL SYSTEMS
3
8
2
1
7
1
11
15
9
6
16
8
10
8
5
8
8
7
8
FIT
1:1
100%

Артикул

Название

Примечание

Количество

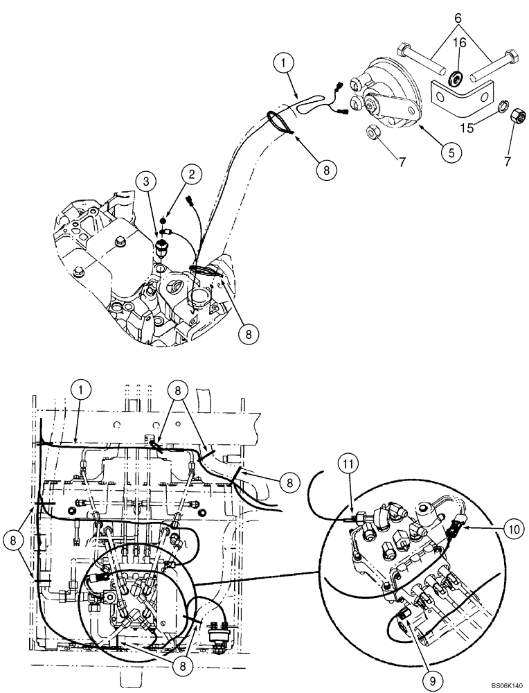
Front Harness to Horn and Front Harness Mounting to Control Valve

1шт.

1

338943A2

HARNESS

Front, W/ Trans Pressure Connector, 230 mm (9.0") Length

1шт.

2

193-1000

NUT,Keps, w/LW,#10-32

No. 10 NF

1шт.

3

A166057

TEMPERATURE SENDER,1/2" - 14 NPTF

Coolant Temperature

1шт.

5

237582A1

HORN

1шт.

6

413-516

BOLT,Hex, 5/16" - 18 x 1", Gr 5

2шт.

7

425-105

NUT,5/16"-18, G5

2шт.

8

L18337

CABLE TIE,9.95"-12.1" lg

CABLE STRAP 15 in

1шт.

9

REF

INSTRUCTION

12V, Solenoid, Two Speed, See Figure 06-13

1шт.

10

REF

INSTRUCTION

12V, Solenoid, Brake, See Figure 06-11

1шт.

11

REF

INSTRUCTION

Switch, Pressure, Backup Alarm, See Figure 04-18, 06-14

1шт.

12

341258A1

BRACKET

1шт.

15

492-11031

LOCK WASHER,5/16"

2шт.

16

495-21038

WASHER,5/16"

(flat, 3/8 x 7/8 x 3/32")

1шт.

Выбрано товаров: 14