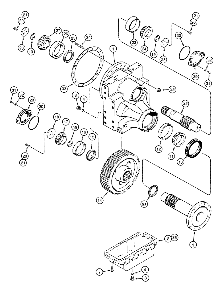
Запчасти Case 1150H (06-10) - TRANSMISSION - FINAL DRIVE (06) - POWER TRAIN

Схема запчастей Case 1150H - (06-10) - TRANSMISSION - FINAL DRIVE (06) - POWER TRAIN
16
9a
26
3
18
9
17
20
19
23
21
34
10
28
2
33
32
31
20
25
15
11
21
27
19
28
31
36
29
30
1
21
30
29
12
14
4
35
22
7
32
24
20
4
19
3
FIT
1:1
100%

Артикул

Название

Примечание

Количество

376308A1

TRANSMISSION

Incl. 1 - 36, For Complete Assembly, See Figure 06-04 - 06-16, 07-03

1шт.

G101538

DRIVE

Final, Incl. 1 - 32

2шт.

1

G101310

HOUSING

1шт.

2

1348872C1

COVER

Lower

1шт.

3

71100209

PLUG,Hex Soc, 3/4"-16 ORB

If Equipped, Incl Ref 4

2шт.

4

237-6008

O-RING,0.087" Thk x 0.644" ID, -908, Cl 6, 90 Duro

1шт.

7

180-610

12 PT SCREW,Flg, 1/2" - 13 x 1 1/2", Gr 8

1/2 x 1-1/2; 8

10шт.

9

A51451

SHAFT

Final Drive

1шт.

9a

101-11393

SNAP RING,#393, 3.713, Ext

No. 393

1шт.

10

G109655

SEAL

1шт.

11

L33736

ROLLER BEARING

Outer

1шт.

12

L33731

BEARING CUP,154.9 mm OD x 27.9 mm

1шт.

14

G100294

GEAR

Drive

1шт.

15

A50721

SPACER

Inner

1шт.

16

160301R1

BEARING ASSY,133.35mm OD x 32.55mm W

Inner

1шт.

17

1997115C1

TAPERED BEARING,82.575 mm ID x 39.738 mm

Inner

1шт.

18

1997098C1

PLATE

Retaining

1шт.

19

G101997

SHIM,.005" Thk

(0.127 mm)

1шт.

19

G101998

SHIM,.007" Thk

(0.178 mm)

1шт.

19

G101999

SHIM,.020" Thk

(0.508 mm)

1шт.

20

110-14

LOCK BOLT,Locking, 9/16"-18 x 1 1/4", G8, Full Th

Use Loctite No. 271

9шт.

21

B17423

LOCTITE

Loctite, No. 271, 50 ml

1шт.

22

G109013

SHAFT

1шт.

23

107580R1

TAPERED BEARING,2.375" ID x 5.375" OD x 1.8125"

Outer

1шт.

24

1997116C1

TAPERED BEARING,82.575 mm ID x 39.738 mm

Outer

1шт.

25

A32015

SEAL,82.55mm ID x 114.3mm OD x 11.91mm Thk

1шт.

26

921683C1

BEARING CUP,5.7087" OD x 1.6535"

Inner

1шт.

27

921684C1

BEARING ASSY,2.9528" ID x 5.7087" OD x 2.0079"

Inner

1шт.

28

1997098C1

PLATE

Retaining

2шт.

29

G102521

COVER

2шт.

30

238-5252

O-RING,0.139" Thk x 5.234" ID, -252, Cl 5, 75 Duro

2шт.

31

413-816

BOLT,Hex, 1/2" - 13 x 1", Gr 5

4шт.

32

G49404

WASHER

4шт.

33

A50726

SHIM,.005" Thk

(0.127 mm)

1шт.

33

A50725

SHIM,.007" Thk

(0.178 mm)

1шт.

33

1997090C1

SHIM

0,508 mm (0,02 in)

1шт.

34

A50592

STUD

5/8 x 2-3/4

34шт.

35

232-41110

NUT,5/8"-11, GC

34шт.

36

B17501

LOCTITE

Loctite, No. 515, 6 ml, Gasket, Used With 2

1шт.

G101834

DRIVE

Final Drive, For One Side Only, Incl. 10 - 12, 16, 17, 19, 23 - 28, 30, 33, Plus Additional Parts Not Used in This Application

1шт.

238104A1

SEAL KIT

Kit, Incl. 33, For Additional Components, See Figure 06-04 - 06-07, 06-15, 07-03

1шт.

Выбрано товаров: 41