Запчасти Case 1150H_IND (08-06) - HYDRAULICS - LIFT CIRCUIT (08) - HYDRAULICS

Схема запчастей Case 1150H_IND - (08-06) - HYDRAULICS - LIFT CIRCUIT (08) - HYDRAULICS
7
9
3
9
17
2
13
11
13
8
11a
12a
10
15
3
10
8
5
20
2
10
9
12
16
1
19
4
6
11
12
14
18
9
FIT
1:1
100%

Артикул

Название

Примечание

Количество

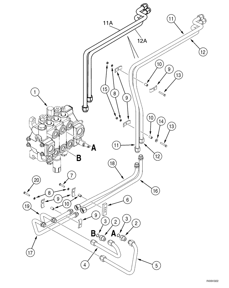
Control Valve and Tubes to Radiator Shroud

1шт.

1

REF

INSTRUCTION

Valve, Control, See Figure 08-16

1шт.

2

218-5046

HYD CONNECTOR,1-5/16" - 12 Male JIC x 7/8" - 14 Male ORB

1-5/16 fl x 7/8 Or, Incl. 3

2шт.

3

237-6010

O-RING,0.097" Thk x 0.755" ID, -910, Cl 6, 90 Duro

1шт.

4

375656A1

TUBE

Lower, B Port

1шт.

5

375654A1

TUBE

Upper, A Port

1шт.

6

R27517

BLOCK

1шт.

7

413-628

BOLT,Hex, 3/8" - 16 x 1-3/4", Gr 5

1шт.

8

492-11038

LOCK WASHER,3/8"

1шт.

9

D40236

CLAMP

1шт.

10

D143412

SPACER,10.31mm ID x 15.81mm OD x 23.88mm L

1шт.

11

375660A1

TUBE,25.4 mm OD, 1167, 646.55 mm Length

Lower, A Port; No Longer Available, Order 375660A2, Ref 11A

1шт.

11a

375660A2

TUBE,25.4 mm OD, 1167, 572.4 mm Length

Lower, A Port

1шт.

12

375658A1

TUBE,25.4 mm OD, 1147.04, 531.8 mm Length

Upper, A Port; No Longer Available, Order 375658A2, Ref 12A

1шт.

12a

375658A2

TUBE,25.4 mm OD, 1147, 510.8 mm Length

Upper, A Port

1шт.

13

413-636

BOLT,Hex, 3/8" - 16 x 2-1/4", Gr 5

1шт.

14

D41740

WASHER

3/8

1шт.

15

425-106

NUT,3/8"-16, Cl 5

1шт.

16

220233A1

TUBE,25.4 mm OD

A Port; Used With 17

1шт.

17

233606A1

TUBE

A Port; Used With 16

1шт.

18

220228A1

TUBE

B Port; Used With 19

1шт.

19

233610A1

TUBE

B Port; Used With 18

1шт.

20

413-632

BOLT,Hex, 3/8" - 16 x 2", Gr 5

1шт.

Выбрано товаров: 23