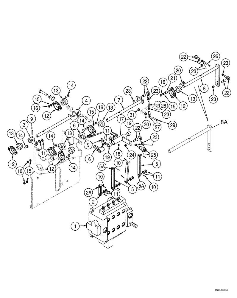
Запчасти Case 1150H_IND (08-18) - CONTROLS - CONTROL VALVE AND LINKAGE (08) - HYDRAULICS

Схема запчастей Case 1150H_IND - (08-18) - CONTROLS - CONTROL VALVE AND LINKAGE (08) - HYDRAULICS
13
29
12
22
23
27
14
9
14
26
11
15
22
8
23
19
23
8a
15
5a
15
13
12
22
19
10
30
16
17
11
5
18
3
10
11
16
24
1
6
16
23
2a
14
7
12
16
12
11
10
6
13
14
23
23
5
25
15
4
13
28
22
5a
13
2
31
9
23
20
14
21
FIT
1:1
100%

Артикул

Название

Примечание

Количество

Models With Four Spool Control Valve

1шт.

1

225601A2

VALVE, CONTROL

4 spool, See Figure 08-21

1шт.

2

375188A1

LINK ASSY.

Short, Incl. 2A

1шт.

2a

139220A1

CLEVIS PIN

2шт.

3

372134A1

LINK ASSY.

1шт.

4

371212A1

BAR ASSY.

Tilt Control

1шт.

5

236898A1

LINK

Long, Incl. 5A

3шт.

5a

139220A1

CLEVIS PIN

2шт.

6

233580A1

ARM

2шт.

7

370855A2

SHAFT

Lift Control, Replaces 370855A1

1шт.

8

231314A2

SHAFT

Angle Control, No Longer Avaliable, Order 231314A3 Ref.8A

1шт.

8a

231314A3

SHAFT

Angle Control

1шт.

9

38-31620

PIN,6.35mm OD x 31.75mm L

3шт.

10

432-612

COTTER PIN,3/32" x 3/4"

8шт.

11

495-11041

WASHER,0.406" ID x 0.812" OD x 0.065" W

(13/32 x 13/16 x 1/16")

16шт.

12

F13360

FLANGE

12шт.

13

R36380

BALL BEARING,19.05 mm ID x 47 mm OD x 15, 30.96 mm

3/4

6шт.

14

411-516

CARRIAGE BOLT,Sq Nk, 5/16" - 18 x 1", Gr 2

10шт.

15

492-11031

LOCK WASHER,5/16"

12шт.

16

425-105

NUT,5/16"-18, G5

12шт.

17

233582A1

ARM

Ripper Controls, Incl. 18, 19

1шт.

18

219-8

LUBE NIPPLE,1/4" - 28 NPTF

1шт.

19

R52129

BRONZE BUSHING

BRONZE BUSH Use Loctite No. 609

2шт.

B17069

LOCTITE

No. 609, 50ml

1шт.

20

411-524

CARRIAGE BOLT,Sq Nk, 5/16" - 18 x 1 1/2", Gr 2

2шт.

21

R56431

SPACER

2шт.

22

H289652

BALL JOINT,5/16" - 24 x 1-3/8" L

5/16 NF

4шт.

23

232-4605

LOCK NUT,5/16"-24, GC

5шт.

24

425-115

NUT,5/16"-24, G5

Use Loctite No. 242

5шт.

B17422

LOCTITE

No. 242, 50 ml

1шт.

25

R47939

ROD

5/16 NF, Male

1шт.

26

377402A1

ROD

2-7/8 inch; Replaces S97451, 2-1/2 inch Rod

1шт.

27

R47498

END

Female

1шт.

28

371818A1

STUD

1шт.

29

413-528

BOLT,Hex, 5/16" - 18 x 1-3/4", Gr 5

1шт.

30

374334A1

SPACER

1шт.

31

231-1445

NUT,5/16"-18, GB

1шт.

Выбрано товаров: 0