Запчасти Case 1150H_IND (09-08) - SHAFT, PIVOT (09) - CHASSIS/ATTACHMENTS

Схема запчастей Case 1150H_IND - (09-08) - SHAFT, PIVOT (09) - CHASSIS/ATTACHMENTS
7
6
2
5
4
1
9
8
7
12
10
5
11
8
7
3
FIT
1:1
100%

Артикул

Название

Примечание

Количество

1575 mm (62 inch) Gauge Long Track (LT) Models

1шт.

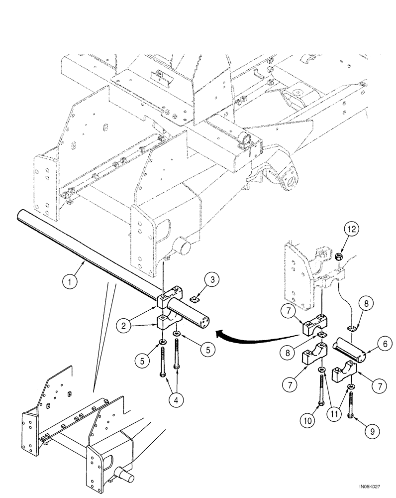
1

R26860

SHAFT

Pivot

1шт.

2

R49332

CLAMP

8шт.

3

R26802

SPACER

4шт.

4

413-16136

BOLT,Hex, 1" - 8 x 8-1/2", Gr 5

1 x 8-1/2

8шт.

5

D30196

WASHER

8шт.

1880 mm (74 inch) Gauge Wide Track (WT) or Low Ground Pressure (LGP) Models

1шт.

6

R31363

SHAFT

Pivot

1шт.

7

R49332

CLAMP

6шт.

8

R26802

SPACER

4шт.

9

413-16128

BOLT,Hex, 1" - 8 x 8", Gr 5

1 x 8, Clamp, Outer

4шт.

10

413-16136

BOLT,Hex, 1" - 8 x 8-1/2", Gr 5

1 x 8-1/2, Clamp, Inner

4шт.

11

D30196

WASHER

8шт.

12

425-1016

NUT,1"-8, G5

Clamp, Outer

4шт.

Выбрано товаров: 14