Запчасти Case 1150H_IND (09-15) - GUARD, RADIATOR - GRILLE AND SCREEN (09) - CHASSIS/ATTACHMENTS

Схема запчастей Case 1150H_IND - (09-15) - GUARD, RADIATOR - GRILLE AND SCREEN (09) - CHASSIS/ATTACHMENTS
8
34
32
22
23
31
27
24
30
7
26
39
18
32
21
19
34
4
34
12
38
27
15
18
35
20
24
14
34
15
37
13
1
32
31
10
33
17
40
23
3
11
36
9
6
25
24
32
23
28
16
33
33
29
5
23
23
19
24
2
FIT
1:1
100%

Артикул

Название

Примечание

Количество

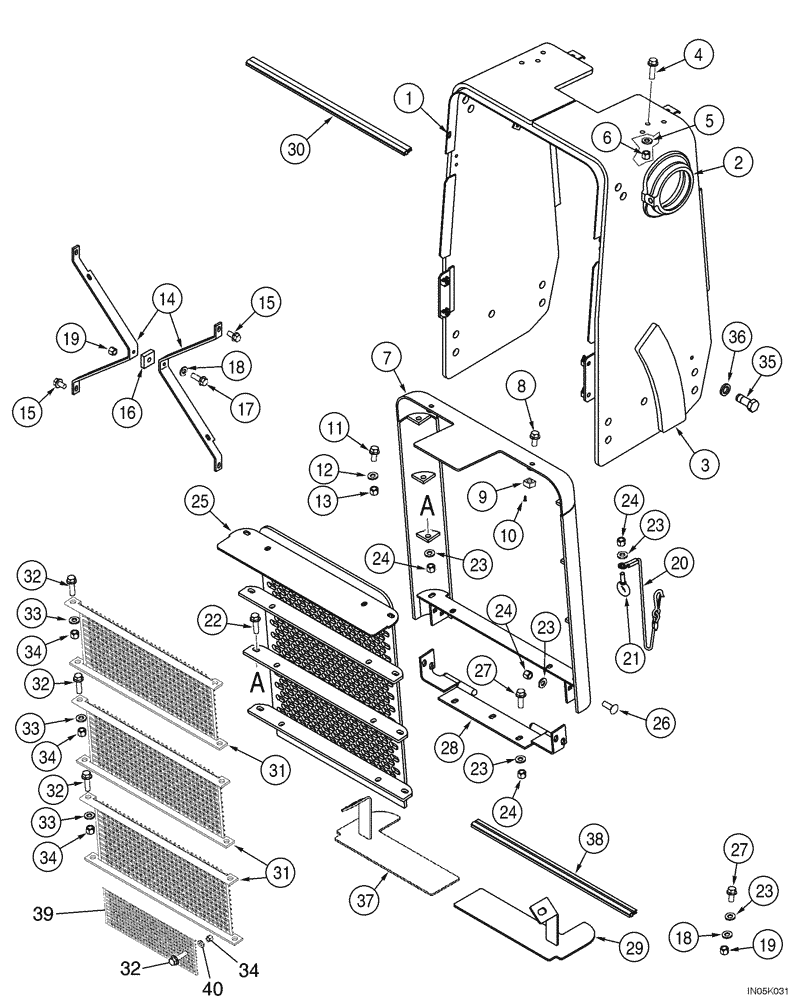
1

369490A1

FRAME ASSY

Radiator, Incl. 2, 3

1шт.

2

R54811

CYLINDER END CAP

Welded On

2шт.

3

R54773

LARGE PLATE

PLATE, LARGE Welded On

2шт.

4

160-109

BOLT,Hex, 1/2" - 13 x 1 3/4", Gr 8

1/2 x 1-3/4; 8

6шт.

5

496-21053

WASHER,17/32" x 1 1/16" x .134"

6шт.

6

231-1448

NUT,1/2"-13, GB

6шт.

7

369484A1

FRAME ASSY

1шт.

8

160-108

BOLT,Hex, 1/2" - 13 x 1 1/2", Gr 8, Full Thd

1/2 x 1-1/2; 8

2шт.

9

224-2808

SQUARE NUT,Sq, 1/2"-13, G2, Hvy

2шт.

10

336371A1

PIN,4.88mm OD x 14.23mm L

2шт.

11

160-102

BOLT,Hex, 3/8" - 16 x 1", Gr 8, Full Thd

1шт.

12

496-21053

WASHER,17/32" x 1 1/16" x .134"

1шт.

13

231-1446

NUT,3/8" - 16, Gr 5

1шт.

14

175229A1

BRACE

2шт.

15

160-106

BOLT,Hex, 1/2" - 13 x 1", Gr 8, Full Thd

4шт.

16

371059A1

SPACER

1шт.

17

160-110

BOLT,Hex, 1/2" - 13 x 2", Gr 8

1шт.

18

80679

LOCK WASHER,1/20.507 CST ZND

3шт.

19

425-108

NUT,1/2" - 13, Gr 5

3шт.

20

378924A1

CABLE

1шт.

21

380231A1

EYEBOLT

BOLT, EYE 1/2

1шт.

22

160-109

BOLT,Hex, 1/2" - 13 x 1 3/4", Gr 8

1/2 x 1-3/4; 8

7шт.

23

496-21053

WASHER,17/32" x 1 1/16" x .134"

17шт.

24

231-1448

NUT,1/2"-13, GB

15шт.

25

369479A1

SIEVE

Grill

1шт.

26

433-824

CARRIAGE BOLT,Sq Nk, 1/2" - 13 x 1 1/2", Gr 5

4шт.

27

160-108

BOLT,Hex, 1/2" - 13 x 1 1/2", Gr 8, Full Thd

1/2 x 1-1/2; 8

3шт.

28

369498A1

SLIDE

Grille

1шт.

29

371057A2

PLATE ASSY.

Lower, Right Hand

1шт.

30

371060A1

SEAL

737 mm (29 in)

1шт.

31

370810A1

SCREEN

Radiator Brush, If Equipped

3шт.

32

160-104

BOLT,Hex, 3/8" - 16 x 1 3/4", Gr 8

1/2 x 1-1/4; 8

11шт.

33

496-11041

WASHER,13/32" x 13/16" x .065", HDN

0.406 X.812 X.065 YZD

8шт.

34

231-1446

NUT,3/8" - 16, Gr 5

11шт.

35

107-91640

LOCK BOLT,Locking, 1"-8 x 2 1/2", G8

10шт.

36

D30196

WASHER

10шт.

37

389930A1

PLATE ASSY.

Lower, Left Hand

1шт.

38

389954A1

SEAL

340 mm (13-1/2 in)

2шт.

39

395570A1

SCREEN

Lower Brush

1шт.

40

39519

WASHER,10.31mm ID x 34.9mm OD x 3.57mm Thk

0.406 X 1.38

6шт.

Выбрано товаров: 40