Запчасти Case 1150H_IND (04-08) - FUSE AND RELAY - MOUNTING (04) - ELECTRICAL SYSTEMS

Схема запчастей Case 1150H_IND - (04-08) - FUSE AND RELAY - MOUNTING (04) - ELECTRICAL SYSTEMS
18
24
3
16
14
19
23
25
7
4
5
21
22
8
13
5a
2
17
18b
12
14
6
9
1
4
5
18a
20
15
11
14
16
10
13
FIT
1:1
100%

Артикул

Название

Примечание

Количество

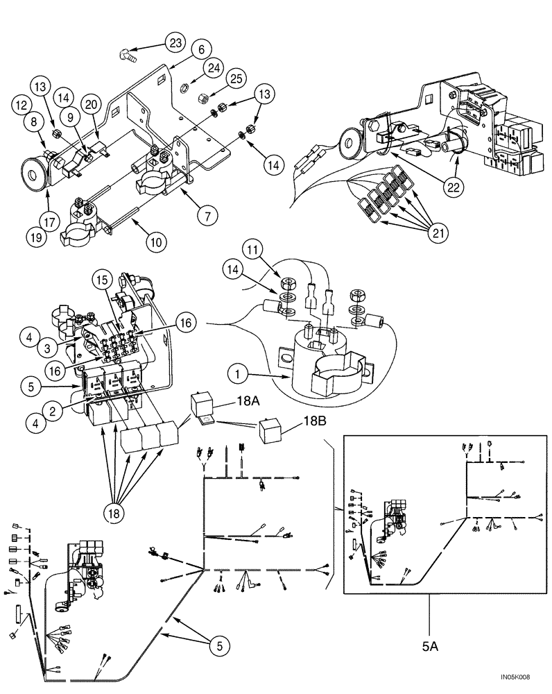
1

120399A1

RELAY

100 amp, Starter, Ignition Pump Shutoff Solenoid

2шт.

2

140-106

SCREW,Cross Pan Hd, #10 - 24 x 1/2"

2шт.

3

140-107

SCREW,Pan HD, #10 - 24 x 3/4"

2шт.

4

86625057

NUT,#10-24, GB

4шт.

5

338943A1

HARNESS

Front; No Longer Available, Order 338943A2 Harness, Ref. 5A

1шт.

5a

338943A2

HARNESS

Front

1шт.

6

372061A1

BRACKET

Mounting, Relay And Fuse

1шт.

7

372610A1

SPACER

2шт.

8

614-10025

BOLT,Hex, M10 x 1.5 x 25mm, Cl 8.8

1шт.

9

814-6035

BOLT,Hex, M6 x 1 x 35mm, Cl 8.8

1шт.

10

814-6060

BOLT,Hex, M6 x 1 x 60mm, Cl 8.8

2шт.

11

829-1406

NUT,Hex, M6 x 1, Cl 10.9

M6; 10.9

4шт.

12

829-1410

NUT,M10 x 1.5, Cl 10.9

1шт.

13

832-10406

NUT,M6 x 1, Cl 8

3шт.

14

895-11006

WASHER,6.6mm ID x 12mm OD x 1.6mm Thk

7шт.

15

A149800

FUSE,10 Amp

10 amp

3шт.

16

A149804

FUSE

30 amp

2шт.

16a

A149804

FUSE

30 amp, Not Illustrated; Used With, Air Suspension Seat

1шт.

17

D120561

CLAMP

1шт.

18

D128310

RELAY

30 amp, No Longer Available, Order 314451A1, Ref. 18A

5шт.

18a

314451A1

RELAY

45 amp; If Used

5шт.

18b

87436836

RELAY,12V, 40 Amp

Mini 12V 40A; If Used

5шт.

19

D137468

BUZZER

Warning

1шт.

20

F22316

RESISTOR,75 Ohms 0.2 Amps DC

75 ohm

1шт.

21

L71879

DIODE ELEMENT,400V, 3A

5шт.

22

L18337

CABLE TIE,9.95"-12.1" lg

CABLE STRAP 15 in

4шт.

23

434-820

CARRIAGE BOLT,Sht Sq Nk, 1/2" - 13 x 1 1/4", Gr 5

1/2 x 1-1/4

2шт.

24

80679

LOCK WASHER,1/20.507 CST ZND

2шт.

25

425-108

NUT,1/2" - 13, Gr 5

2шт.

26

D128310

RELAY

30 amp, No Longer Available, Order 314451A1, Ref. 27, Not Illustrated; Used With, Air Suspension Seat

1шт.

27

314451A1

RELAY

45 amp, Not Illustrated; Used With, Air Suspension Seat; If Used

1шт.

28

87436836

RELAY,12V, 40 Amp

Mini 12V 40A, Not Illustrated; Used With, Air Suspension Seat; If Used

1шт.

Выбрано товаров: 0