Запчасти Case 1150H_IND (04-12) - HARNESSES - FRONT AND REAR (04) - ELECTRICAL SYSTEMS

Схема запчастей Case 1150H_IND - (04-12) - HARNESSES - FRONT AND REAR (04) - ELECTRICAL SYSTEMS
8
7
8
13
13
1
12
8
8
3
5
6
2
7
6
10
6
1
9
8
14
4
11
7
5
8
FIT
1:1
100%

Артикул

Название

Примечание

Количество

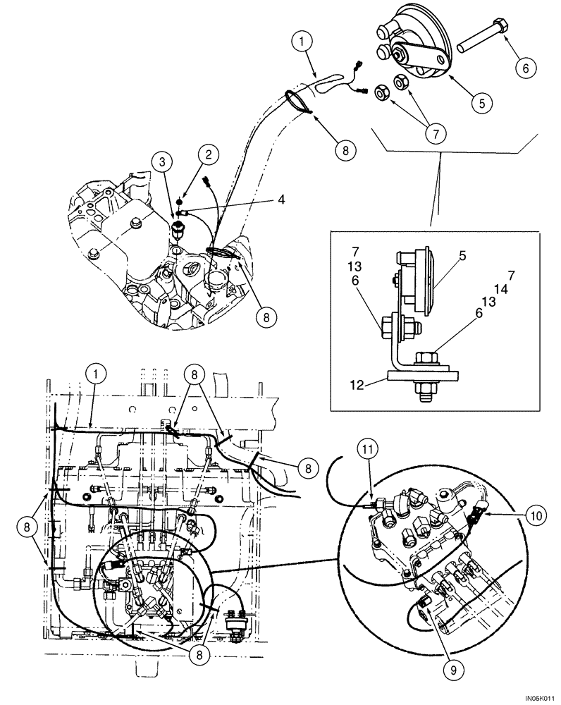
1

338943A1

HARNESS

Front; No Longer Available, Order 338943A2 Ref.1A

1шт.

1a

338943A2

HARNESS

Front, Not Illustrated See Figure(s): 04-08

1шт.

2

193-1000

NUT,Keps, w/LW,#10-32

No. 10 NF

1шт.

3

A166057

TEMPERATURE SENDER,1/2" - 14 NPTF

Coolant Temperature

1шт.

4

892-11005

LOCK WASHER,M5

1шт.

5

237582A1

HORN

1шт.

6

413-516

BOLT,Hex, 5/16" - 18 x 1", Gr 5

If Used

2шт.

6

614-8045

BOLT,Hex, M8 x 1.25 x 45mm, Cl 8.8, Full Thd

If used

1шт.

7

425-105

NUT,5/16"-18, G5

If Used

2шт.

7

829-1408

NUT,Hex, M8 x 1.25, Cl 10.9

If Used

2шт.

8

L18337

CABLE TIE,9.95"-12.1" lg

CABLE STRAP 15 inch, nylon

1шт.

9

REF

INSTRUCTION

12V, Solenoid, Two Speed See Figure 06-13

1шт.

10

REF

INSTRUCTION

12V, Solenoid, Brake See Figure 06-11

1шт.

11

REF

INSTRUCTION

Switch, Pressure, Backup Alarm See Figure 04-18, 06-14

1шт.

12

341258A1

BRACKET

Horn Mounting

1шт.

13

492-11031

LOCK WASHER,5/16"

2шт.

14

495-21038

WASHER,5/16"

(flat, 3/8 x 7/8 x 3/32")

1шт.

Выбрано товаров: 17