Запчасти Case 1150H_IND (06-20) - HYDRAULICS - CRAWLER CIRCUIT (06) - POWER TRAIN

Схема запчастей Case 1150H_IND - (06-20) - HYDRAULICS - CRAWLER CIRCUIT (06) - POWER TRAIN
3
12
20
23
20
5
4
35
22
9
7
8
21
23
31
22
29
34
32
17
1
9
26
18
25
10
30
2
19
36
15
11
21
16
6
27
14
24
28
13
20
24
33
FIT
1:1
100%

Артикул

Название

Примечание

Количество

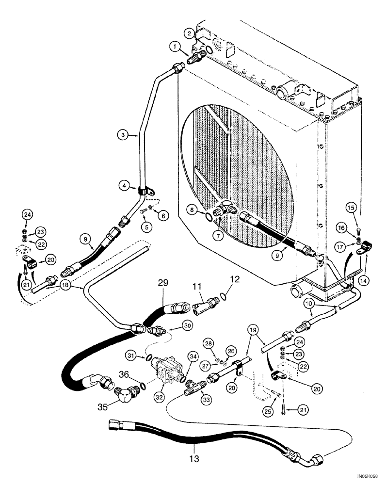
Cooling System

1шт.

1

218-5064

HYD CONNECTOR,1-1/16" - 12 Male JIC x 1-1/16" - 12 Male ORB

Incl. 2

1шт.

2

237-6012

O-RING,0.116" Thk x 0.924" ID, -912, Cl 6, 90 Duro

1шт.

3

R55011

PIPE,0.75" OD

1шт.

4

515-23190

CLAMP,3/4", Insul, 3/8" Bolt

1шт.

5

413-612

BOLT,Hex, 3/8" - 16 x 3/4", Gr 5

1шт.

6

492-11038

LOCK WASHER,3/8"

1шт.

7

218-5550

ELBOW,90 Degree Elbow, 1-1/16" - 12 Male JIC x 1-1/16" - 12 Male ORB

1-1/16 fl x Or, Incl. 8

1шт.

8

237-6012

O-RING,0.116" Thk x 0.924" ID, -912, Cl 6, 90 Duro

1шт.

9

R49468

HOSE

305 mm (12 in)

2шт.

10

R54645

PIPE,0.75" OD

Radiator, Lower Front

1шт.

11

D44004

FITTING

Special, Incl. 12

1шт.

12

237-6012

O-RING,0.116" Thk x 0.924" ID, -912, Cl 6, 90 Duro

1шт.

13

177052A1

HOSE ASSY.

914 mm (36 in), Return

1шт.

14

515-23190

CLAMP,3/4", Insul, 3/8" Bolt

1шт.

15

413-612

BOLT,Hex, 3/8" - 16 x 3/4", Gr 5

1шт.

16

492-11038

LOCK WASHER,3/8"

1шт.

17

495-11041

WASHER,0.406" ID x 0.812" OD x 0.065" W

(13/32 x 13/16 x 1/16")

1шт.

18

232855A1

TUBE

1шт.

19

R54211

PIPE,19.05 mm OD x 30, 918 mm L

1шт.

20

515-23190

CLAMP,3/4", Insul, 3/8" Bolt

4шт.

21

413-516

BOLT,Hex, 5/16" - 18 x 1", Gr 5

3шт.

22

495-11034

WASHER,5/16", SAE

(11/32 x 11/16 x 1/16")

3шт.

23

492-11031

LOCK WASHER,5/16"

3шт.

24

425-105

NUT,5/16"-18, G5

3шт.

25

413-616

BOLT,Hex, 3/8" - 16 x 1", Gr 5

1шт.

26

495-11041

WASHER,0.406" ID x 0.812" OD x 0.065" W

(13/32 x 13/16 x 1/16")

1шт.

27

492-11038

LOCK WASHER,3/8"

1шт.

28

425-106

NUT,3/8"-16, Cl 5

1шт.

29

177160A1

HOSE ASSY.

650 mm (25-5/8 in), To Torque Converter

1шт.

30

218-5064

HYD CONNECTOR,1-1/16" - 12 Male JIC x 1-1/16" - 12 Male ORB

Incl. 31

1шт.

31

237-6012

O-RING,0.116" Thk x 0.924" ID, -912, Cl 6, 90 Duro

1шт.

32

R51141

THERMOSTAT

Valve, By-Pass See Figure 06-22

1шт.

33

218-5185

TEE,1-1/16" - 12 Male JIC x 1-1/16" - 12 Male JIC x 1-1/16" - 12 Male ORB

1-1/16 OR x fl x fl, Incl. 34

1шт.

34

237-6012

O-RING,0.116" Thk x 0.924" ID, -912, Cl 6, 90 Duro

1шт.

35

218-5108

ELBOW,90 Degree Elbow, 1-1/16" - 12 Male JIC x 1-1/16" - 12 Male ORB

Incl. 36

1шт.

36

237-6012

O-RING,0.116" Thk x 0.924" ID, -912, Cl 6, 90 Duro

1шт.

Выбрано товаров: 37