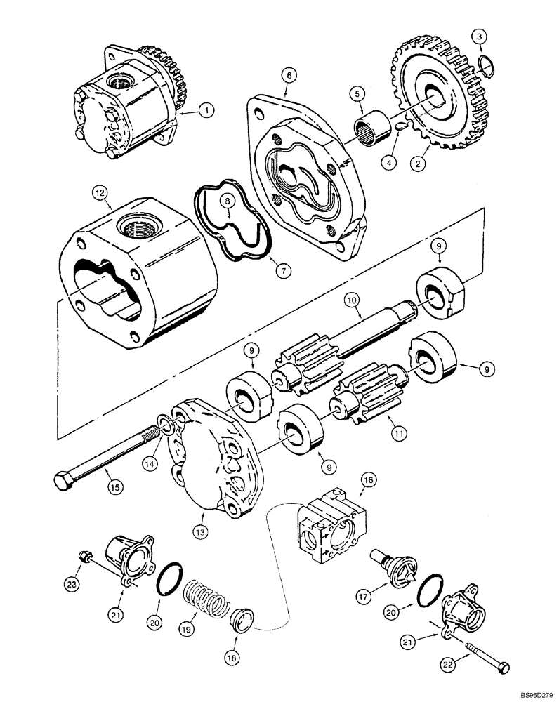
Запчасти Case 1150H_IND (06-22) - PUMP, GEAR - VALVE, COOLER BYPASS (06) - POWER TRAIN

Схема запчастей Case 1150H_IND - (06-22) - PUMP, GEAR - VALVE, COOLER BYPASS (06) - POWER TRAIN
14
17
21
12
9
3
9
8
4
1
16
13
18
5
9
22
6
11
21
2
23
15
7
9
20
10
20
19
FIT
1:1
100%

Артикул

Название

Примечание

Количество

Gear Pump

1шт.

1

R25586

PUMP

Incl. 2 - 15

1шт.

2

D32020

GEAR

Drive, External

1шт.

3

103-1162

SNAP RING,#62, Ext

1шт.

4

126-113

WOODRUFF KEY,#61, 3/16" x 5/8", HT

1шт.

5

14228

NEEDLE BEARING,Needle, 19.05mm ID x 25.4mm OD x 19.05mm W

1шт.

6

R30679

COVER

1шт.

7

D53279

SEAL

Square

2шт.

8

D53280

SEAL

Cover, Shaft End

1шт.

9

R30036

BEARING,0.7505" ID x 1.5385" OD x 0.4130"

4шт.

10

R30037

GEAR

Drive

1шт.

11

R30038

GEAR

Driven

1шт.

12

R30033

HOUSING

1шт.

13

N9435

COVER

Port End

1шт.

14

95-81077

WASHER,0.39" ID x 0.62" OD x 0.07" Thk

25/64 x 5/8 x 1/16, Replaces 195-2028

4шт.

15

413-660

BOLT,Hex, 3/8" - 16 x 3-3/4", Gr 5

3/8 x 3-3/4, FIN ZND, Replaces 13-660 FIN PLN

4шт.

Cooler Bypass Valve

1шт.

R51141

THERMOSTAT

Incl. 16 - 23

1шт.

16

NSS

NOT SOLD SEPARAT

Body

1шт.

17

N9802

THERMOSTAT

1шт.

18

A48899

SEAL

1шт.

19

N9804

SPRING

1шт.

20

238-5034

O-RING,0.07" Thk x 2.114" ID, -34, Cl 5, 75 Duro

2шт.

21

N9805

CAP

2шт.

22

413-452

BOLT,Hex, 1/4" - 20 x 3-1/4", Gr 5

4шт.

23

131-461

LOCK NUT,1/4"-20

4шт.

Выбрано товаров: 26