Запчасти Case 1150H_IND (06-25) - TRANSMISSION - LINKAGE, CLUTCH CUTOUT (06) - POWER TRAIN

Схема запчастей Case 1150H_IND - (06-25) - TRANSMISSION - LINKAGE, CLUTCH CUTOUT (06) - POWER TRAIN
5
5
4
22
14
7
11
15
4
29
16
22
25
4
19
17
20
17
4
17
28
5
5
5
19
5
17
4
30
15
27
2
18
14
4
9
12
4
21
10
5
3
6
26
23
4
8
24
5
21
1
5
13
16
4
23
FIT
1:1
100%

Артикул

Название

Примечание

Количество

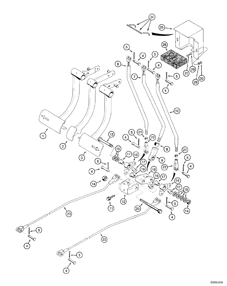
1

R58358

PEDAL

Brake, Left Hand, See Figure 07-01

1шт.

2

R58360

PEDAL

Brake, Center, See Figure 07-01

1шт.

3

R58357

PEDAL

Brake, Right Hand, See Figure 07-01

1шт.

4

D149287

PIN,7.9mm OD x 26.72mm L

9шт.

5

432-612

COTTER PIN,3/32" x 3/4"

9шт.

6

R58681

ROD

Left Hand

1шт.

R58705

ROD

Center, Incl. 7 - 9

1шт.

7

NSS

NOT SOLD SEPARAT

Rod

1шт.

8

425-158

JAM NUT,Jam, 1/2"-20, G5

1шт.

9

L115782

BALL JOINT

Female

1шт.

10

R58685

ROD

Right Hand

1шт.

11

160-102

BOLT,Hex, 3/8" - 16 x 1", Gr 8, Full Thd

2шт.

12

R58688

BRACKET

1шт.

13

426-864

BOLT,Hex, 1/2" - 13 x 4", Gr 8

1/2 x 4; 8

1шт.

14

231-1448

NUT,1/2"-13, GB

2шт.

15

495-11053

WASHER,1/2", SAE

(17/32" x 1-1/16" x 3/32")

6шт.

R58374

CRANK LEVER

Incl. 16, 17

2шт.

16

NSS

NOT SOLD SEPARAT

Bellcrank

1шт.

17

R58311

BRONZE BUSHING

2шт.

R58375

BLOCK

Incl. 18, 19

2шт.

18

NSS

NOT SOLD SEPARAT

Block

1шт.

19

R58311

BRONZE BUSHING

2шт.

20

426-888

BOLT,Hex, 1/2" - 13 x 5-1/2", Gr 8

1/2 x 5-1/2; 8

1шт.

21

425-115

NUT,5/16"-24, G5

2шт.

22

213-125

ADJUSTABLE CLEVIS,5/16" - 32

2шт.

23

356580A1

ROD ASSY.

Cab Models

2шт.

24

R56995

PROTECTION STRIP

515 mm, Adhesive Back

3шт.

25

360957A1

COVER

1шт.

26

103232A1

SEAL

1шт.

27

413-416

BOLT,Hex, 1/4" - 20 x 1", Gr 5

2шт.

28

495-21031

WASHER,1/4"

5/16 x 3/4 x 1/16

2шт.

29

492-11025

LOCK WASHER,1/4"

2шт.

30

425-104

NUT,1/4"-20, Cl 5

2шт.

Выбрано товаров: 33