Запчасти Case 1150K (09-24) - CAB OR CANOPY - TILT COMPONENTS (09) - CHASSIS/ATTACHMENTS

Схема запчастей Case 1150K - (09-24) - CAB OR CANOPY - TILT COMPONENTS (09) - CHASSIS/ATTACHMENTS
16
2
15
15
11
15
15
12
4
17
5
23
1
20
16
16
14
16
6
24
13
21
12
22
19
8
7
8
14
3
FIT
1:1
100%

Артикул

Название

Примечание

Количество

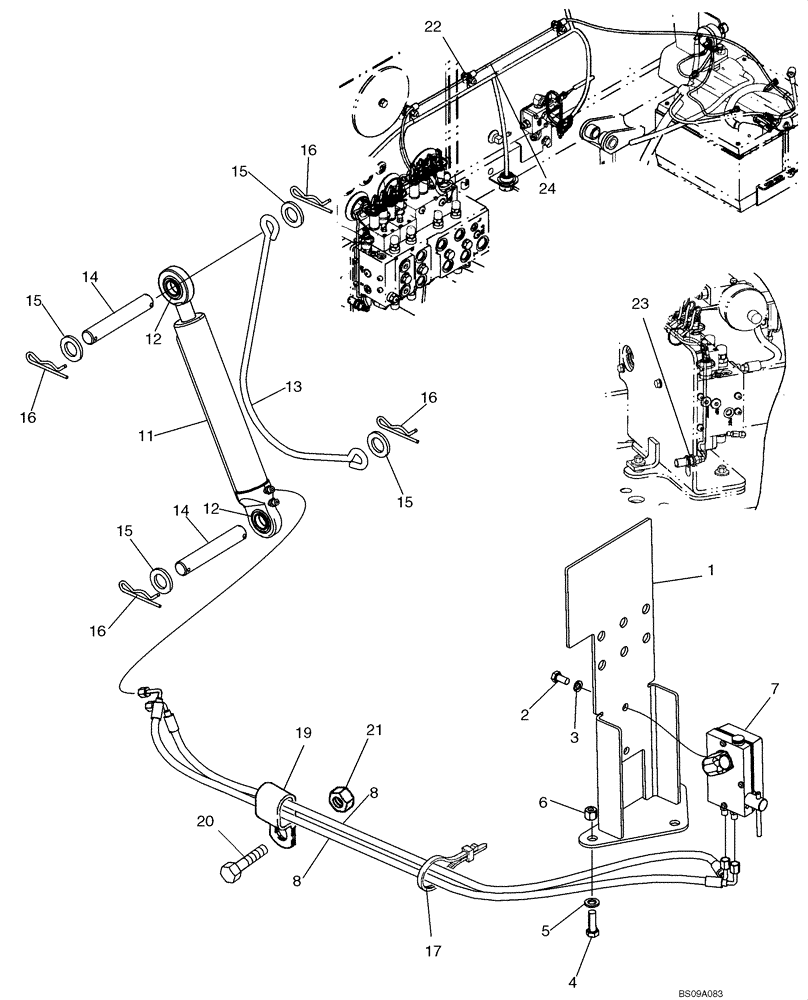
1

433002A3

BRACKET, SUPPORTING

1шт.

2

627-10020

BOLT,Hex, M10 x 1.5 x 20mm, Cl 10.9, Full Thd

2шт.

3

892-11010

LOCK WASHER,M10

2шт.

4

614-12035

BOLT,Hex, M12 x 1.75 x 35mm, Cl 8.8, Full Thd

If Used

3шт.

4

614-12040

BOLT,Hex, M12 x 1.75 x 40mm, Cl 8.8, Full Thd

If Used

3шт.

5

896-11012

WASHER,13.5mm ID x 24mm OD x 3mm Thk

3шт.

6

832-10412

NUT,M12 x 1.75, Cl 8

3шт.

7

76074723

HYDRAULIC PUMP

Hand Pump, Cab or Canopy Tilt; Component Parts Not Serviced Separately

1шт.

8

87525891

HOSE ASSY.

2шт.

11

76074722

HYDRAULIC CYLINDER

Lift; Component Parts Not Serviced Separately

1шт.

12

79068258

WASHER

Special

4шт.

13

79093006

CABLE

1шт.

14

437227A1

PIN

2шт.

15

896-11024

WASHER,26mm ID x 44mm OD x 5mm Thk

4шт.

16

136-251

HAIR PIN COTTER,Int, 7/16" x .177"

4шт.

17

L18337

CABLE TIE,9.95"-12.1" lg

CABLE STRAP

1шт.

19

D49498

CLAMP

Double, 22.2 dia

1шт.

20

614-10030

BOLT,Hex, M10 x 1.5 x 30mm, Cl 8.8, Full Thd

1шт.

21

832-10410

NUT,M10 x 1.5, Cl 8

1шт.

22

515-23143

CLAMP,9/16", Insul, 3/8" Bolt

Uses existing hardware

3шт.

23

87609272

SWITCH

CAB TILT PROXIMITY, Mounts on control valve mounting bracket

1шт.

24

87609271

WIRE HARNESS

CAB TILT

1шт.

Выбрано товаров: 22