Запчасти Case 1150K (09-34) - CAB - HEATER AND AIR CONDITIONING (09) - CHASSIS/ATTACHMENTS

Схема запчастей Case 1150K - (09-34) - CAB - HEATER AND AIR CONDITIONING (09) - CHASSIS/ATTACHMENTS
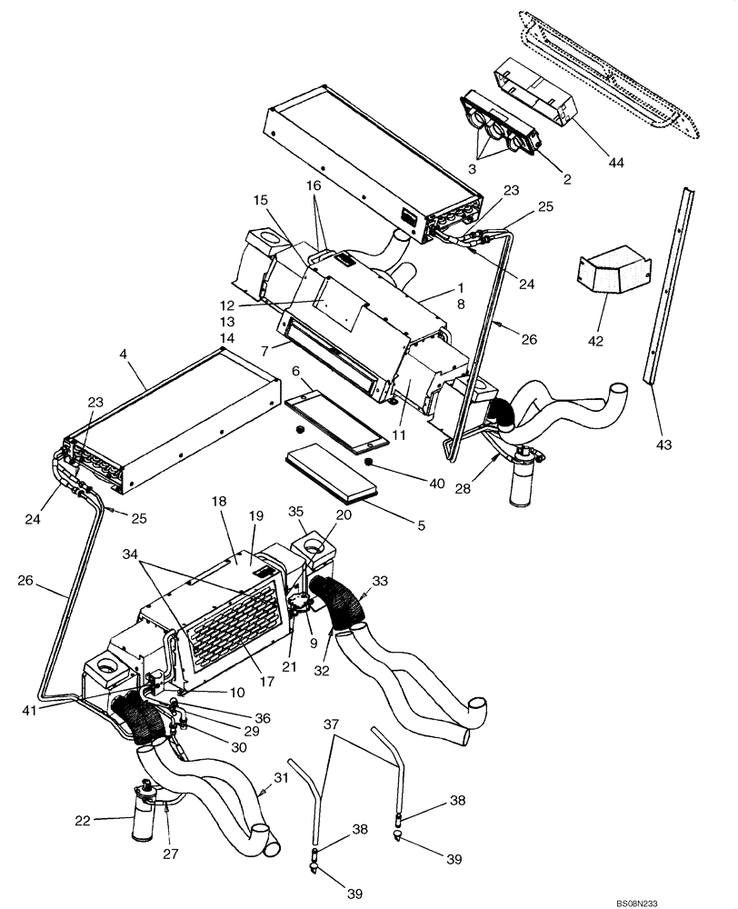
24
7
2
4
40
6
8
5
29
10
37
18
14
3
30
26
25
9
38
26
21
1
17
42
33
39
34
25
15
20
23
43
44
16
41
22
32
35
28
24
19
38
31
36
11
39
13
12
23
27
FIT
1:1
100%

Артикул

Название

Примечание

Количество

1

87691824

UNIT HEATER

Heater Unit; HVAC Unit, 24V; Complete Unit with Cores, Expansion Valve, and Heater Valve

1шт.

2

87397412

CONTROL

HVAC Control, 24V; Incl. Knobs, Ref 3

1шт.

3

87058322

KNOB

3шт.

4

87397410

CONDENSER

ASSEMBLY; See Figure 09-36

1шт.

5

87691825

CAB FILTER

Internal

1шт.

6

87691827

GASKET

FILTER,FRAME

1шт.

7

87615070

GASKET

SEAL, Fresh Air

1шт.

8

87704481

WIRE HARNESS

24 V HVAC Unit Harness; Internal to HVAC Heater Unit, Ref 1

1шт.

9

87586951

VALVE

Water Heater

1шт.

10

87586952

VALVE

EXPANSION VALVE, TXV

1шт.

11

87586959

MOTOR

Blower Motor, 24V; Internal Fan

2шт.

12

87704482

RESISTOR

Blower; SEE NOTE FOR OTHER OPTIONS AND BEFORE ORDERING

1шт.

13

86505792

THERMOSTATIC SWITCH

Replaces 87704483

1шт.

14

87704479

INSTRUMENT PANEL

1шт.

15

87586962

GROMMET

Wire

1шт.

16

87586963

GROMMET

Tube

2шт.

17

87586964

GRILLE ASSY

Recirc. Air Filter

1шт.

18

87586966

CORE

Heater

1шт.

19

87586967

EVAPORATOR

Evaporator Core

1шт.

20

515-21159

CLAMP,15.9mm ID, 7.1mm Bolt Hole, P Type

1шт.

21

1954736C1

HOSE CLAMP,#24

2шт.

22

87696535

RECEIVER-DRYER,Air Conditioner

1шт.

23

87586971

HOSE ASSY.,9.53mm ID x 178.05mm L

Lower at Condenser; Inc Orings

1шт.

24

87586972

A/C HOSE

Upper; Inc Orings

1шт.

25

87586977

TUBE,.375" OD

From Lower Hose At Condenser

1шт.

26

87586978

TUBE,.5" OD

From Upper Hose At Condenser

1шт.

27

87586974

HOSE ASSY.

at Receiver Dryer

1шт.

28

87586973

HOSE ASSY.

at Receiver Dryer

1шт.

29

87586976

TUBE,.625" OD

Upper at Expansion Valve

1шт.

30

87586975

TUBE,.375" OD

Lower at Expansion Valve

1шт.

31

84205272

VENT

Replaced 87551011

4шт.

32

84206149

HOSE,65.00 mm ID x 304.80 mm

Inner, Replaced 87551013

2шт.

33

84206144

HOSE,65.00 mm ID x 228.60 mm

Outer, Replaced 87551012

2шт.

34

87586960

KNOB

Holds Grill On

2шт.

35

87615072

GASKET

GASKET, Plenum Seal Top

2шт.

36

284272A3

SWITCH, A/C LOW PRES

1шт.

37

87727235

HOSE,14.30 mm ID x 675 mm

Union, Connector

2шт.

38

87727238

UNION

UNION, Connector

2шт.

39

87727241

DRAIN

FITTING, Drain

2шт.

40

87704478

KNOB

KNOB

2шт.

41

87586958

NUT

U Clamp M6

21шт.

42

87615104

PROTECTIVE COVER

1шт.

43

87577743

CHANNEL

1шт.

44

87281122

SLEEVE

Heater/AC Control Sleeve

1шт.

760-14613

SELF-TAP SCREW,Pan Hd, M6.3 x 13

54шт.

779-34395

SELF-TAP SCREW,Hex Hd, M4.8 x 9.5

2шт.

87489764

RESISTOR

SEE NOTE BEFORE ORDERING

1шт.

87397414

CAB FILTER

Recirculation Air Filter; Not Illustrated

1шт.

87489762

REPAIR KIT

SEE NOTE; Includes 1) Resistor and 1) Access Panel and Instructions

1шт.

Выбрано товаров: 49