Запчасти Case 1150K (04-14B) - HARNESS, CAB/CANOPY (04) - ELECTRICAL SYSTEMS

Схема запчастей Case 1150K - (04-14B) - HARNESS, CAB/CANOPY (04) - ELECTRICAL SYSTEMS
29
18
9
13
22
20
27
24
14
7
28
8
15
16
11
10
1
6
6
2
23
22
25
12
17
26
5
2
19
30
1
20
1
3
22
FIT
1:1
100%

Артикул

Название

Примечание

Количество

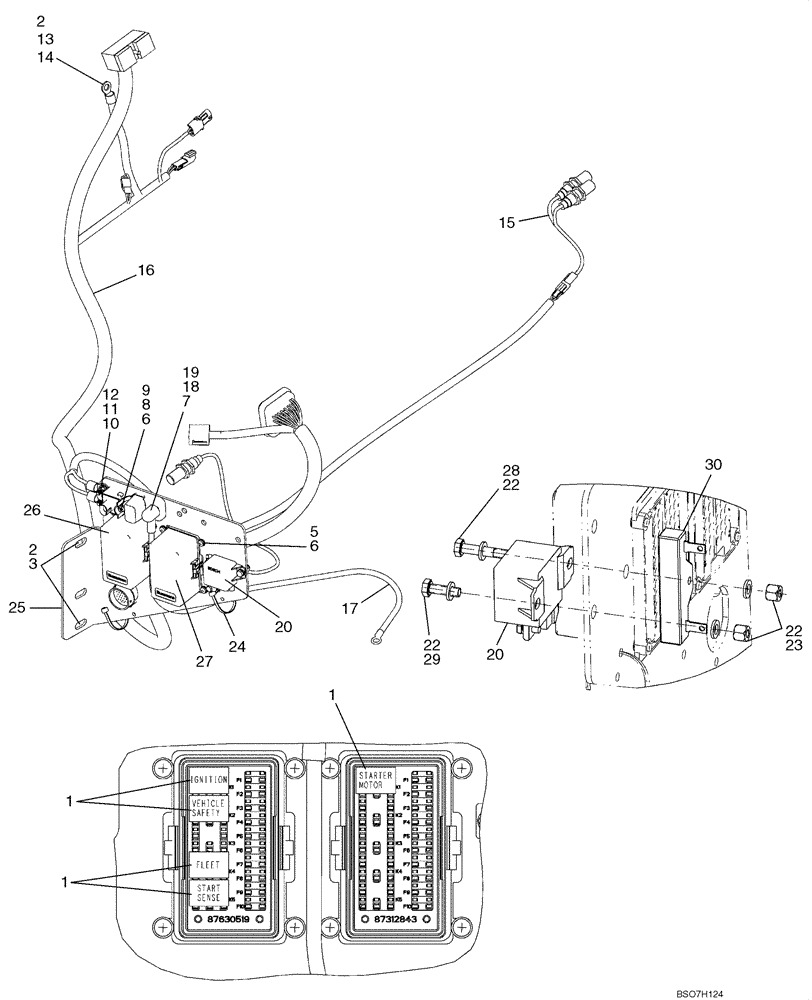
1

87696395

RELAY,5-PIN 280 SERIES 24V

Relay Micro 5 Pin 280 Series (24V)

5шт.

2

140028

WASHER,10.2mm ID x 18.1mm OD x 2.2mm Thk

3шт.

3

86500689

NUT,M10 x 1.5, Cl 10

2шт.

5

86511826

SCREW,Phillips Drive, Pan HD, M5 x 16mm

8шт.

6

86588450

WASHER,6.6mm ID x 12mm OD x 1.6mm Thk

9шт.

7

87315250

MODULE

Power Relay

1шт.

8

840-1545

SCREW,Phillips Drive, Pan HD, M5 x 45mm, Cl 4.8

1шт.

9

86639241

NUT,Prev Torque, M5 x 0.8, Cl 8

1шт.

10

86632601

LOCK WASHER,8.4mm ID x 15mm OD x 0.8mm Thk

2шт.

11

86625072

NUT,Hex, M6, Cl 10

Nut

4шт.

12

83990583

LOCK WASHER,M8 x 14.8mm OD x 2.1mm Thk

4шт.

13

43138

BOLT,Hex, M10 x 1.5 x 20mm, Cl 8.8

1шт.

14

86632602

LOCK WASHER,Ext Tooth, M10

1шт.

15

87596056

SWITCH

Proximity Switch

2шт.

16

87370164

WIRE HARNESS

Main

1шт.

17

87608546

CABLE

Wire, Alternator

1шт.

18

893-11008

LOCK WASHER,Ext Tooth, M8

1шт.

19

832-10408

NUT,M8 x 1.25, Cl 8.8

1шт.

20

1546485C1

RELAY,24V

24V Power

1шт.

22

895-11006

WASHER,6.6mm ID x 12mm OD x 1.6mm Thk

4шт.

23

832-10406

NUT,M6 x 1, Cl 8

2шт.

24

L18331

CABLE TIE,375.9mm L, Nylon

CABLE STRAP

2шт.

25

87630667

BRACKET, SUPPORTING

BRACKET, Fuse and Relay mounting

1шт.

26

87630519

BOX, FUSE

RELAY, Fuse BoX

1шт.

27

87312843

FUSE BOX

1шт.

28

814-6040

BOLT,Hex, M6 x 1 x 40mm, Cl 8.8

1шт.

29

614-6020

BOLT,Hex, M6 x 1 x 20mm, Cl 8.8, Full Thd

1шт.

30

F22316

RESISTOR,75 Ohms 0.2 Amps DC

Porcelain

1шт.

Выбрано товаров: 28