Запчасти Case 1150M LT (29.218.AO[01]) - HYDROSTATIC PUMP (29) - HYDROSTATIC DRIVE

Схема запчастей Case 1150M LT - (29.218.AO[01]) - HYDROSTATIC PUMP (29) - HYDROSTATIC DRIVE
17
9
home
10
8
19
13
12
15
24
16
9
10
17
25
11
24
14
4
26
1
11
21
5
12
8
6
17
2
22
27
25
23
3
18
7
20
7
FIT
1:1
100%

Артикул

Название

Примечание

Количество

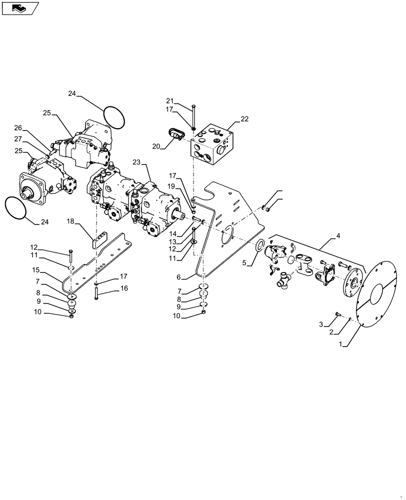
1

385750A1

COVER

2шт.

2

140028

WASHER,10.2mm ID x 18.1mm OD x 2.2mm Thk

8шт.

3

43139

BOLT,M10 x 1.5 x 25mm, Cl 8.8

8шт.

4

87595461

DRIVE SHAFT

1шт.

5

L33673

OIL SEAL

1шт.

6

84588911

BRACKET

1шт.

7

87529127

WASHER,0.53" ID x 2.25" OD x 0.18" Thk

4шт.

8

A59514

RUBBER BUSHING,13.49mm ID x 34.29mm OD x 41.1mm L

4шт.

9

D25022

WASHER

4шт.

10

412126

NUT,M12 x 1.75

4шт.

11

87016607

WASHER,13.5mm ID x 37mm OD x 3mm Thk

4шт.

12

43158

BOLT,Hex, M12 x 80mm, Cl 8.8

4шт.

13

86625256

WASHER,13.3mm ID x 28.5mm OD x 4mm Thk

4шт.

14

9706702

BOLT,Hex, M12 x 1.75 x 50mm, Cl 8.8

4шт.

15

84581757

BRACKET, SUPPORTING

1шт.

16

614-12080

BOLT,Hex, M12 x 1.75 x 80mm, Cl 8.8, Full Thd

4шт.

17

87655043

WASHER,M12, 13.65mm ID x 24.90mm OD x 3.20mm, HT Boron, ZNM

8шт.

18

47442201

PLATE

1шт.

19

87497916

NUT

2шт.

20

87403648

PRESSURE SWITCH

1шт.

21

397393

BOLT,M12 x 1.75 x 167.68mm OAL, Cl 8.8

2шт.

22

84414867

HYDRAULIC MANIFOLD

1шт.

23

84345389

HYDROSTATIC PUMP,115 CC

For Solenoid Order, 87484404

1шт.

23

84345389R

REMAN-HYDROSTAT PUMP

115 CC

1шт.

23

84345389C

CORE-HYDROSTAT PUMP

Return Number

1шт.

24

272712

O-RING,0.139" Thk x 6.234" ID, -259, Cl 5, 75 Duro

2шт.

25

47550061

HYDRAULIC MOTOR,107CC

2шт.

25

84527785R

REMAN-HYDROSTAT MOTO

2шт.

25

84527785C

CORE-HYDROSTAT MOTOR

Return Number

2шт.

26

86508624

BOLT,Hex, M16 x 45mm, Cl 10.9

8шт.

27

87016618

LOCK WASHER,M16

8шт.

Выбрано товаров: 31