Запчасти Case 1150M LT (29.218.AO[04]) - HYDROSTATIC PUMP (29) - HYDROSTATIC DRIVE

Схема запчастей Case 1150M LT - (29.218.AO[04]) - HYDROSTATIC PUMP (29) - HYDROSTATIC DRIVE
3
13
7
6
17
12
5
11
4
2
15
14
1
16
3
1
8
10
home
9
FIT
1:1
100%

Артикул

Название

Примечание

Количество

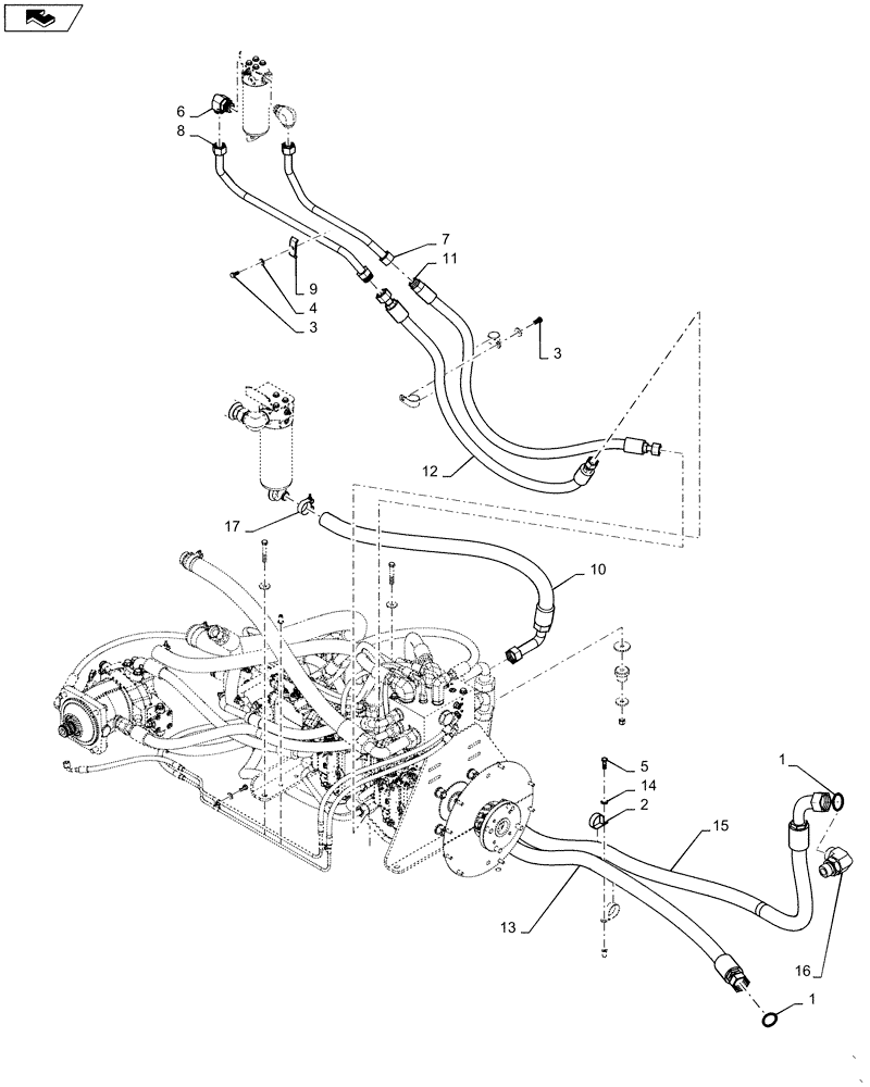
1

9824051

O-RING,0.07" Thk x 1.176" ID, -25, Cl 6, 90 Duro

2шт.

2

47634777

CLAMP

2шт.

3

43139

BOLT,M10 x 1.5 x 25mm, Cl 8.8

1шт.

4

87687101

WASHER,10.65mm ID x 31mm OD x 3.3mm Thk

1шт.

5

9706704

BOLT,Hex, M10 x 1.5 x 41.58mm, Cl 8.8

1шт.

6

9846955

90 ELBOW,1-7/16"-12 ORFS x 1-5/16"-12 ORB

2шт.

7

47598922

TUBE

Filter to Pump FA

1шт.

8

47598942

TUBE

Pump FE to Filter

1шт.

9

D40236

CLAMP

1шт.

10

84424409

HYDRAULIC HOSE,31.75mm ID x 1100mm L, SAE 100R4

Manifold to Tank

1шт.

11

47511394

HOSE

Filter to FA

1шт.

12

84564374

HYDRAULIC HOSE,25.4mm ID x 1364mm L, SAE 100R16

FE to Filter

1шт.

13

47418719

HOSE,31.5mm ID x 1788mm L, SAE 100R4

Manifold to Cooler

1шт.

14

87713132

SPECIAL WASHER,10.7mm ID x 23mm OD x 2.2mm Thk

1шт.

15

47431353

HOSE,31.75mm ID x 2154.7mm L, SAE 100R4

Cooler to Manifold

1шт.

16

84989414

NIPPLE

1шт.

17

214-2122

CLAMP,39.62mm - 45.97mm

3шт.

Выбрано товаров: 17