Запчасти Case 1150M WT (10.001.060) - ENGINE, MOUNTING PARTS (10) - ENGINE

Схема запчастей Case 1150M WT - (10.001.060) - ENGINE, MOUNTING PARTS (10) - ENGINE
9
10
2
4
6
1
5
8
1
7
3
5
4
FIT
1:1
100%

Артикул

Название

Примечание

Количество

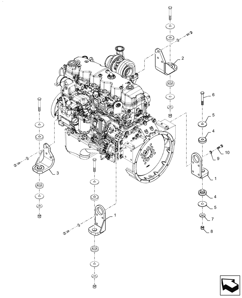
1

8500059

ENGINE MOUNT

Flywheel, Bracket

2шт.

2

87559871

SUPPORT

Front, RH

1шт.

3

47863949

SUPPORT

Front, LH

1шт.

4

R49921

RUBBER MOUNTING

Engine

8шт.

5

186977A1

WASHER,17mm ID x 70mm OD x 4.5mm Thk

8шт.

6

84036080

BOLT,Hex, M16 x 110mm, Cl 10.9

4шт.

7

86592702

WASHER,17mm ID x 45mm OD x 6mm Thk

4шт.

8

412066

NUT,M16 x 2.0, Cl 8

4шт.

9

896-11012

WASHER,13.5mm ID x 24mm OD x 3mm Thk

14шт.

10

627-12045

BOLT,Hex, M12 x 1.75 x 45mm, Cl 10.9, Full Thd

14шт.

Выбрано товаров: 10