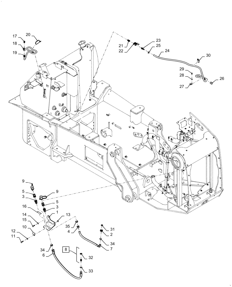
Запчасти Case 1150M WT (10.400.050) - VAR - 784729 - ECOLOGY, DRAIN LINES (10) - ENGINE

Схема запчастей Case 1150M WT - (10.400.050) - VAR - 784729 - ECOLOGY, DRAIN LINES (10) - ENGINE
7
4
30
20
22
24
12
5
1
9
21
5
15
23
33
18
34
26
34
8
2
32
31
14
28
27
9
19
35
25
3
16
17
6
13
29
3
10
11
FIT
1:1
100%

Артикул

Название

Примечание

Количество

1

47585009

BRACKET

Drain Ecology

1шт.

2

47750308

REDUCER,M22 x 1.5 M, ORB x 1/2 JIC

1шт.

3

47431659

UNION,Male Blkhd, SAE - 12, 37FL - 3/4" NPTF

Male, Bulkhead

2шт.

4

87648720

REDUCER,3/4" - 16 JIC x 1-11/16" - 12 JIC

HYD Connector, Adapter

1шт.

5

84588109

HALF-COUPLING

HYD Hose

2шт.

6

47585007

HOSE,15.88mm ID x 941mm L, SAE 100R16

Coolant Drain

1шт.

7

47646726

HYDRAULIC HOSE

Engine Oil Drain

1шт.

8

86509028

HYD CONNECTOR,3/4" - 16 JIC x 9/16" - 18 ORB

Incl 32

1шт.

9

84538263

DUST CAP

Coolant and Engine Drain

2шт.

10

87547970

CLAMP,28.6mm, Coat, 13.5mm Bolt Hole, P Type

Closed 28.6mm, Insul 1/2 Bolt

2шт.

11

614-10030

BOLT,Hex, M10 x 1.5 x 30mm, Cl 8.8, Full Thd

2шт.

12

87713132

SPECIAL WASHER,10.7mm ID x 23mm OD x 2.2mm Thk

M10 x 10.65 x 23.0 x 2.2 Hts Boron

2шт.

13

412141

NUT,M10 x 1.5, Cl 8

Non-Metal

2шт.

14

87655043

WASHER,M12, 13.65mm ID x 24.90mm OD x 3.20mm, HT Boron, ZNM

3шт.

15

9824642

BOLT,M12 x 1.75 x 42.68mm, Cl 10.9

3шт.

16

47670638

DECAL

Drain

1шт.

17

221-1185

FITTING

Incl 2

1шт.

18

86984713

SHUT-OFF VALVE

Pipe 1/2 NPTF x 1.125"

1шт.

19

87413240

HOSE ASSY.

1/2 F-NPT

1шт.

20

L18331

CABLE TIE,375.9mm L, Nylon

Fuel

1шт.

21

84422746

NIPPLE

Straight Fitting NPTF

1шт.

22

84422753

SHUT-OFF VALVE,1/2" NPT x 1/2" NPT

Ball S NPT

1шт.

23

84422999

FITTING,M12, 1/2 - 14, 66mm L, SS

Male NPTF Bead Connect

2шт.

24

47420762

HOSE

Fuel, Def Drain

1шт.

25

86625040

HOSE CLAMP,#8, 0.50/0.91 Type M Worm

2шт.

26

84423014

CAP,1/2" - 14

Female NPTF 1/2-14

1шт.

27

87032428

CLAMP,22.2mm, Coat, 10.3mm Bolt Hole, J Type

1шт.

28

87655046

SPECIAL WASHER,10.65mm ID x 23mm OD x 2.2mm Thk

M10 x 10.65 x 23.0 x 2.2 Hts Boron

1шт.

29

43138

BOLT,Hex, M10 x 1.5 x 20mm, Cl 8.8

1шт.

30

H434289

MOUNTING CLIP,7/8”, Insulated, 1/2” Bolt

Double, 0.87"/22mm ID

2шт.

31

87753668

O-RING,0.921" ID x 1.199" OD x 0.139"

1шт.

32

9617873

O-RING,0.078" Thk x 0.468" ID, -906, Cl 6, 90 Duro

Incl in Ref 8

1шт.

33

167266

O-RING,0.116" Thk x 0.924" ID, -912, Cl 6, 90 Duro

1шт.

34

128825

O-RING,0.087" Thk x 0.644" ID, -908, Cl 6, 90 Duro

3шт.

35

128825

O-RING,0.087" Thk x 0.644" ID, -908, Cl 6, 90 Duro

1шт.

Выбрано товаров: 35