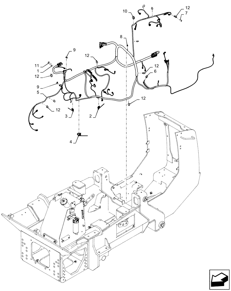
Запчасти Case 1150M WT/LGP (55.100.AG[01]) - WIRE HARNESS - MOUNTING (55) - ELECTRICAL SYSTEMS

Схема запчастей Case 1150M WT/LGP - (55.100.AG[01]) - WIRE HARNESS - MOUNTING (55) - ELECTRICAL SYSTEMS
12
12
12
11
9
9
2
12
5
4
12
10
7
1
3
6
8
12
FIT
1:1
100%

Артикул

Название

Примечание

Количество

1

845-6020

BOLT,Hvy Hex, M6 x 20mm, Cl 8.8

1шт.

2

47431060

CLIP

1шт.

3

47431062

CLIP

1шт.

4

47431063

CLIP

1шт.

5

47508962

WIRE HARNESS

1шт.

6

47524103

CAP

1шт.

7

47589380

PLATE

1шт.

8

84208167

RESISTOR

1шт.

9

84370849

CLAMP

2шт.

10

84467169

GROMMET

1шт.

11

87612756

CLAMP,25.4mm, Coat, 7.1mm Bolt Hole, P Type

1шт.

12

L11541

CABLE TIE,203.2mm L, Nylon

33шт.

Выбрано товаров: 12