Запчасти Case 1150M WT/LGP (55.510.AF[03]) - CAB MAIN WIRE HARNESS (55) - ELECTRICAL SYSTEMS

Схема запчастей Case 1150M WT/LGP - (55.510.AF[03]) - CAB MAIN WIRE HARNESS (55) - ELECTRICAL SYSTEMS
28
10
25
17
14
13
18
21
19
23
27
29
10
17
14
2
32
12
30
27
6
24
7
13
31
2
21
20
4
8
15
30
31
22
32
14
18
25
26
28
12
11
11
29
3
1
23
15
5
7
4
16
24
5
22
26
19
3
8
6
9
9
1
20
14
16
FIT
1:1
100%

Артикул

Название

Примечание

Количество

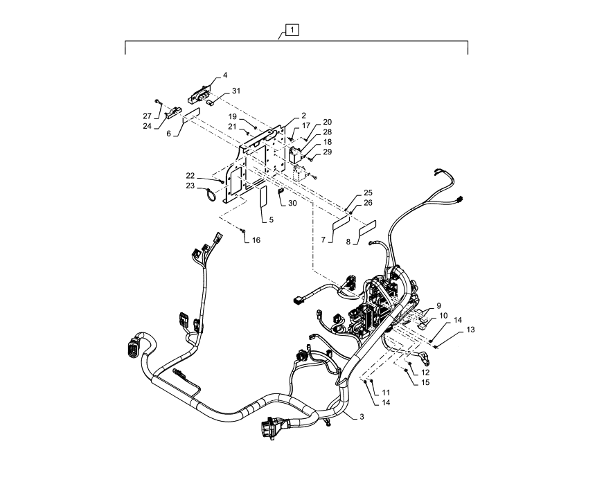
1

47678807

WIRE HARNESS

Main Cab, Incl 2 - 31

1шт.

2

47393578

PLATE

Cab Harness Mounting

1шт.

3

NSS

NOT SOLD SEPARAT

Main Harness, Incl With Ref 1

1шт.

4

84467174

FUSE HOLDER

High Amp And Volt Section

1шт.

5

NSS

NOT SOLD SEPARAT

Fuse Lablel, Incl With Ref 1

1шт.

6

NSS

NOT SOLD SEPARAT

Fuse And Relay Lables, Incl With Ref 1

1шт.

7

84290787

DECAL

Fuse Label

1шт.

8

NSS

NOT SOLD SEPARAT

Fuse Lables, Low Voltage Holder, Incl With Ref 1

1шт.

9

87696395

RELAY,5-PIN 280 SERIES 24V

Micro, 5 Pin, 280 Series, 24 Volt

11шт.

10

87312626

RELAY,24V

Mocro, 5 Pin, 280 Series

1шт.

11

121413A1

FUSE,15A, Mini, Blue

7шт.

12

121414A1

FUSE,20A, Mini, Yellow

3шт.

13

121412A1

FUSE,10A, Mini, Red

2шт.

14

121411A1

FUSE,7.5A, Mini, Brown

10шт.

15

121410A1

FUSE,5A, Mini, Tan

9шт.

16

845-6020

BOLT,Hvy Hex, M6 x 20mm, Cl 8.8

8шт.

17

845-6015

BOLT,Hvy Hex, M6 x 15mm, Cl 8.8

2шт.

18

12639701

WASHER,6.15mm ID x 11mm OD x 1mm Thk

9шт.

19

825-1406

NUT,M6, Cl 8

5шт.

20

840-1412

SCREW,Hex Skt, M4 x 12mm, Cl 4.8

2шт.

21

824-1404

NUT,M4, Cl 5

2шт.

22

840-1620

SCREW,Pan, M6 x 20mm, Cl 4.8

2шт.

23

L11541

CABLE TIE,203.2mm L, Nylon

1шт.

24

F22316

RESISTOR,75 Ohms 0.2 Amps DC

1шт.

25

87655041

SPECIAL WASHER,6.85mm ID x 13.5mm OD x 2mm Thk

1шт.

26

15896211

NUT,M6, Cl 8

1шт.

27

845-6030

BOLT,Hvy Hex, M6 x 30mm, Cl 8.8

1шт.

28

1546485C1

RELAY,24V

Accessory Relay, Ignition Relay

1шт.

29

614-6016

BOLT,Hex, M6 x 1 x 16mm, Cl 8.8, Full Thd

2шт.

30

NSS

NOT SOLD SEPARAT

Decal, Fues And Relay Info

4шт.

31

87327342

FUSE,30 Amp

1шт.

Выбрано товаров: 31