Запчасти Case 1150M WT/LGP (55.680.AA[02]) - BLADE, GUIDE, TOPCON READY (55) - ELECTRICAL SYSTEMS

Схема запчастей Case 1150M WT/LGP - (55.680.AA[02]) - BLADE, GUIDE, TOPCON READY (55) - ELECTRICAL SYSTEMS
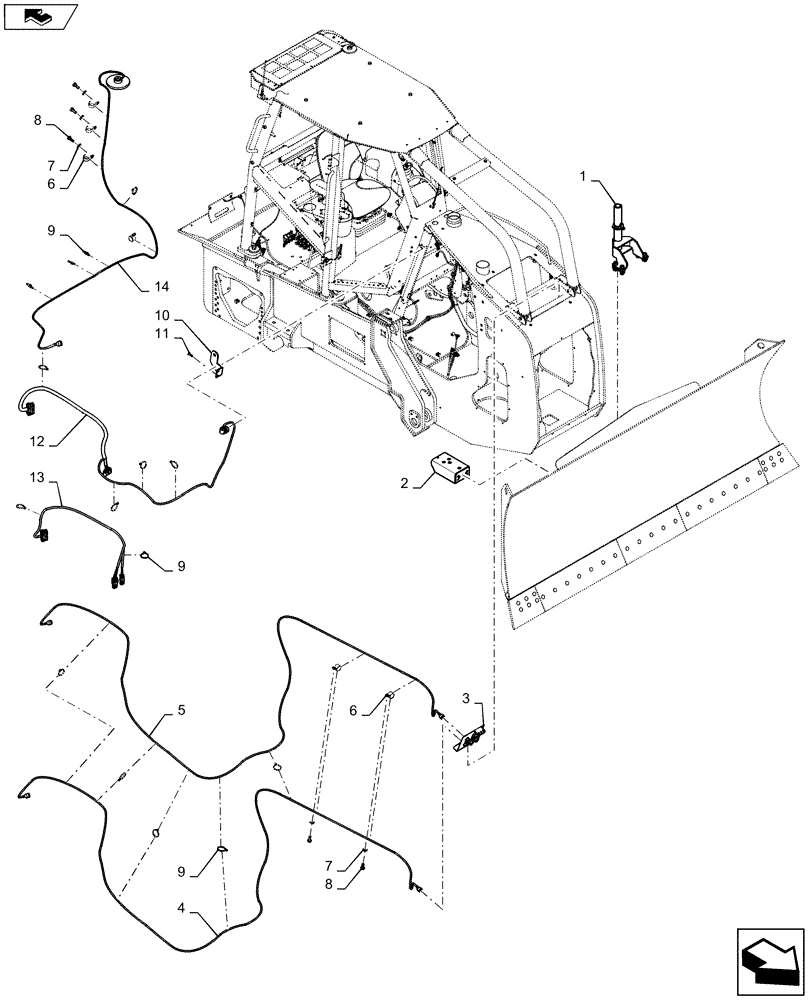
1
14
8
2
6
13
3
9
9
home
4
5
10
12
9
7
7
11
6
8
FIT
1:1
100%

Артикул

Название

Примечание

Количество

1

47422701

BRACKET

Center Mast

1шт.

2

47422706

BRACKET

Slope Sensor

1шт.

3

47422710

BRACKET

Quick Connect

1шт.

4

47422687

WIRE HARNESS

GPS BK

1шт.

5

47422684

WIRE HARNESS

GPS YE

1шт.

6

87035382

CLAMP,30.2mm, Coat, 10.3mm Bolt Hole, P Type

6шт.

7

86624184

WASHER,9mm ID x 16mm OD x 1.6mm Thk

5шт.

8

43139

BOLT,M10 x 1.5 x 25mm, Cl 8.8

5шт.

9

L11541

CABLE TIE,203.2mm L, Nylon

18шт.

10

47422711

BRACKET

Display

1шт.

11

14442131

SCREW,Flat Csk Hd, M8 x 1.25 x 25mm, Cl 10.9

2шт.

12

47422690

WIRE HARNESS

Interface

1шт.

13

47422692

WIRE HARNESS

Sensor

1шт.

14

47422689

WIRE HARNESS

Radio

1шт.

Выбрано товаров: 14