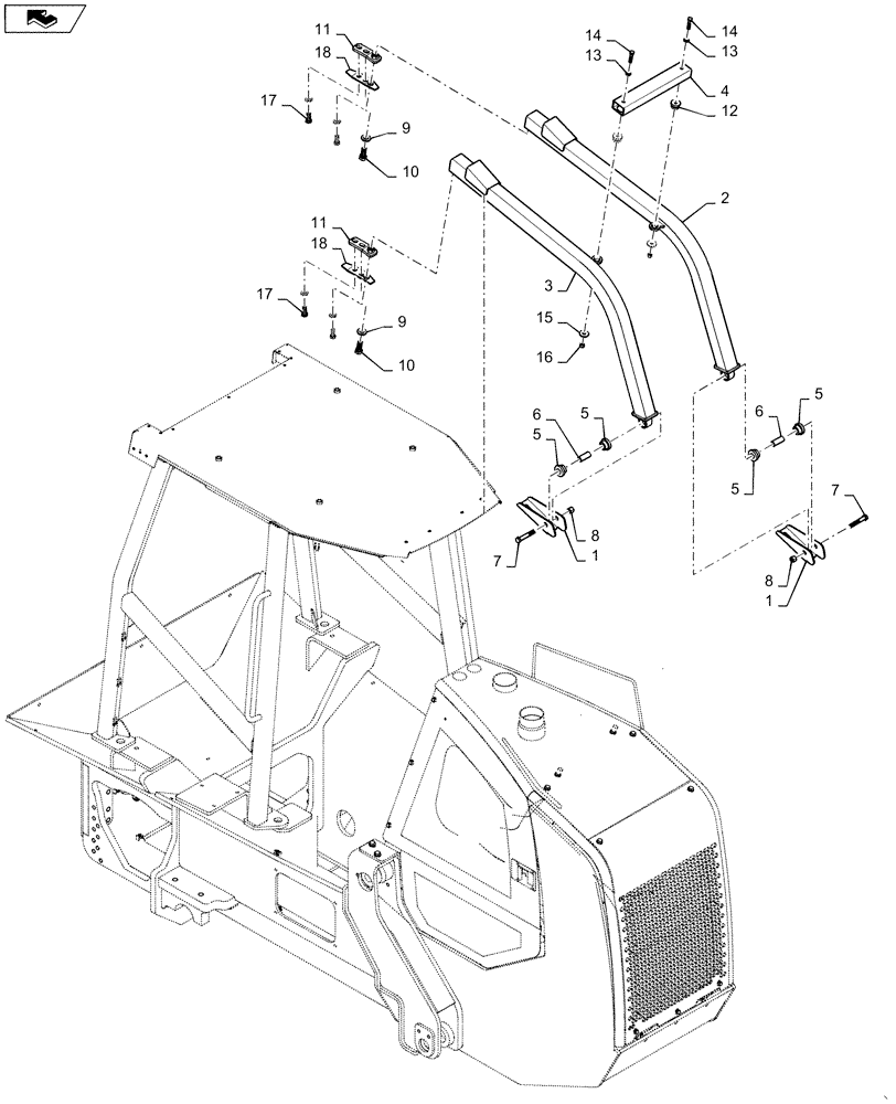
Запчасти Case 1150M WT/LGP (90.119.AA[01]) - CANOPY BRUSH GUARD (90) - PLATFORM, CAB, BODYWORK AND DECALS

Схема запчастей Case 1150M WT/LGP - (90.119.AA[01]) - CANOPY BRUSH GUARD (90) - PLATFORM, CAB, BODYWORK AND DECALS
8
9
11
6
2
10
11
17
18
12
8
10
3
6
5
9
4
14
5
13
5
15
1
7
14
7
17
13
16
18
5
1
home
FIT
1:1
100%

Артикул

Название

Примечание

Количество

1

84549084

CHANNEL

Sweep Mount

2шт.

2

84565348

GUARD

LH, Brush

1шт.

3

84565351

GUARD

RH, Brush

1шт.

4

84390154

GUARD

Tube, Cross

1шт.

5

R40721

GROMMET

Rubber

4шт.

6

R40954

BUSHING

Guard

2шт.

7

86541970

BOLT,Hex, M16 x 100mm, Cl 10.9

2шт.

8

412066

NUT,M16 x 2.0, Cl 8

2шт.

9

896-15020

WASHER,22mm ID x 44mm OD x 5mm Thk

2шт.

10

627-20055

BOLT,Hex, M20 x 2.5 x 55mm, Cl 10.9, Full Thd

2шт.

11

84390078

MOUNT

W/ Tab

2шт.

12

R29799

SHOCK ABSORBER

Radiator Isolator

2шт.

13

87655043

WASHER,M12, 13.65mm ID x 24.90mm OD x 3.20mm, HT Boron, ZNM

M12 X 13.65 X 24.9 X 3.2 Hts Boron

2шт.

14

9706693

BOLT,M12 x 60mm, Cl 8.8

2шт.

15

D25022

WASHER

2шт.

16

87497916

NUT

2шт.

17

374835

BOLT,Hex, M16 x 2 x 40mm, Cl 10.9, Full Thd

4шт.

18

47386675

MOUNTING PLATE

Sweep Mount

2шт.

Выбрано товаров: 18