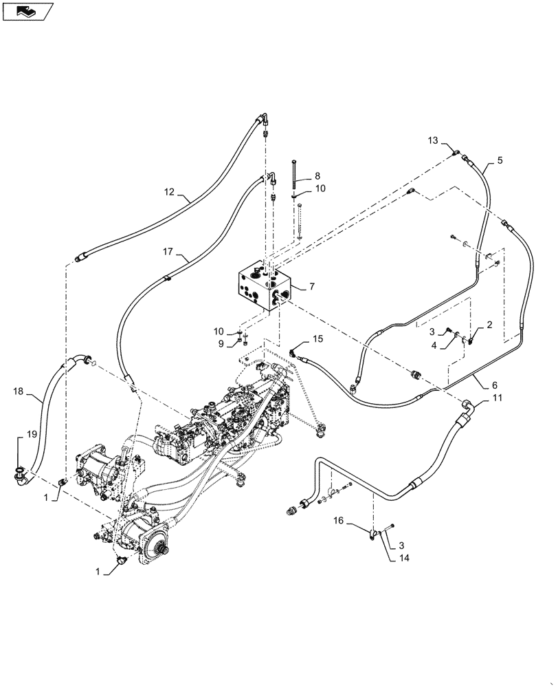
Запчасти Case 1150M WT/LGP (29.218.AO[02]) - HYDROSTATIC PUMP (29) - HYDROSTATIC DRIVE

Схема запчастей Case 1150M WT/LGP - (29.218.AO[02]) - HYDROSTATIC PUMP (29) - HYDROSTATIC DRIVE
15
6
3
7
3
1
16
19
home
4
2
17
9
12
10
10
1
8
14
5
18
13
11
FIT
1:1
100%

Артикул

Название

Примечание

Количество

1

9992307

90 ELBOW,90 Degree, 13/16"-16 x 3/4"-16 Adj, ORFS

2шт.

2

86639003

CLAMP,9.5mm, Coat, 11.9mm Bolt Hole, P Type

2шт.

3

43139

BOLT,M10 x 1.5 x 25mm, Cl 8.8

1шт.

4

87713132

SPECIAL WASHER,10.7mm ID x 23mm OD x 2.2mm Thk

1шт.

5

47499710

BRAKE LINE

RH Brake

1шт.

6

47500411

TUBE

LH Brake

1шт.

7

84414867

HYDRAULIC MANIFOLD

Multifunction

1шт.

8

397393

BOLT,M12 x 1.75 x 167.68mm OAL, Cl 8.8

2шт.

9

87497916

NUT

2шт.

10

86625255

WASHER,13.3mm ID x 24.5mm OD x 3mm Thk

4шт.

11

84424410

HYD TUBE

Motor to Manifold

1шт.

12

84554768

HYDRAULIC HOSE,12.7mm ID x 1970mm L, SAE 100R16

Motor to Flushing LH

1шт.

13

9840601

ELBOW,11/16" - 16 Male ORFS x 9/16" - 18 Male ORB

2шт.

14

87713132

SPECIAL WASHER,10.7mm ID x 23mm OD x 2.2mm Thk

2шт.

15

84989392

ELBOW,90 Degree, 11/16"-16 ORFS x 11/16"-16 Fem Sw

2шт.

16

86598598

CLAMP,19mm, Insulated, 13.5mm Bolt Hole - P Type

2шт.

17

84386529

HYDRAULIC HOSE,12.7mm ID x 1943mm L, SAE 100R16

Motor Flushing RH

1шт.

18

84574231

HYDRAULIC HOSE,25.4mm ID x 950mm L, SAE 100R15

Motor Manifold

1шт.

19

9824050

O-RING,0.07" Thk x 0.926" ID, -21, Cl 6, 90 Duro

2шт.

Выбрано товаров: 19