Запчасти Case 1150M WT/LGP (29.218.AO[03]) - HYDROSTATIC PUMP (29) - HYDROSTATIC DRIVE

Схема запчастей Case 1150M WT/LGP - (29.218.AO[03]) - HYDROSTATIC PUMP (29) - HYDROSTATIC DRIVE
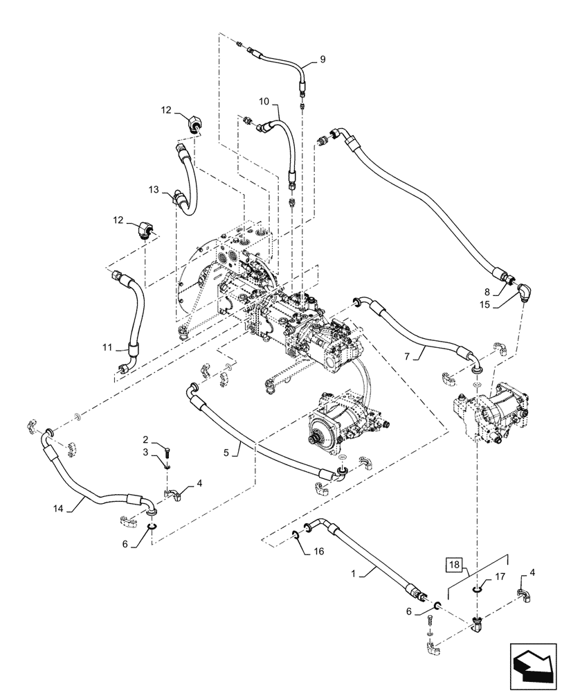
8
6
14
10
11
13
5
4
16
18
9
2
3
1
4
7
12
15
12
6
17
FIT
1:1
100%

Артикул

Название

Примечание

Количество

1

84561131

HYDRAULIC HOSE,25.4mm ID x 880mm L, SAE 100R15

O-Rings Not Included

1шт.

2

9628065

SCREW,Hex, M12 x 1.75 x 45mm, Cl 8.8

24шт.

3

86625255

WASHER,13.3mm ID x 24.5mm OD x 3mm Thk

24шт.

4

86980732

CLAMP

14шт.

5

84574231

HYDRAULIC HOSE,25.4mm ID x 950mm L, SAE 100R15

Motor to Manifold

1шт.

6

9824050

O-RING,0.07" Thk x 0.926" ID, -21, Cl 6, 90 Duro

10шт.

7

84561120

HYDRAULIC HOSE,25.4mm ID x 915mm L, SAE 100R15

Pump to Motot Rear Right

1шт.

8

84499033

HYDRAULIC HOSE,19.05mm ID x 1295mm L, SAE 100R1

Motor to Manifold

1шт.

9

84561099

HYDRAULIC HOSE,9.53mm ID x 611mm L, SAE 100R16

Pump to Motor

1шт.

10

84574264

HYDRAULIC HOSE,15.88mm ID x 937mm L, SAE 100R16

Pump to Manifold

1шт.

11

84561121

HYDRAULIC HOSE,19.05mm ID x 700mm L, SAE 100R1

Pump to Manifold T1 - TP1

1шт.

12

9846848

90 ELBOW,1-3/16"-12 ORFS x 1-1/16"-12 ORB

2шт.

13

84499030

HYDRAULIC HOSE,19.05mm ID x 675mm L, SAE 100R1

Pump to Manifold T2 - TP1

1шт.

14

84561115

HYDRAULIC HOSE,25.4mm ID x 890mm L, SAE 100R15

Motor to Manifold

1шт.

15

9992307

90 ELBOW,90 Degree, 13/16"-16 x 3/4"-16 Adj, ORFS

2шт.

16

86529541

O-RING,0.139" Thk x 1.296" ID, -219, Cl 6, 90 Duro

1шт.

17

9824050

O-RING,0.07" Thk x 0.926" ID, -21, Cl 6, 90 Duro

1шт.

18

47743798

ELBOW

Incl Ref. 17

1шт.

Выбрано товаров: 18