Запчасти Case 1155D (162) - CASE LUBRICATED TRACK CHAIN, IF USED, WITH SPLIT MASTER LINKS (11) - TRACKS/STEERING

Схема запчастей Case 1155D - (162) - CASE LUBRICATED TRACK CHAIN, IF USED, WITH SPLIT MASTER LINKS (11) - TRACKS/STEERING
20
14
15
9
6
18
2
8
19
4
16
1
17
12
13
18
20
7
3
5
18
18
FIT
1:1
100%

Артикул

Название

Примечание

Количество

R51183

CHAIN (AG)

ASSEMBLY - 40 unit, used on all models except LGP dozer models

2шт.

See track frame Figs. 134-138 for correct sprocket usage.

1шт.

R51184

CHAIN (AG)

ASSEMBLY - 43 unit, used on LGP dozer models only, Includes: Ref. 1 - 15

2шт.

See track frame Figs. 134-138 for correct sprocket usage.

1шт.

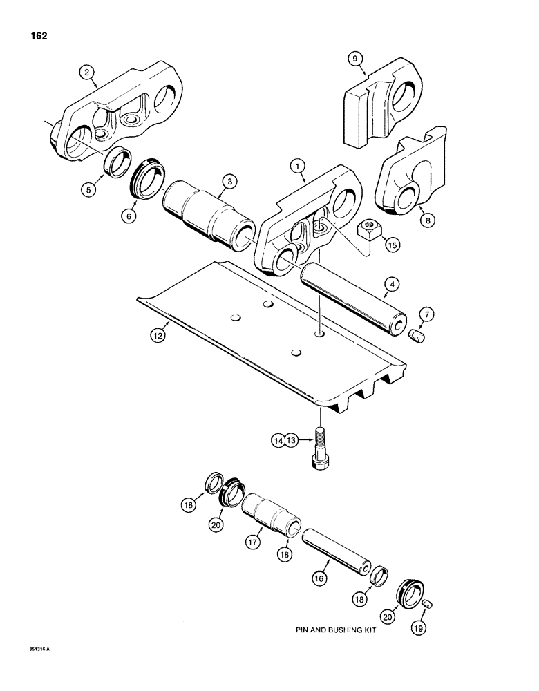
1

R51185

DRAG LINK

LINK - track, right-hand

39-42шт.

2

R51186

CHAIN LINK

LINK - track, left-hand

39-42шт.

3

R51191

BUSHING,36.9mm ID x 58.77mm OD x 128.8mm L

- track pin, 2-5/16" (59 mm) O.D.

40-43шт.

4

R51192

PIN,36.58mm OD x 206.5mm L

- track

40-43шт.

5

R51193

SPACER

- seal

80-86шт.

6

R51194

SEAL,42.1mm ID x 59mm OD x 12.5mm Thk

- track pin

80-86шт.

7

R50441

PLUG

- track pin

40-43шт.

R52638

LINK

MASTER LINK ASSEMBLY - right-hand, Includes: Ref. 9

1шт.

9

NSS

NOT SOLD SEPARAT

LINK - track, master, fits over bushing on inside of regular track link, right-hand

1шт.

R52637

LINK

MASTER LINK ASSEMBLY - left-hand, not shown, Includes: Ref. 10 - 11

1шт.

10

NSS

NOT SOLD SEPARAT

LINK - track, master, fits over track pin on outside of regular track link, left-hand, not shown

1шт.

11

NSS

NOT SOLD SEPARAT

LINK - track, master, fits over bushing on inside of regular track link, left hand, not shown

1шт.

12

REF

INSTRUCTION

TRACK SHOE - Fig. 164 & 166 for options, Includes: Ref. 13 - 15

80-86шт.

13

R27166

BOLT

- special, use with all track shoes exept self-cleaning, (320-344)

1шт.

14

R42738

BOLT

- special, use with self-cleaning track shoes only on LGP models, Fig. 166

344шт.

15

R25688

SQUARE NUT

- special, square, not used on master link bolts

312-3шт.

R51731

KIT

- pin and bushing, includes instruction sheet, services conplete track chain, both sides of, Includes: Ref. 16 - 20

1шт.

16

R51192

PIN,36.58mm OD x 206.5mm L

- track, bushing kit, services complete track chain, both sides

86шт.

17

R51191

BUSHING,36.9mm ID x 58.77mm OD x 128.8mm L

- track pin, kit services complete track chain, boths sides

86шт.

18

R51193

SPACER

- seal, pin and bushing kit services complete trac chain, both sides

172шт.

19

R50441

PLUG

- track pin, bushin kit services complete tchain, both sides

86шт.

20

R51194

SEAL,42.1mm ID x 59mm OD x 12.5mm Thk

- track pin, bushing kit services complete chain, both sides

172шт.

Выбрано товаров: 26