Запчасти Case 1155E (8-094) - EQUIPMENT CONTROL VALVE MOUNTING, P.I.N. JAK0008634 AND AFT (08) - HYDRAULICS

Схема запчастей Case 1155E - (8-094) - EQUIPMENT CONTROL VALVE MOUNTING, P.I.N. JAK0008634 AND AFT (08) - HYDRAULICS
4
8
4
10
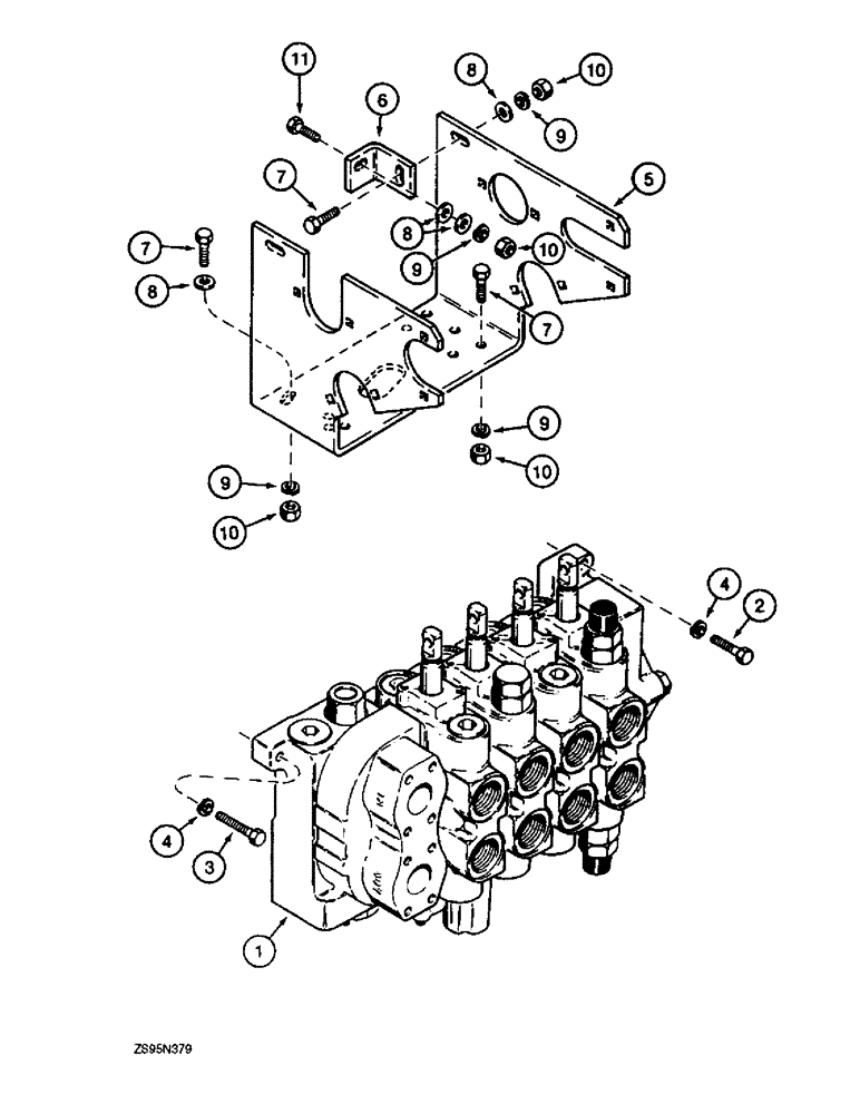
2
9
8
10
7
7
9
3
9
11
10
6
10
5
9
1
7
8
FIT
1:1
100%

Артикул

Название

Примечание

Количество

1

REF

INSTRUCTION

VALVE ASSEMBLY - equipment control, for correct assembly and components see Figures 8-106 through 8-114

1шт.

2

413-624

BOLT,Hex, 3/8" - 16 x 1-1/2", Gr 5

- hex, 3/8 NC x 1-1/2 inch

2шт.

3

413-628

BOLT,Hex, 3/8" - 16 x 1-3/4", Gr 5

- hex, 3/8 NC x 1-3/4 inch

1шт.

4

492-11038

LOCK WASHER,3/8"

3шт.

5

R56412

SUPPORT

BRACKET - mounting, linkage

1шт.

6

R41335

SUPPORT

BRACKET - angle, linkage bracket support

1шт.

7

413-616

BOLT,Hex, 3/8" - 16 x 1", Gr 5

- hex, 3/8 NC x 1 inch

5шт.

8

495-11041

WASHER,0.406" ID x 0.812" OD x 0.065" W

(Flat, 13/32 x 13/16 x 1/16") 3/8", SAE

4шт.

9

492-11038

LOCK WASHER,3/8"

6шт.

10

425-106

NUT,3/8"-16, Cl 5

6шт.

11

413-618

BOLT,Hex, 3/8" - 16 x 1-1/8", Gr 5

1шт.

Выбрано товаров: 11