Запчасти Case 1155E (9-070) - SEAT, SEAT BELTS, AND ARMRESTS (09) - CHASSIS/ATTACHMENTS

Схема запчастей Case 1155E - (9-070) - SEAT, SEAT BELTS, AND ARMRESTS (09) - CHASSIS/ATTACHMENTS
1
11
14
16
8
3
4
2
7
23
9
20
21
22
19
15
18
24
25
6
12
24
5
13
10
17
12a
25
FIT
1:1
100%

Артикул

Название

Примечание

Количество

1

REF

INSTRUCTION

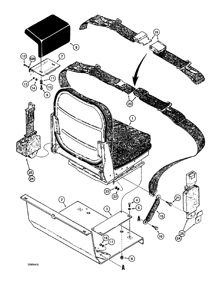
SEAT ASSEMBLY - suspension, for correct assembly and components, see Figures 9-72 - 9-78

1шт.

2

REF

INSTRUCTION

SUPPORT - seat mounting, for seat mounting plate options see Figures 9-48 and 9-50

1шт.

3

R50967

LARGE PLATE

PLATE - seat mounting, not used on cab models

2шт.

4

413-512

BOLT,Hex, 5/16" - 18 x 3/4", Gr 5

- hex, 5/16 NC x 3/4 inch, not used on cab models

4шт.

5

492-11031

LOCK WASHER,5/16"

WASHER, LOCK, , not used on cab models 5/16"

4шт.

6

231-4115

NUT,5/16"-18, GB

NUT - hex, self-locking, 5/16 inch NC

4шт.

7

R34710

SUPPORT

PLATE - armrest mounting

2шт.

8

R48420

ARMREST

- suspension seat

2шт.

9

413-514

BOLT,Hex, 5/16" - 18 x 7/8", Gr 5

4шт.

10

492-11031

LOCK WASHER,5/16"

WASHER, LOCK, 5/16"

4шт.

11

495-11034

WASHER,5/16", SAE

5/16" SAE (flat, 11/32 x 11/16 x 1/16")

4шт.

12

413-412

BOLT,Hex, 1/4" - 20 x 3/4", Gr 5

- hex, 1/4 NC x 3/4 inch

4шт.

12a

495-21031

WASHER,1/4"

- flat, 5/16 x 3/4 x 1/16 inch

4шт.

13

492-11025

LOCK WASHER,1/4"

WASHER, LOCK, 1/4"

4шт.

14

425-104

NUT,1/4"-20, Cl 5

- hex, 1/4 inch NC

4шт.

15

R45816

SAFETY BELT ,1.80" W

Strap, 7-3/4 inch long, If used 1.80" W

2шт.

15

R57317

SAFETY BELT ,1.80" W x 10.50" L

Strap, If used 1.80" W x 10.50" L

2шт.

16

F42236

STEP BOLT

BOLT - shoulder, special, 7/16 NF x 1-1/4 inch

2шт.

17

492-11044

LOCK WASHER,7/16"

WASHER, LOCK, 7/16"

2шт.

18

425-117

NUT,7/16"-20, G5

- hex, 7/16 inch NF

2шт.

19

R51095

SAFETY BELT ,1.94" W

Non-retractable, If used 1.94" W

1шт.

20

D85816

SAFETY BELT

BELT - seat, 3 inch (76 mm) wide, non-retractible, if used

1шт.

21

R45855

BOLT

BOLT - shoulder, 7/16 NF x 1-1/2 inch

2шт.

22

492-11044

LOCK WASHER,7/16"

WASHER, LOCK, 7/16"

2шт.

23

425-117

NUT,7/16"-20, G5

- hex, 7/16 inch NF

2шт.

24

R58339

SAFETY BELT ,2.00" W

Retractable, If used 2.00" W

1шт.

25

R58418

SAFETY BELT ,3.00" W

Retractable, If used 3.00" W

1шт.

Выбрано товаров: 27