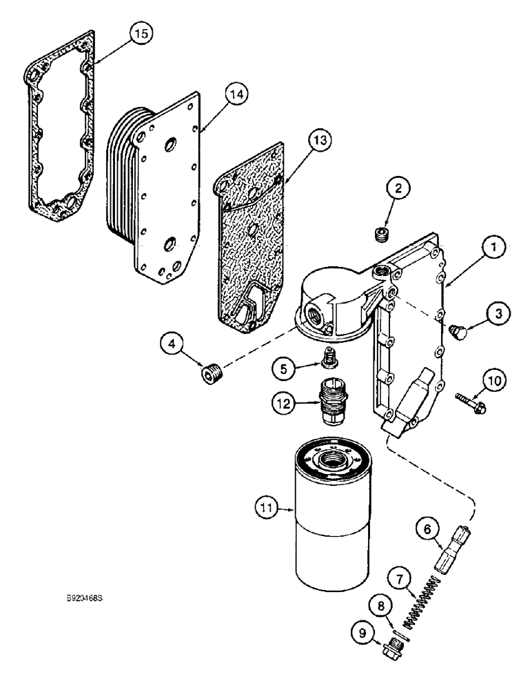
Запчасти Case 1155E (2-024) - OIL FILTER AND COOLER, 6-830 ENGINE, 6T-830 ENGINE, PRIOR TO SN 44500128 (02) - ENGINE

Схема запчастей Case 1155E - (2-024) - OIL FILTER AND COOLER, 6-830 ENGINE, 6T-830 ENGINE, PRIOR TO SN 44500128 (02) - ENGINE
8
15
7
13
4
11
3
14
1
5
12
2
6
9
FIT
1:1
100%

Артикул

Название

Примечание

Количество

1

J907831

HEAD

- filter and cooler

1шт.

2

A77428

PLUG

- hex socket, 1/4 inch PT, used on naturally aspirated

1шт.

3

J906619

PLUG,1/8" - 27

- hex, 1/8 inch PT, used on turbocharged

1шт.

4

A77505

PLUG

- hex socket, 3/4 inch PT

1шт.

5

J902338

VALVE, PRESSURE RELI

VALVE - relief, pressure

1шт.

6

A77540

PLUNGER

- regulator

1шт.

7

A77541

SPRING

- compression

1шт.

8

J901798

SEALING WASHER

WASHER - sealing

1шт.

9

J906299

PLUG

- regulator

1шт.

10

845-8045

BOLT,Hvy Hex, M8 x 45mm, Cl 8.8

- heavy hex flange, 8 - 1.25 x 45 mm, 8.8, Replaces J901445 bolt

11шт.

11

A77537

ENGINE OIL FILTER

FILTER - oil

1шт.

12

A77542

ADAPTER

- filter

1шт.

13

J914308

GASKET

- filter head, replaces J908333 gasket

1шт.

14

J918175

CORE, RADIATOR

CORE - oil cooler, repalces J906296 core

1шт.

15

J918174

GASKET,0.71mm Thk

- cooler core, replaces J908332 and J914307 gasket

1шт.

Выбрано товаров: 15