Запчасти Case 1155E (5-26) - CASE LUBRICATED TRACK CHAIN (11) - TRACKS/STEERING

Схема запчастей Case 1155E - (5-26) - CASE LUBRICATED TRACK CHAIN (11) - TRACKS/STEERING
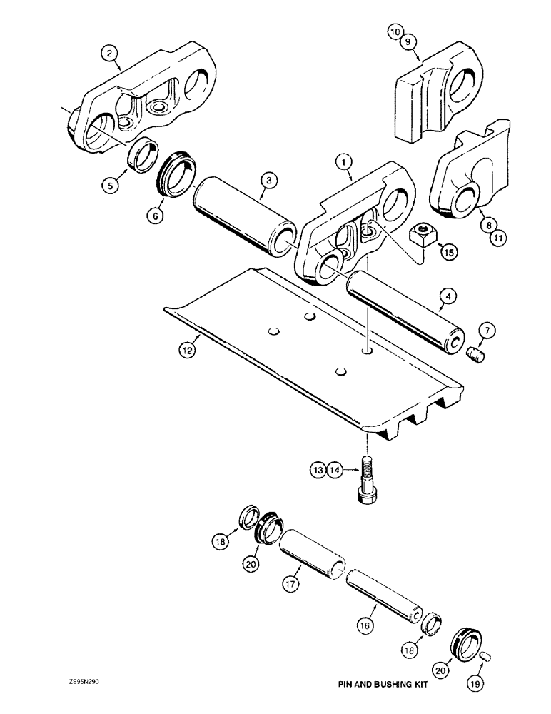
1
16
11
7
12
2
19
18
9
5
20
17
13
15
18
4
14
20
3
8
6
10
FIT
1:1
100%

Артикул

Название

Примечание

Количество

R56706

CHAIN (CE)

CHAIN, 40 unit, use on all models except 74 inch gauge LGP and long track dozer models, Includes: Ref. 1 - 11

2шт.

R56707

CHAIN (CE)

CHAIN, 43 unit, use on 74 inch gauge LGP and long track dozer models, Includes: Ref. 1 - 11

2шт.

1

R51185

DRAG LINK

LINK, DRAG, track, right-hand

39-42шт.

2

R51186

CHAIN LINK

LINK, CHAIN, track, left-hand

39-42шт.

3

R51191

BUSHING,36.9mm ID x 58.77mm OD x 128.8mm L

LARGE, track pin, 2-5/16 inch (59 mm) OD

40-43шт.

4

R51192

PIN,36.58mm OD x 206.5mm L

LARGE, track

40-43шт.

5

R51193

SPACER

seal

80-86шт.

6

R51194

SEAL,42.1mm ID x 59mm OD x 12.5mm Thk

track pin

80-86шт.

7

R50441

PLUG

track pin, 23/32 inch (18 mm) diameter

40-43шт.

R56709

LINK

- master, right-hand, Includes: Ref. 8 & 9

1шт.

8

NSS

NOT SOLD SEPARAT

LINK - track, master, fits over track pin on outside of regular track link, right-hand

1шт.

9

NSS

NOT SOLD SEPARAT

LINK - track, master, fits over bushing on inside of regular track link, right-hand

1шт.

R56708

LINK

ASSEMBLY - master, left-hand, Includes: Ref. 10 & 11

1шт.

10

NSS

NOT SOLD SEPARAT

LINK - track, master, fits over track pin on outside of regular track link, left-hand, not shown

1шт.

11

NSS

NOT SOLD SEPARAT

LINK - track, master, fits over bushing on inside of regular track link, right-hand, not shown

1шт.

12

REF

INSTRUCTION

TRACK SHOE - see Figures 5-28 and 5-30 for options

80шт.

13

R27166

BOLT

special, 55 mm long, use with all track shoes except self-cleaning

320шт.

14

135778A1

BOLT,Spher Hex, 5/8" - 18 x 82.50mm

BOLT - special, 3-3/8 inch (86 mm) long, use with self-cleaning track shoes only on LGP models

344шт.

15

R25688

SQUARE NUT

square, special, not used on master link bolts

312шт.

R51731

KIT

pin and bushing, includes instruction sheet

1шт.

16

R51192

PIN,36.58mm OD x 206.5mm L

LARGE, track, bushing kit for 40 & 43 unit chain assy's, services complete track chain , both sides of trac

86шт.

17

R51191

BUSHING,36.9mm ID x 58.77mm OD x 128.8mm L

LARGE 2-5/16 inch (59 mm) OD, pin & bushing kit for 40 & 43 unit chain assy's, services complete track chain , both sides of trac

86шт.

18

R51193

SPACER

seal, pin & bushing kit for 40 & 43 unit chain assy's, services complete track chain , both sides of trac

172шт.

19

R50441

PLUG

23/32 inch (18 mm) diameter, pin & bushing kit for 40 & 43 unit chain assy's, services complete track chain , both sides of trac

86шт.

20

R51194

SEAL,42.1mm ID x 59mm OD x 12.5mm Thk

pin & bushing kit for 40 & 43 unit chain assy's, services complete track chain , both sides of trac

172шт.

Выбрано товаров: 25