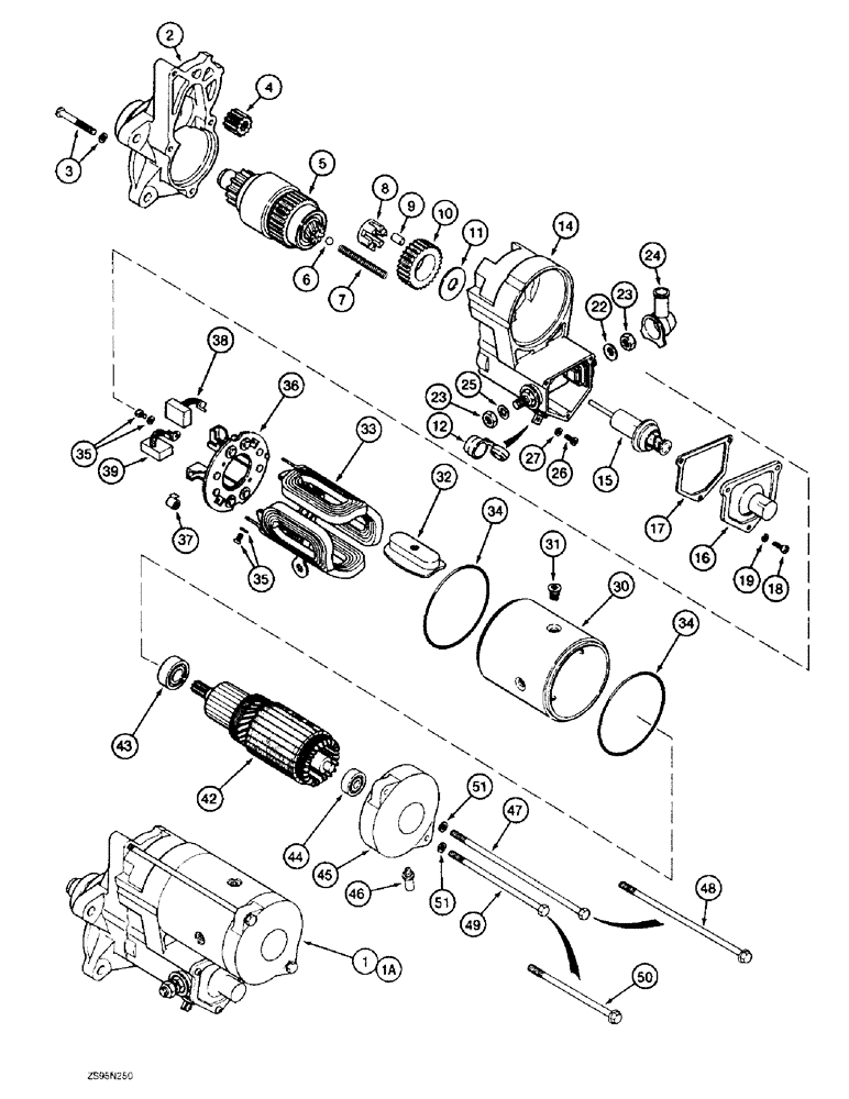
Запчасти Case 1155E (4-02) - STARTER ASSEMBLY, 6T-590 ENGINE, LOADERS, 62 INCH GAUGE LONG TRACK & DRAWBAR DOZERS (04) - ELECTRICAL SYSTEMS

Схема запчастей Case 1155E - (4-02) - STARTER ASSEMBLY, 6T-590 ENGINE, LOADERS, 62 INCH GAUGE LONG TRACK & DRAWBAR DOZERS (04) - ELECTRICAL SYSTEMS
7
10
17
22
44
50
38
19
39
1a
25
14
37
5
8
45
2
18
36
46
34
23
47
51
49
43
35
34
1
11
16
12
31
3
42
33
15
6
48
51
4
23
24
32
30
35
27
26
9
FIT
1:1
100%

Артикул

Название

Примечание

Количество

1

D129494

STARTING MOTOR

STARTER ASSEMBLY - engine (Nippondenso No. 128000-2560), no longer available, order 1987566C1 starter

1шт.

1

1987566C1R

REMAN-STARTER,24V, 5.5kW

Reman For New PN D129494

1шт.

1

1987566C1C

CORE-STARTER,24V, 5.5kW

Return Number

1шт.

1a

1987566C1

STARTER MOTOR,24V, 5.5kW

STARTER ASSEMBLY - engine (Nippondenso No. 128000-2561), Includes: Ref. 2 - 51

1шт.

1a

1987566C1R

REMAN-STARTER,24V, 5.5kW

Reman For New PN 1987566C1

1шт.

1a

1987566C1C

CORE-STARTER,24V, 5.5kW

Return Number

1шт.

1a

1987566C1GV

STARTER MOTOR,24V, 5.5kW

Value

1шт.

2

A49797

HOUSING

HOUSING - starter

1шт.

3

A47129

CAPTIVE WASHER SCREW

BOLT ASSEMBLY - housing retaining, with washer

3шт.

4

A49809

PINION

GEAR - pinion

1шт.

5

A49802

CLUTCH

CLUTCH - starter

1шт.

6

211-1311

BALL,11/32" Dia

BALL - chrome alloy steel, 11/32", grade 200

1шт.

7

A47232

SPRING

SPRING - compression, 2-13/16 inch free length

1шт.

8

A47236

RETAINER

RETAINER - roller bearing

1шт.

9

A47235

ROLLER BEARING

ROLLER - pinion bearing

5шт.

10

A49810

GEAR

GEAR - pinion idler

1шт.

11

A47234

WASHER

WASHER - thrust

1шт.

12

104589A1

BUSHING

BUSHING - insulation, 1987566C1 starter only

1шт.

14

104598A1

SOLENOID SWITCH

SWITCH, SOLENOID, Assy - magnetic, Includes: Ref. 15 - 19

1шт.

15

NSS

NOT SOLD SEPARAT

SOLENOID - starter

1шт.

16

NSS

NOT SOLD SEPARAT

COVER - solenoid

1шт.

17

NSS

NOT SOLD SEPARAT

GASKET - solenoid cover

1шт.

18

NSS

NOT SOLD SEPARAT

BOLT - cover retaining

3шт.

19

NSS

NOT SOLD SEPARAT

WASHER - retaining

3шт.

22

A10454

WAVE WASHER

WASHER - spring, terminal

1шт.

23

825-1410

NUT,M10, Cl 8

Nut, , Terminal M10, Cl 8

2шт.

24

A49805

COVER

COVER - terminal

1шт.

25

892-11010

LOCK WASHER,M10

LOCK WASHER, M10

1шт.

26

A46950

SCREW,M5 x 0.8 x 0.8mm

SCREW - terminal, special

1шт.

27

892-11005

LOCK WASHER,M5

WASHER, LOCK, , Terminal M5

1шт.

30

A49804

HOUSING

HOUSING ASSEMBLY - starter field, Includes: Ref. 31 - 33

1шт.

31

NSS

NOT SOLD SEPARAT

SCREW - pole shoes

4шт.

32

NSS

NOT SOLD SEPARAT

SHOE - pole

4шт.

33

NSS

NOT SOLD SEPARAT

COIL - field

1шт.

34

A49812

SEAL

SEAL - housing

2шт.

35

A47244

CAPTIVE WASHER SCREW,Cross Pan Hd, M5 x 0.8 x 8mm

SCREW ASSEMBLY - with washer, brush retaining

4шт.

36

A49806

BRUSH HOLDER

HOLDER ASSEMBLY - brush, Includes: Ref. 37

1шт.

37

A47249

SPRING

SPRING - brush tension

4шт.

38

A49807

COMMUTATOR BRUSH

BRUSH - starter

2шт.

39

A49808

COMMUTATOR BRUSH

BRUSH - starter

2шт.

42

A49801

ROTOR

ARMATURE ASSEMBLY - starter, Includes: Ref. 43 & 44

1шт.

43

A49800

BALL BEARING,15 mm ID x 35 mm OD x 11 mm

BEARING - armature, 15 x 35 x 11 mm

1шт.

44

A47248

BALL BEARING

BEARING - commutator end, 10 x 30 x 9 mm

1шт.

45

A49811

COVER ASSY

FRAME - commutator end

1шт.

46

A49803

BREATHER

COVER - frame end

1шт.

47

A49813

BOLT

BOLT - hex, 208 mm long, D129494 starter

1шт.

48

104593A1

FLANGE BOLT

BOLT - hex flange, 7 x 206 mm, 1987566C1 starter

1шт.

49

A49814

BOLT

BOLT - hex, 146 mm long, D129494 starter

1шт.

50

104594A1

FLANGE BOLT

BOLT - hex flange, 7 x 144 mm, 1987566C1 starter

1шт.

51

A49815

LOCK WASHER

WASHER - lock, through bolt

2шт.

Выбрано товаров: 50