Запчасти Case 1450 (194) - HYDRAULIC TANK ASSEMBLY (08) - HYDRAULICS

Схема запчастей Case 1450 - (194) - HYDRAULIC TANK ASSEMBLY (08) - HYDRAULICS
FIT
1:1
100%

Артикул

Название

Примечание

Количество

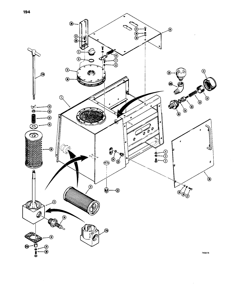
1

R28532

TANK - hydraulic, with RH parking brake

1шт.

Part of Kit, P/N R35447

1шт.

1

R35273

TANK

- hydraulic, with LH parking brake

1шт.

Part of Kit, P/N R35447

1шт.

2

13-1020

BOLT,Hex, 5/8" - 11 x 1-1/4", Gr 5, Full Thd

4шт.

3

92-10

LOCK WASHER,5/8"

WASHER, LOCK, 5/8"

4шт.

4

195-41

WASHER,5/8"

4шт.

5

R18650

CAP

- filler

1шт.

6

A7552

O-RING,0.21" Thk x 1.975" ID, -329, Cl 5, 75 Duro

1шт.

7

13-614

BOLT,Hex, 3/8" - 16 x 7/8", Gr 5, Full Thd

12 without lock - 10 with lock Hex, 3/8"-16 x 7/8", G5, Full Thd

12шт.

8

92-6

LOCK WASHER,3/8"

12шт.

9

R27322

PLATE

COVER - hydraulic tank

1шт.

10

R27346

GASKET

- cover

1шт.

11

D42995

FILTER

- oil, suction

1шт.

12

129-400

WING NUT,1/2"-13

NUT - winged, 1/2" - 13 NC

1шт.

12a

R36602

ROD

- filter, retaining, late production

1шт.

13

F8235

WASHER

- special

1шт.

14

F61200

SPRING

- filter retaining

1шт.

15

95-12

WASHER,3/4"

- flat, 3/4"

1шт.

16

L52029

FILTER, ELEMENT

FILTER - oil, element

1шт.

17

R25792

BASE

BLOCK - filter, early production

1шт.

17a

R36277

BLOCK ASSY.

BLOCK - filter, late production, for service, order (1) R36277 block, (1) R36602 rod and (1) 92-8 lock washer

1шт.

18

R27525

VALVE

- oil bypass

1шт.

19

R27324

GASKET

- block

1шт.

20

13-828

BOLT,Hex, 1/2" - 13 x 1-3/4", Gr 5

HHCS - 1/2" - 13 NC x 1-3/4"

2шт.

21

92-8

LOCK WASHER,1/2"

2шт.

21a

T53868

BUSHING

SPACER - bolt

2шт.

22

221-18

PLUG - square head, 1-1/2" NPT Sq Hd, 1 1/2"-11 1/2 NPTF

1шт.

23

R29753

ELECTRICAL GAUGE

GAUGE - oil, sight

2шт.

24

218-5006

O-RING,0.087" Thk x 0.644" ID, -908, Cl 6, 90 Duro

2шт.

25

R28549

PLATE - cover, all models except winch, for service use R39267

1шт.

25

R39267

PLATE

- cover, winch models, see catalog 1276 ( replaced R38499 )

1шт.

25

R39267

PLATE

- cover, winch models, see catalog 1276

1шт.

26

R28573

PLATE

- cover, side

1шт.

27

13-618

BOLT,Hex, 3/8" - 16 x 1-1/8", Gr 5

16шт.

28

92-6

LOCK WASHER,3/8"

16шт.

29

195-25

WASHER,3/8"

- flat, 3/8"

16шт.

30

R42714

BREATHER

VALVE - breather, no service parts, Includes: Ref. 31 - 36

1шт.

30

R24861

BREATHER

VALVE - breather, use R42714 valve, Includes: Ref. 31 - 36

1шт.

31

R30266

CAP

- breather

1шт.

32

R30267

TUBE

- poroplate, 10 micron filter

1шт.

33

R30268

SPRING

- valve

1шт.

34

A35104

O-RING,0.103" Thk x 0.862" ID, -118, Cl 5, 75 Duro

1шт.

35

R30269

VALVE

ASSEMBLY - breather

1шт.

36

R30271

FITTING

- breather

1шт.

36a

221-1415

ELBOW,90 Degree, 3/4"-14, NPT

FITTING - 90deg. (replaced 217-415)

1шт.

37

13-616

BOLT,Hex, 3/8" - 16 x 1", Gr 5, Full Thd

2шт.

38

92-6

LOCK WASHER,3/8"

2шт.

39

R31153

GUARD

LOCKING ARM - hydraulic tank lock

1шт.

40

R31155

ANGLE

- hydraulic tank lock

1шт.

41

R38772

RUBBER STRIP

TRIM - lock

1шт.

R35447

KIT - services R28532 tank, includes R35273 tank, blocks and instructions

1шт.

Выбрано товаров: 52